GATE 2022 Electrical Engineering (EE) Question Paper with Solutions PDFs is available for download. GATE 2022 EE was held on 5th February 2022 in the afternoon session (2:30 PM to 5:30 PM). As per the candidates, the overall difficulty level of the exam was moderate. Topics related to core electrical engineering carried 72% of the total weightage in GATE 2022 EE question paper. The exam was conducted for a total of 100 marks that were distributed between 65 questions.
Candidates preparing for GATE can download GATE 2022 EE Question Paper with Answer Key PDFs given below.
GATE 2022 Electrical Engineering (EE) Question Paper with Solutions
| GATE 2022 Electrical Engineering (EE) Question Paper | Check Solutions |

As you grow older, an injury to your \hspace{2cm} may take longer to \hspace{2cm}.
In a 500 m race, P and Q have speeds in the ratio of 3 : 4. Q starts the race when P has already covered 140 m.
What is the distance between P and Q (in m) when P wins the race?
Three bells P, Q, and R are rung periodically in a school. P is rung every 20 minutes; Q is rung every 30 minutes and R is rung every 50 minutes.
If all the three bells are rung at 12:00 PM, when will the three bells ring together again the next time?
Given below are two statements and four conclusions drawn based on the statements.
Statement 1: Some bottles are cups.
Statement 2: All cups are knives.
Conclusion I: Some bottles are knives.
Conclusion II: Some knives are cups.
Conclusion III: All cups are bottles.
Conclusion IV: All knives are cups.
Which one of the following options can be logically inferred?
The figure below shows the front and rear view of a disc, which is shaded with identical patterns. The disc is flipped once with respect to any one of the fixed axes 1-1, 2-2, or 3-3 chosen uniformly at random.
What is the probability that the disc DOES NOT retain the same front and rear views after the flipping operation?

Altruism is the human concern for the wellbeing of others. Altruism has been shown to be motivated more by social bonding, familiarity, and identification of belongingness to a group. The notion that altruism may be attributed to empathy or guilt has now been rejected.
Which one of the following is the CORRECT logical inference based on the information in the above passage?
There are two identical dice with a single letter on each of the faces. The following six letters: Q, R, S, T, U, and V, one on each of the faces. Any of the six outcomes are equally likely.
The two dice are thrown once independently at random.
What is the probability that the outcomes on the dice were composed only of any combination of the following possible outcomes: Q, U, and V?
The price of an item is 10% cheaper in an online store S compared to the price at another online store M. Store S charges ₹150 for delivery. There are no delivery charges for orders from store M. A person bought the item from the store S and saved ₹100.
What is the price of the item at the online store S (in ₹) if there are no other charges than what is described above?
The letters P, Q, R, S, T, and U are to be placed one per vertex on a regular convex hexagon, but not necessarily in the same order.
Consider the following statements:
The line segment joining R and S is longer than the line segment joining P and Q.
The line segment joining R and S is perpendicular to the line segment joining P and Q.
The line segment joining R and U is parallel to the line segment joining T and Q.
Based on the above statements, which one of the following options is CORRECT?
An ant is at the bottom-left corner of a grid (point P) as shown above. It aims to move to the top-right corner of the grid. The ant moves only along the lines marked in the grid such that the current distance to the top-right corner strictly decreases.
Which one of the following is part of a possible trajectory of the ant during the movement?


The transfer function of a real system, \( H(s) \), is given as:
\[ H(s) = \frac{As + B}{s^2 + Cs + D} \]
where \( A \), \( B \), \( C \), and \( D \) are positive constants. This system cannot operate as:
For an ideal MOSFET biased in saturation, the magnitude of the small signal current gain for a common drain amplifier is
The most commonly used relay, for the protection of an alternator against loss of excitation, is
The geometric mean radius of a conductor, having four equal strands with each strand of radius ‘r’, as shown in the figure below, is

The valid positive, negative and zero sequence impedances (in p.u.), respectively, for a 220 kV, fully transposed three-phase transmission line, from the given choices are
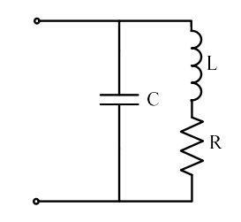
The steady state output \( V_{out} \), of the circuit shown below, will

The Bode magnitude plot of a first order stable system is constant with frequency. The asymptotic value of the high frequency phase, for the system, is -180°. This system has

A balanced Wheatstone bridge ABCD has the following arm resistances:
\(R_{AB} = 1 k\Omega \pm 2.1% ; R_{BC} = 100 \Omega \pm 0.5% ; R_{CD}\) is an unknown resistance; \(R_{DA} = 300 \Omega \pm 0.4%\). The value of \(R_{CD}\) and its accuracy is
The open loop transfer function of a unity gain negative feedback system is given by \[ G(s) = \frac{k}{s^2 + 4s - 5}. The range of k for which the system is stable, is \]
Consider a 3 x 3 matrix A whose \( (i, j) \)-th element, \( a_{i,j} = (i - j)^3 \). Then the matrix A will be
In the circuit shown below, a three-phase star-connected unbalanced load is connected to a balanced three-phase supply of 100\(\sqrt{3}\) V with phase sequence ABC. The star connected load has \( Z_A = 10 \, \Omega \) and \( Z_B = 20 \angle 60^\circ \, \Omega \). The value of \( Z_C \) in \( \Omega \), for which the voltage difference across the nodes \( n \) and \( n' \) is zero, is

A charger supplies 100 W at 20 V for charging the battery of a laptop. The power devices, used in the converter inside the charger, operate at a switching frequency of 200 kHz. Which power device is best suited for this purpose?
A long conducting cylinder having a radius ‘b’ is placed along the z axis. The current density is \( J = J_a r^3 \hat{z} \) for the region \( r < b \) where \( r \) is the distance in the radial direction. The magnetic field intensity (H) for the region inside the conductor (i.e. for \( r < b \)) is
The type of single-phase induction motor, expected to have the maximum power factor during steady state running condition, is
For the circuit shown below with ideal diodes, the output will be

A MOD 2 and a MOD 5 up-counter when cascaded together results in a MOD ________ counter. (in integer)
An inductor having a Q-factor of 60 is connected in series with a capacitor having a Q-factor of 240. The overall Q-factor of the circuit is ________. (round off to nearest integer)
The network shown below has a resonant frequency of 150 kHz and a bandwidth of 600 Hz. The Q-factor of the network is _________. (round off to nearest integer)

The maximum clock frequency in MHz of a 4-stage ripple counter, utilizing flip-flops, with each flip-flop having a propagation delay of 20 ns, is _________. (round off to one decimal place)
If only 5% of the supplied power to a cable reaches the output terminal, the power loss in the cable, in decibels, is ________. (round off to nearest integer)
In the circuit shown below, the switch S is closed at \( t = 0 \). The magnitude of the steady state voltage, in volts, across the 6 Ω resistor is ________. (round off to two decimal places)

A single-phase full-bridge diode rectifier feeds a resistive load of 50 \(\Omega\) from a 200 V, 50 Hz single-phase AC supply. If the diodes are ideal, then the active power, in watts, drawn by the load is _________. (round off to nearest integer)
The voltage at the input of an AC-DC rectifier is given by \( v(t) = 230\sqrt{2} \sin(\omega t) \) where \( \omega = 2\pi \times 50 \, rad/s \). The input current drawn by the rectifier is given by \[ i(t) = 10 \sin\left(\omega t - \frac{\pi}{3}\right) + 4 \sin\left(3\omega t - \frac{\pi}{6}\right) + 3 \sin\left(5\omega t - \frac{\pi}{3}\right) \]
The input power factor (rounded off to two decimal places) is _________.
Two balanced three-phase loads, as shown in the figure, are connected to a 100\(\sqrt{3}\) V three-phase, 50 Hz main supply. Given \( Z_1 = (18 + j24) \, \Omega \) and \( Z_2 = (6 + j8) \, \Omega \), the ammeter reading, in amperes, is ________. (round off to nearest integer)

The frequencies of the stator and rotor currents flowing in a three-phase 8-pole induction motor are 40 Hz and 1 Hz respectively. The motor speed, in rpm, is ________. (round off to nearest integer)
The output impedance of a non-ideal operational amplifier is denoted by \( Z_{out} \). The variation in the magnitude of \( Z_{out} \) with increasing frequency, \( f \), in the circuit shown below, is best represented by:


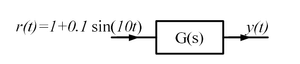
An LTI system is shown in the figure where
\[ G(s) = \frac{100}{s^2 + 0.1s + 10} \]
The steady state output of the system, to the input \( r(t) \), is given as
\[ y(t) = a + b \sin(10t + \theta) \]
The values of 'a' and 'b' will be

The open loop transfer function of a unity gain negative feedback system is given as \[ G(s) = \frac{1}{s(s+1)}. \]
The Nyquist contour in the s-plane encloses the entire right half plane and a small neighbourhood around the origin in the left half plane, as shown in the figure below. The number of encirclements of the point \( (-1 + j0) \) by the Nyquist plot of \( G(s) \), corresponding to the Nyquist contour, is denoted as \( N \). Then \( N \) equals to

The damping ratio and undamped natural frequency of a closed loop system as shown in the figure, are denoted as \( \zeta \) and \( \omega_n \), respectively. The values of \( \zeta \) and \( \omega_n \) are

e\(^A\) denotes the exponential of a square matrix A. Suppose \( \lambda \) is an eigenvalue and \( \mathbf{v} \) is the corresponding eigen-vector of matrix A.
Consider the following two statements:
Statement 1: e\(^\lambda\) is an eigenvalue of e\(^A\).
Statement 2: \( \mathbf{v} \) is an eigen-vector of e\(^A\).
Which one of the following options is correct?
Let \( f(x) = \int_0^x e^t (t - 1)(t - 2) \, dt \). Then \( f(x) \) decreases in the interval
Consider a matrix \( A = \begin{bmatrix} 1 & 0 & 0
0 & 4 & -2
0 & 1 & 1 \end{bmatrix} \). The matrix \( A \) satisfies the equation \( 6A^{-1} = A^2 + cA + dI \), where \( c \) and \( d \) are scalars and \( I \) is the identity matrix. Then \( (c + d) \) is equal to
The fuel cost functions in rupees/hour for two 600 MW thermal power plants are given by
\[ Plant 1: C_1 = 350 + 6P_1 + 0.004P_1^2 \] \[ Plant 2: C_2 = 450 + aP_2 + 0.003P_2^2 \]
where \( P_1 \) and \( P_2 \) are the power generated by plant 1 and plant 2, respectively, in MW and \( a \) is constant. The incremental cost of power (\( \lambda \)) is 8 rupees per MWh. The two thermal power plants together meet a total power demand of 550 MW. The optimal generation of plant 1 and plant 2 in MW, respectively, are
The current gain \( \left( \frac{I_{out}}{I_{in}} \right) \) in the circuit with an ideal current amplifier given below is

If the magnetic field intensity \( H \) in a conducting region is given by the expression,
\[ H = x^2 \hat{i} + x^2 y^2 \hat{j} + x^2 y^2 z^2 \hat{k} \, A/m. \]
The magnitude of the current density, in A/m\(^2\), at \( x = 1 \, m \), \( y = 2 \, m \), and \( z = 1 \, m \), is
Let a causal LTI system be governed by the following differential equation \[ y(t) + \frac{1}{4} \frac{dy}{dt} = 2x(t), \]
where \( x(t) \) and \( y(t) \) are the input and output respectively. Its impulse response is
Let an input \( x(t) = 2\sin(10\pi t) + 5\cos(15\pi t) + 7\sin(42\pi t) + 4\cos(45\pi t) \) be passed through an LTI system having an impulse response, \[ h(t) = 2\left(\frac{\sin(10\pi t)}{\pi t}\right) \cos(40\pi t). \]
The output of the system is
Consider the system as shown below \[ y(t) = x(e^t) \]
The system is

The discrete time Fourier series representation of a signal \( x[n] \) with period \( N \) is written as \[ x[n] = \sum_{k=0}^{N-1} a_k e^{j(2\pi kn / N)} \]
A discrete time periodic signal with period \( N = 3 \), has the non-zero Fourier series coefficients: \( a_{-3} = 2 \) and \( a_4 = 1 \). The signal is
Let \( f(x, y, z) = 4x^2 + 7xy + 3xz^2 \). The direction in which the function \( f(x, y, z) \) increases most rapidly at point \( P = (1, 0, 2) \) is
Let \( R \) be a region in the first quadrant of the \( xy \)-plane enclosed by a closed curve \( C \) considered in counter-clockwise direction. Which of the following expressions does not represent the area of the region \( R \)?

Let \(\vec{E}(x, y, z) = 2x^2 \hat{i} + 5y \hat{j} + 3z \hat{k}\). The value of \[ \iiint_V (\vec{\nabla} \cdot \vec{E}) \, dV, \]
where \( V \) is the volume enclosed by the unit cube defined by \( 0 \leq x \leq 1, 0 \leq y \leq 1, \) and \( 0 \leq z \leq 1 \), is
As shown in the figure below, two concentric conducting spherical shells, centered at \( r = 0 \) and having radii \( r = c \) and \( r = d \) are maintained at potentials such that the potential \( V(r) \) at \( r = c \) is \( V_1 \) and \( V(r) \) at \( r = d \) is \( V_2 \). Assume that \( V(r) \) depends only on \( r \), where \( r \) is the radial distance. The expression for \( V(r) \) in the region between \( r = c \) and \( r = d \) is

Let the probability density function of a random variable \( x \) be given as \[ f(x) = ae^{-2|x|} \]
The value of ‘a’ is ________.
In the circuit shown below, the magnitude of the voltage \( V_1 \) in volts across the 8 kΩ resistor is ________. (round off to nearest integer)

Two generating units rated for 250 MW and 400 MW have governor speed regulations of 6% and 6.4%, respectively, from no load to full load. Both the generating units are operating in parallel to share a load of 500 MW. Assuming free governor action, the load shared in MW, by the 250 MW generating unit is _________. (round off to nearest integer)
A 20 MVA, 11.2 kV, 4-pole, 50 Hz alternator has an inertia constant of 15 MJ/MVA. If the input and output powers of the alternator are 15 MW and 10 MW, respectively, the angular acceleration in mechanical degree/s\(^2\) is _________. (round off to nearest integer)
Consider an ideal full-bridge single-phase DC-AC inverter with a DC bus voltage magnitude of 1000 V. The inverter output voltage \( v(t) \) shown below, is obtained when diagonal switches of the inverter are switched with 50% duty cycle. The inverter feeds a load with a sinusoidal current given by, \( i(t) = 10 \sin(\omega t - \frac{\pi}{3}) \) A, where \( \omega = \frac{2\pi}{T} \). The active power, in watts, delivered to the load is ________. (round off to nearest integer)

For the ideal AC-DC rectifier circuit shown in the figure below, the load current magnitude is \( I_{dc} = 15 \, A \) and is ripple free. The thyristors are fired with a delay angle of 45°. The amplitude of the fundamental component of the source current, in amperes, is ________. (round off to two decimal places)

A 3-phase grid-connected voltage source converter with DC link voltage of 1000 V is switched using sinusoidal Pulse Width Modulation (PWM) technique. If the grid phase current is 10 A and the 3-phase complex power supplied by the converter is given by \( (-4000 - j3000) \, VA \), then the modulation index used in sinusoidal PWM is _________. (round off to two decimal places)
The steady state current flowing through the inductor of a DC-DC buck boost converter is given in the figure below. If the peak-to-peak ripple in the output voltage of the converter is 1 V, then the value of the output capacitor, in μF, is _________. (round off to nearest integer)

A 280 V, separately excited DC motor with armature resistance of 1 \(\Omega\) and constant field excitation drives a load. The load torque is proportional to the speed. The motor draws a current of 30 A when running at a speed of 1000 rpm. Neglect frictional losses in the motor. The speed, in rpm, at which the motor will run, if an additional resistance of value 10 \(\Omega\) is connected in series with the armature, is ________. (round off to nearest integer)
A 4-pole induction motor with inertia of 0.1 kg-m\(^2\) drives a constant load torque of 2 Nm. The speed of the motor is increased linearly from 1000 rpm to 1500 rpm in 4 seconds as shown in the figure below. Neglect losses in the motor. The energy, in joules, consumed by the motor during the speed change is _________. (round off to nearest integer)

A star-connected 3-phase, 400 V, 50 kVA, 50 Hz synchronous motor has a synchronous reactance of 1 ohm per phase with negligible armature resistance. The shaft load on the motor is 10 kW while the power factor is 0.8 leading. The loss in the motor is 2 kW. The magnitude of the per phase excitation emf of the motor, in volts, is _________. (round off to nearest integer)
A 3-phase, 415 V, 4-pole, 50 Hz induction motor draws 5 times the rated current at rated voltage at starting. It is required to bring down the starting current from the supply to 2 times of the rated current using a 3-phase autotransformer. If the magnetizing impedance of the induction motor and no load current of the autotransformer is neglected, then the transformation ratio of the autotransformer is given by ________. (round off to two decimal places)
Quick Links:
GATE 2022 EE Detailed Paper Analysis
GATE 2022 EE Question Paper had a total of 43 MCQs (Multiple Choice Questions) and 22 Numerical Answer Type (NAT).
- There were 30 questions carrying 1 mark and 35 questions carrying 2 marks
- The General Aptitude section was easy to moderate
- Power Electronics, Machine and Power System was accountable for carrying the most number of questions
- The difficulty level of questions from Machine and Network topics was moderate.
- The questions from control system were tricky and time-consuming
Kindly refer to the below-mentioned table to see the number of questions asked as per the topics and marks:
| Topics | 1 Mark Questions | 2 Marks Questions | Total Marks |
|---|---|---|---|
| Signal and Systems | 2 | 3 | 8 |
| Electromagnetics | 2 | 2 | 6 |
| Electrical Machines | 2 | 3 | 8 |
| Analog Electronics | 2 | 2 | 6 |
| Digital Electronics | 1 | 1 | 3 |
| Power System | 4 | 4 | 12 |
| Control System | 2 | 3 | 8 |
| Electrical Circuits | 3 | 4 | 11 |
| Power Electronics | 1 | 4 | 9 |
| Electrical Measurement | 2 | 0 | 2 |
| Engineering Mathematics | 4 | 4 | 12 |
| General Aptitude | 5 | 5 | 15 |
| Total | 30 | 35 | 100 |
Also Check:
GATE Previous Year Question Papers
| GATE 2022 Question Papers | GATE 2021 Question Papers | GATE 2020 Question Papers |
| GATE 2019 Question Papers | GATE 2018 Question Papers | GATE 2017 Question Paper |








Comments