GATE 2023 Chemical Engineering Question Paper PDF is available here for download. IIT Kanpur conducted GATE 2023 Chemical Engineering exam on February 11, 2023 in the Afternoon Session from 02:30 PM to 05:30 PM. Students had to answer 65 questions in GATE 2023 Chemical Engineering Question Paper carrying a total weightage of 100 marks. 10 questions are from the General Aptitude section and 55 questions are from Engineering Mathematics and Core Discipline.
GATE 2023 Chemical Engineering Question Paper with Answer Key PDF
| GATE 2023 Chemical Engineering Question Paper with Answer Key PDF | Download PDF | Check Solutions |
GATE 2023 Chemical Engineering (CH) question paper solutions
“You are delaying the completion of the task. Send _____ contributions at the earliest.”
References : _____ : Guidelines : Implement (By word meaning)
In the given figure, PQRS is a parallelogram with \(PS=7\) cm, \(PT=4\) cm and \(PV=5\) cm. What is the length of \(RS\) in cm? (The diagram is representative.)

In 2022, June Huh was awarded the Fields medal, which is the highest prize in Mathematics. When he was younger, he was also a poet. He did not win any medals in the International Mathematics Olympiads. He dropped out of college. Based only on the above information, which one of the following statements can be logically inferred with certainty?
A line of symmetry is defined as a line that divides a figure into two parts in a way such that each part is a mirror image of the other part about that line. The given figure consists of 16 unit squares arranged as shown. In addition to the three black squares, what is the minimum number of squares that must be coloured black, such that both \(PQ\) (vertical) and \(MN\) (the bottom-left to top-right diagonal) form lines of symmetry? (The figure is representative)

Human beings are one among many creatures that inhabit an imagined world. In this imagined world, some creatures are cruel. If in this imagined world, it is given that the statement “Some human beings are not cruel creatures” is FALSE, then which of the following set of statement(s) can be logically inferred with certainty?
To construct a wall, sand and cement are mixed in the ratio of 3:1. The cost of sand and that of cement are in the ratio of 1:2.
If the total cost of sand and cement to construct the wall is 1000 rupees, then what is the cost (in rupees) of cement used?
The World Bank has declared that it does not plan to offer new financing to Sri Lanka, which is battling its worst economic crisis in decades, until the country has an adequate macroeconomic policy framework in place. In a statement, the World Bank said Sri Lanka needed to adopt structural reforms that focus on economic stabilisation and tackle the root causes of its crisis. The latter has starved it of foreign exchange and led to shortages of food, fuel, and medicines. The bank is repurposing resources under existing loans to help alleviate shortages of essential items such as medicine, cooking gas, fertiliser, meals for children, and cash for vulnerable households. Based only on the above passage, which one of the following statements can be inferred with certainty?
The coefficient of \(x^4\) in the polynomial \((x-1)^3(x-2)^3\) is equal to _____.
Which one of the following shapes can be used to tile (completely cover by repeating) a flat plane, extending to infinity in all directions, without leaving any empty spaces in between them? The copies of the shape used to tile are identical and are not allowed to overlap.
Which one of the following is the CORRECT value of \(y\), as defined by the expression given below?
\[ y = \lim_{x \to 0} \frac{2x}{e^x - 1} \]
The vector \(\vec{v}\) is defined as \[ \vec{v} = zx\,\hat{i} + 2xy\,\hat{j} + 3yz\,\hat{k}. \]
Which one of the following is the CORRECT value of divergence of \(\vec{v}\), evaluated at the point \((x,y,z) = (3,2,1)\)?
Given that \( F=\dfrac{|z_1+z_2|}{|z_1|+|z_2|} \), where \(z_1=2+3i\) and \(z_2=-2+3i\) with \(i=\sqrt{-1}\), which one of the following options is CORRECT?
For a two-dimensional plane, the unit vectors \((\hat{e}_r,\hat{e}_\theta)\) of the polar coordinate system and \((\hat{i},\hat{j})\) of the cartesian coordinate system are related by \[ \hat{e}_r=\cos\theta\,\hat{i}+\sin\theta\,\hat{j}, \qquad \hat{e}_\theta=-\sin\theta\,\hat{i}+\cos\theta\,\hat{j}. \]
Which one of the following is the CORRECT value of \(\dfrac{\partial(\hat{e}_r+\hat{e}_\theta)}{\partial\theta}\)?
Which one of the following statements related to octane number is NOT correct?
Which one of the following options represents the major components of oleum?
For a reversible endothermic chemical reaction with constant heat of reaction over the operating temperature range, \(K\) is the thermodynamic equilibrium constant. Which one of the following figures shows the CORRECT dependence of \(K\) on temperature \(T\)?

Nitrile rubber is manufactured via polymerization process. Which one of the following options is the CORRECT pair of monomers used in this process?
John and Jane independently performed a thermodynamic experiment, in which \(\mathbf{X}\) and \(\mathbf{Y}\) represent the initial and final thermodynamic states of the system, respectively. John performed the experiment under reversible conditions, for which the change in entropy of the system was \(\Delta S_{rev}\). Jane performed the experiment under irreversible conditions, for which the change in entropy of the system was \(\Delta S_{irr}\). Which one of the following relationships is CORRECT?
For a packed-bed comprising of uniform-sized spherical particles of diameter \(D_p\), the pressure drop across the bed is given by the Kozeny–Carman (laminar Ergun) equation when the particle Reynolds number \((Re_p)<1\). Under this condition, minimum fluidization velocity is proportional to \(D_p^{\,n}\). Which one of the following is the CORRECT value of exponent \(n\)?
Match the quantities in Group 1 with their units in Group 2 listed in the table below.

View Solution
Step 1: Identify the units of thermal conductivity.
Thermal conductivity \(k\) has units: \[ \frac{W}{m·K} = W·m^{-1}K^{-1}. \]
So, \(P \rightarrow II\).
Step 2: Identify the units of convective heat transfer coefficient.
Heat transfer coefficient \(h\) is defined as \[ q = hA\Delta T. \]
Thus, units are: \[ \frac{W}{m^2\cdot K} = W·m^{-2}K^{-1}. \]
So, \(Q \rightarrow I\).
Step 3: Identify the units of Stefan–Boltzmann constant.
The Stefan–Boltzmann law is: \[ q = \sigma T^4. \]
Here, \(\sigma\) has units: \[ \frac{W}{m^2 \cdot K^4} = W·m^{-2}K^{-4}. \]
So, \(R \rightarrow IV\).
Step 4: Identify the units of heat capacity rate.
Heat capacity rate is defined as: \[ C = \dot{m} c_p, \]
with units of: \[ \frac{J}{K·s} = W·K^{-1}. \]
So, \(S \rightarrow III\).
Hence the correct matching is: \(P-II, Q-I, R-IV, S-III\).
\[ \boxed{(A) \; P-II, \; Q-I, \; R-IV, \; S-III} \] Quick Tip: - Always recall standard heat transfer units: • \(k\) (thermal conductivity) → W·m\(^{-1}\)K\(^{-1}\)
• \(h\) (convective coefficient) → W·m\(^{-2}\)K\(^{-1}\)
• \(\sigma\) (Stefan–Boltzmann constant) → W·m\(^{-2}\)K\(^{-4}\)
• Heat capacity rate → W·K\(^{-1}\)
A slab of thickness \(L\), as shown in the figure, has cross-sectional area \(A\) and constant thermal conductivity \(k\). \(T_1\) and \(T_2\) are the temperatures at \(x=0\) and \(x=L\), respectively. Which one of the following options is the CORRECT expression of the thermal resistance for steady-state one-dimensional heat conduction?

Spray dryers have many advantages. Which one of the following is NOT an advantage of a typical spray dryer?
Which one of the following quantities of a flowing fluid is measured using a rotameter?
A liquid surge tank has \(F_{in}\) and \(F_{out}\) as the inlet and outlet flow rates respectively, as shown in the figure. \(F_{out}\) is proportional to the square root of the liquid level \(h\). The cross-sectional area of the tank is \(20~cm^2\). Density of the liquid is constant everywhere in the system. At steady state, \(F_{in}=F_{out}=10~cm^3s^{-1}\) and \(h=16~cm\). The variation of \(h\) with \(F_{in}\) is approximated as a first-order transfer function. Which one of the following is the CORRECT value of the time constant (in seconds) of this system?

A packed distillation column, with vapor having an average molecular weight of \(45~kg \cdot kmol^{-1}\), density of \(2~kg \cdot m^{-3}\) and a molar flow rate of \(0.1~kmol\cdots^{-1}\), has a flooding velocity of \(0.15~m\cdots^{-1}\). The column is designed to operate at \(60%\) of the flooding velocity. Which one of the following is the CORRECT value for the column diameter (in m)?
An isothermal jacketed continuous stirred tank reactor (CSTR) operating at \(150^{\circ}\mathrm{C}\) is shown. The cold feed at \(30^{\circ}\mathrm{C}\) is first preheated to \(T\) (\(T<150^{\circ}\mathrm{C}\)) in heat exchanger \(HX_1\) (using process-to-process heat recovery) and then heated to \(150^{\circ}\mathrm{C}\) in a utility heater \(HX_2\). Mass flow rate and heat capacity are the same for all process streams and the overall heat transfer coefficient is independent of temperature. Which action will increase the value of \(T\)?

Consider a system where a Carnot engine is operating between a source and a sink. Which of the following statements about this system is/are NOT correct?
For a fully developed turbulent flow of an incompressible Newtonian fluid through a pipe of constant diameter, which of the following statements is/are CORRECT?
Given that \(E\) (in W\(\cdot\)m\(^{-2}\)) is the total hemispherical emissive power of a surface maintained at a certain temperature, which of the following statements is/are CORRECT?
The position \(x(t)\) of a particle, at constant \(\omega\), is described by \(\dfrac{d^{2}x}{dt^{2}}=-\omega^{2}x\) with initial conditions \(x(0)=1\) and \(\left.\dfrac{dx}{dt}\right|_{t=0}=0\). The position of the particle at \(t=\dfrac{3\pi}{\omega}\) is ____________ (in integer).
Burning of methane in a combustor yields carbon monoxide, carbon dioxide, and water vapor. Methane is fed to the combustor at 100 mol·hr\(^{-1}\), of which 50% reacts. The theoretical oxygen requirement (in mol·hr\(^{-1}\)) is ______ (rounded off to one decimal place).
The viscosity of an incompressible Newtonian fluid is measured using a capillary tube of diameter \(0.5\ mm\) and length \(1.5\ m\). The fluid flow is laminar, steady and fully developed. For a flow rate of \(1\ cm^3s^{-1}\), the pressure drop across the length of the tube is \(1\ MPa\). If the viscosity of the fluid is \(k \times 10^{-3}\ Pa\cdots\), the value of \(k\) is __________ (rounded off to two decimal places).
A liquid \(L\) containing a dissolved gas \(S\) is stripped in a countercurrent operation using a pure carrier gas \(V\). The liquid phase inlet and outlet mole fractions of \(S\) are \(0.1\) and \(0.01\), respectively. The equilibrium distribution of \(S\) between \(V\) and \(L\) is governed by \(y_e = x_e\), where \(y_e\) and \(x_e\) are the mole fractions of \(S\) in \(V\) and \(L\), respectively. The molar feed rate of the carrier gas stream is twice that of the liquid stream. Under dilute solution conditions, the minimum number of ideal stages required is \(\hspace{2cm}\) (in integer).
In a binary gas-liquid system, \(N_{A,EMD}\) is the molar flux of a gas \(A\) for equimolar counter diffusion with a liquid \(B\). \(N_{A,UMD}\) is the molar flux of \(A\) for steady one-component diffusion through stagnant \(B\). Using the mole fraction of \(A\) in the bulk of the gas phase as 0.2 and that at the gas-liquid interface as 0.1 for both the modes of diffusion, the ratio of \(N_{A,UMD}\) to \(N_{A,EMD}\) is equal to _____ (rounded off to two decimal places).
An exhibition was held in a hall on 15 August 2022 between 3 PM and 4 PM during which any person was allowed to enter only once. Visitors who entered before 3:40 PM exited the hall exactly after 20 minutes from their time of entry. Visitors who entered at or after 3:40 PM, exited exactly at 4 PM. The probability distribution of the arrival time of any visitor is uniform between 3 PM and 4 PM. Two persons \(X\) and \(Y\) entered the exhibition hall independent of each other. Which one of the following values is the probability that their visits to the exhibition overlapped with each other?
Simpson’s one-third rule is used to estimate the definite integral \(I=\displaystyle\int_{-1}^{1}\sqrt{1-x^{2}}\,dx\) with an interval length of \(0.5\). Which one of the following is the CORRECT estimate of \(I\) obtained using this rule?
Match the products in Group 1 with the manufacturing processes in Group 2 listed in the table below.

View Solution
Step 1: Match Acetaldehyde (P).
Acetaldehyde is industrially produced by the Wacker process, where ethylene is oxidized to acetaldehyde using PdCl\(_2\) and CuCl\(_2\). \[ P \;\rightarrow\; III \]
Step 2: Match Sulfuric acid (Q).
Sulfuric acid is manufactured by the Contact process, where SO\(_2\) is oxidized to SO\(_3\) and absorbed in water. \[ Q \;\rightarrow\; IV \]
Step 3: Match Pulp (R).
Wood pulp for paper is produced by the Sulfate process (also known as the Kraft process). \[ R \;\rightarrow\; I \]
Step 4: Match Phosphorus (S).
Elemental phosphorus is manufactured by the Electric furnace process, reducing phosphate rock with coke and silica at high temperatures. \[ S \;\rightarrow\; II \]
Step 5: Final Combination: \[ P-III,\quad Q-IV,\quad R-I,\quad S-II \]
This matches with option (A).
\[ \boxed{Correct Answer: (A)} \] Quick Tip: Wacker process \(\Rightarrow\) Acetaldehyde. Contact process \(\Rightarrow\) Sulfuric acid. Sulfate (Kraft) process \(\Rightarrow\) Pulp. Electric furnace \(\Rightarrow\) Phosphorus.
Match the reactions in Group 1 with the catalysts in Group 2 listed in the table below.

View Solution
Step 1: Identify catalysts for each reaction
P) Chlorination of benzene is an electrophilic substitution that requires a Lewis acid catalyst such as \(\mathrm{FeCl_3}\). Hence \(P\rightarrow III\).
Q) Partial oxidation of ethylene to ethylene oxide is industrially carried out on silver catalysts; represented here as \(\mathrm{Ag_2O}\). Hence \(Q\rightarrow IV\).
R) Oxidation of methanol to formaldehyde (Formox process) uses a mixed oxide catalyst of molybdenum and iron (e.g., \(\mathrm{Fe_2(MoO_4)_3}\)). Hence \(R\rightarrow I\).
S) Oxidation of naphthalene to phthalic anhydride proceeds over \(\mathrm{V_2O_5}\)-based catalysts. Hence \(S\rightarrow II\).
Step 2: Consolidate the matching
\[ P-III,\quad Q-IV,\quad R-I,\quad S-II, \]
which corresponds to option (B). Quick Tip: Remember common industrial pairs:
Benzene halogenation \(\rightarrow\) Lewis acids (\(\mathrm{FeCl_3/AlCl_3}\)).
Ethylene \(\rightarrow\) ethylene oxide \(\rightarrow\) silver.
Methanol \(\rightarrow\) formaldehyde \(\rightarrow\) Fe–Mo mixed oxides (Formox).
Naphthalene/o-xylene \(\rightarrow\) phthalic anhydride \(\rightarrow\) \(\mathrm{V_2O_5}\).
Water in a container at 290 K is exposed to air containing \(3\ %\) \(\mathrm{CO_2}\) by volume. Air behaves like an ideal gas and is maintained at \(100\ kPa\) pressure. The liquid phase comprising of dissolved \(\mathrm{CO_2}\) in water behaves like an ideal solution. Use Henry’s constant of \(\mathrm{CO_2}\) dissolved in water at 290 K as \(12\ MPa\). Under equilibrium conditions, which one of the following is the CORRECT value of the mole fraction of \(\mathrm{CO_2}\) dissolved in water?
The enthalpy (\(H\), in J\(\cdot\)mol\(^{-1}\)) of a binary liquid system at constant temperature and pressure is given as \[ H=40x_1+60x_2+x_1x_2(4x_1+2x_2), \]
where \(x_1\) and \(x_2\) represent the mole fractions of species 1 and 2 in the liquid, respectively. Which one of the following is the CORRECT value of the partial molar enthalpy of species 1 at infinite dilution, \(\overline{H}_1^{\infty}\) (in J\(\cdot\)mol\(^{-1}\))?
Which one of the following represents the CORRECT effects of concentration polarization in a reverse osmosis process?
CO and H\(_2\) participate in a catalytic reaction. The partial pressures (in atm) of the reacting species CO and H\(_2\) in the feed stream are \(p_{CO}\) and \(p_{H_2}\), respectively. While CO undergoes molecular adsorption, H\(_2\) adsorbs via dissociative adsorption (as H atoms). The equilibrium constants (in atm\(^{-1}\)) corresponding to adsorption of CO and H\(_2\) to the catalyst sites are \(K_{CO}\) and \(K_{H_2}\), respectively. Total molar concentration of active sites per unit mass of the catalyst is \(C_t\) (in mol\(\cdot\)(g cat)\(^{-1}\)). Both the adsorption steps are at equilibrium. Which one of the following expressions is the CORRECT ratio of the concentration of catalyst sites occupied by CO to that by hydrogen atoms?
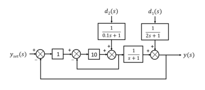
A cascade control strategy is shown in the figure. The transfer function between the output \((y)\) and the secondary disturbance \((d_2)\) is defined as \(G_{d2}(s)=\dfrac{y(s)}{d_2(s)}\).
Which one of the following is the CORRECT expression for \(G_{d2}(s)\)?

Level (\(h\)) in a steam boiler is controlled by manipulating the flow rate (\(F\)) of the make-up water using a proportional (P) controller. The transfer function is \[ \frac{h(s)}{F(s)} = \frac{0.25(1-s)}{s(2s+1)}. \]
The measurement and valve transfer functions are both 1. A process engineer wants the closed-loop response to give decaying oscillations under servo mode. Which one of the following is the CORRECT value of the controller gain?
Which of the following statements is/are CORRECT?
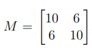
If a matrix \(M\) is defined as
, the sum of all the eigenvalues of \(M^3\) is equal to ________ (in integer).
The first derivative of the function \[ U(r)=4\left[\left(\frac{1}{r}\right)^{12}-\left(\frac{1}{r}\right)^{6}\right] \]
evaluated at \(r=1\) is _______ (in integer).
View Solution
Step 1: Simplify function
\[ U(r)=4\left(r^{-12}-r^{-6}\right). \]
Step 2: Differentiate w.r.t \(r\)
\[ U'(r)=4\left(-12r^{-13}+6r^{-7}\right) =-48r^{-13}+24r^{-7}. \]
Step 3: Evaluate at \(r=1\)
\[ U'(1)=-48(1)^{-13}+24(1)^{-7}=-48+24=-24. \]
Thus the derivative at \(r=1\) is \(\boxed{-24}\). Quick Tip: Always convert reciprocal powers into \(r^{-n}\) before differentiation. For \(U(r)=Ar^{-n}\), derivative is \(-nAr^{-n-1}\).
Wet air containing 10 mole percent water vapor is dried by continuously passing it through a column of CaCl\(_2\) pellets. The pellets remove 50 percent of water from wet air entering the column. The mole percent of water vapor in the product stream exiting the column is __________ (rounded off to two decimal places).
View Solution
Step 1: Assume a basis of \(100\) mol wet air entering.
Water \(=10\) mol; dry air \(=90\) mol.
Step 2: The pellets remove \(50%\) of inlet water: removed water \(=0.5\times 10=5\) mol.
Exit water \(=10-5=5\) mol; dry air unchanged \(=90\) mol.
Step 3: Total exit moles \(=90+5=95\) mol.
Mole percent water at exit: \[ mol % H_2O=\frac{5}{95}\times 100=5.263% \approx \boxed{5.26\ %}. \] Quick Tip: In drying/absorption problems, dry-gas moles remain unchanged if only the condensable component is removed. Use a convenient \(100\) mol basis to convert between mole fraction and mole percent quickly.
Orsat analysis of a stack gas on a dry basis is: \(\mathrm{N_2}=65%\), \(\mathrm{CO_2}=15%\), \(\mathrm{CO}=10%\), \(\mathrm{O_2}=10%\). The measured mole fraction of \(\mathrm{H_2O}\) in the stack gas (wet basis) is \(0.07\). The mole fraction of \(\mathrm{N_2}\) on a wet basis is ______ (rounded off to two decimal places).
View Solution
Step 1: On a wet basis, the water mole fraction is \(y_{H_2O}=0.07\).
Hence the dry-gas fraction in the wet mixture is \(1-y_{H_2O}=0.93\).
Step 2: The dry-basis mole fraction of \(\mathrm{N_2}\) is \(x_{N_2,dry}=0.65\).
Therefore the wet-basis mole fraction is \[ y_{N_2}=x_{N_2,dry}\,(1-y_{H_2O}) =0.65\times 0.93=0.6045\approx \boxed{0.60}. \] Quick Tip: Convert from dry to wet basis by multiplying dry-basis fractions by \((1-y_{H_2O})\). Orsat analysis is always reported on a dry basis (water removed before analysis).
A pump draws water (density \(=1000\ \mathrm{kg\,m^{-3}}\)) at a steady rate of \(10\ \mathrm{kg\,s^{-1}}\). The pressures at the suction and discharge sides of the pump are \(-20\ \mathrm{kPa}\) (gauge) and \(350\ \mathrm{kPa}\) (gauge), respectively. The pipe diameters at the suction and discharge side are \(70\ \mathrm{mm}\) and \(50\ \mathrm{mm}\), respectively. The suction and discharge lines are at the same elevation, and the pump operates at an efficiency of \(80%\). Neglecting frictional losses in the system, the power (in kW) required to drive the pump is _____ (rounded off to two decimal places).
View Solution
Step 1: Convert mass flow to volumetric flow and compute velocities
\[ \dot m = 10\ \mathrm{kg\,s^{-1}},\quad \rho=1000\ \mathrm{kg\,m^{-3}} \Rightarrow Q=\frac{\dot m}{\rho}=0.01\ \mathrm{m^3\,s^{-1}}. \]
Areas: \[ A_s=\frac{\pi (0.07)^2}{4}=3.848\times10^{-3}\ \mathrm{m^2},\quad A_d=\frac{\pi (0.05)^2}{4}=1.963\times10^{-3}\ \mathrm{m^2}. \]
Velocities: \[ V_s=\frac{Q}{A_s}=2.598\ \mathrm{m\,s^{-1}},\quad V_d=\frac{Q}{A_d}=5.093\ \mathrm{m\,s^{-1}}. \]
Step 2: Specific energy added to the fluid (Bernoulli with pump)
Elevation change \(=0\). Pressure rise: \[ \Delta p = 350-(-20)=370\ \mathrm{kPa}=3.70\times10^{5}\ \mathrm{Pa}. \]
Specific energy added: \[ e=\frac{\Delta p}{\rho}+\frac{V_d^{2}-V_s^{2}}{2} =\frac{3.70\times10^{5}}{1000}+\frac{5.093^{2}-2.598^{2}}{2} =379.59\ \mathrm{J\,kg^{-1}}. \]
Step 3: Hydraulic power and shaft power
\[ P_{hyd}=\dot m\,e=10\times 379.59=3795.93\ \mathrm{W}. \]
With efficiency \(\eta=0.80\), \[ P_{shaft}=\frac{P_{hyd}}{\eta} =\frac{3795.93}{0.80}=4744.91\ \mathrm{W} =4.74\ \mathrm{kW}\ (to two decimals). \] Quick Tip: For pump power with negligible losses and equal elevation: \[ P_{shaft}=\frac{\dot m}{\eta}\left(\frac{\Delta p}{\rho}+\frac{V_d^{2}-V_s^{2}}{2}\right). \] Use gauge pressures directly for \(\Delta p\) when both are gauge values.
A cylindrical tank with a diameter of \(500\ mm\) contains water (density \(=1\ g \cdot cm^{-3}\)) up to a height \(h\). A \(5\ mm\) diameter round nozzle, whose center is \(1\ cm\) above the base of the tank, has its exit open to the atmosphere. The pressure above the water level in the tank is maintained at \(2\ bar (abs)\). Neglect all frictional and entry/exit losses. Take \(g=10\ m\,s^{-2}\) and atmospheric pressure \(=1\ bar\). The absolute value of initial \(\dfrac{dh}{dt}\) (in \(mm\,s^{-1}\)) when \(h=51\ cm\) is ______ (rounded off to two decimal places).

A large tank is filled with water (density \(=1\ \mathrm{g\,cm^{-3}}\)) up to a height of \(5\ \mathrm{m}\). A \(100\ \mu\mathrm{m}\) diameter solid spherical particle (density \(=0.8\ \mathrm{g\,cm^{-3}}\)) is released at the bottom of the tank. The particle attains its terminal velocity \((v_t)\) after traveling to a certain height in the tank. Use acceleration due to gravity as \(10\ \mathrm{m\,s^{-2}}\) and water viscosity as \(10^{-3}\ \mathrm{Pa\,s}\). Neglect wall effects on the particle. If Stokes’ law is applicable, the absolute value of \(v_t\) (in \(\mathrm{mm\,s^{-1}}\)) is ________ (rounded off to two decimal places).
A fluid is flowing steadily under laminar conditions over a thin rectangular plate at temperature \(T_s\) as shown. The free-stream velocity and temperature are \(u_\infty\) and \(T_\infty\), respectively. When the fluid flow is only in the \(x\)-direction, \(h_x\) is the local heat transfer coefficient. Similarly, when the fluid flow is only in the \(y\)-direction, \(h_y\) is the corresponding local heat transfer coefficient. Use the correlation \(\mathrm{Nu}=0.332\,\mathrm{Re}^{1/2}\,\mathrm{Pr}^{1/3}\) for the local heat transfer coefficient, where Nu, Re and Pr are the appropriate Nusselt, Reynolds and Prandtl numbers. The average heat transfer coefficients are defined as \(\displaystyle \overline{h}_l=\frac{1}{l}\int_0^l h_x\,dx\) and \(\displaystyle \overline{h}_w=\frac{1}{w}\int_0^w h_y\,dy\). If \(w=1\ m\) and \(l=4\ m\), the value of the ratio \(\overline{h}_w/\overline{h}_l\) is ______ (in integer).

A perfectly insulated, concentric tube countercurrent heat exchanger is used to cool lubricating oil using water as a coolant. Oil enters the outer annulus at a mass flow rate of \(2\ \mathrm{kg\,s^{-1}}\) with a temperature of \(100^{\circ}\mathrm{C}\) and leaves at \(40^{\circ}\mathrm{C}\). Water enters the inner tube at \(1\ \mathrm{kg\,s^{-1}}\) with a temperature of \(20^{\circ}\mathrm{C}\) and leaves at \(80^{\circ}\mathrm{C}\). Specific heats: \(c_{p,oil}=2089\ \mathrm{J\,kg^{-1}K^{-1}}\), \(c_{p,water}=4178\ \mathrm{J\,kg^{-1}K^{-1}}\). No phase change. Under steady state, the number of transfer units (NTU) is ____ (in integer).

Partially saturated air at \(1\ bar\) and \(50°\) is contacted with water in an adiabatic saturator. The air is cooled and humidified to saturation, and exits at \(25°\) with an absolute humidity of \(0.02\ kg water per kg dry air\). Use latent heat of vaporization of water as \(2450\ kJ\,kg^{-1}\), and average specific heats \(c_{p,a}=1.01\ kJ\,kg^{-1}K^{-1}\) (dry air) and \(c_{p,w}=4.18\ kJ\,kg^{-1}K^{-1}\) (liquid water). If the absolute humidity of air entering the adiabatic saturator is \(\mathcal{H}\times 10^{-3}\ kg water per kg dry air\), the value of \(\mathcal{H}\) is ______ (rounded off to two decimal places).
Distillation of a non-reactive binary mixture with components \(A\) and \(B\) is carried out in a batch still as shown. The initial charge in the still is \(1\ kmol\). The initial and final amounts of \(A\) in the still are \(0.1\ kmol\) and \(0.01\ kmol\), respectively. The relative volatility is constant at \(\alpha = 4.5\). The mole fraction of \(B\) remaining in the vessel is _____ (rounded off to three decimal places).

Fresh catalyst is loaded into a reactor for the reaction \(A \rightarrow products\). The catalyst deactivates with time. The instantaneous activity \(a(t)\) is defined as the ratio of the rate \(-r_A'(t)\) (with deactivated catalyst) to the rate with fresh catalyst. Experimental correlation: \[ -r_A'(t) = -0.5\,t + 10 \quad (mol\,(g cat)^{-1} \,hr^{-1} ), \]
with \(t\) in hours. The activity of the catalyst at \(t=10\ hr\) is _____ (rounded off to one decimal place).
A unimolecular, irreversible liquid-phase reaction \(A \rightarrow P\) is carried out in an ideal batch reactor at temperature \(T\). The rate of reaction \((-r_A)\) (in \(mol\,m^{-3}\,s^{-1}\)) measured at different conversions \(X_A\) is given:

The reaction is also carried out in an ideal CSTR at the same \(T\) with a feed concentration \(C_{A0}=1\ mol\,m^{-3}\) under steady state. For a conversion of \(0.8\), the space time (in s) of the CSTR is ______ (in integer).
View Solution
Step 1: For a steady-state CSTR, \[ \tau=\frac{C_{A0}X_A}{-r_A\big|_{exit}}. \]
Step 2: At the desired conversion \(X_A=0.8\), the exit rate from the table is \((-r_A)=0.05\ mol\,m^{-3}\,s^{-1}\).
Step 3: Substitute \(C_{A0}=1\ mol\,m^{-3}\): \[ \tau=\frac{1\times 0.8}{0.05}=16\ s. \] \[ \boxed{16} \] Quick Tip: For CSTR design at a specified conversion, use the exit rate at that conversion: \(\tau=C_{A0}X_A/(-r_A)_{exit}\). The batch data table directly provides \((-r_A)\) vs. \(X_A\), so interpolation at the target \(X_A\) (if needed) gives the required exit rate.
An irreversible liquid-phase second-order reaction \(A \xrightarrow{k} B\) with rate constant \(k=0.2\ \mathrm{L\,mol^{-1}\,min^{-1}}\) is carried out isothermally in a non-ideal reactor. A tracer test gives the residence time distribution \(E(t)\) shown: three rectangles (i), (ii), (iii) of equal areas; rectangles (i) and (ii) span \(t=5\)–\(10\ \mathrm{min}\) (stacked), and (iii) spans \(t=10\)–\(15\ \mathrm{min}\). Pure \(A\) of concentration \(C_{A0}=1.5\ \mathrm{mol\,L^{-1}}\) is fed. Using the segregated model, determine the percentage conversion of \(A\) at the exit (rounded to the nearest integer).
The outlet concentration \(C_A\) of a plug flow reactor (PFR) is controlled by manipulating the inlet concentration \(C_{A0}\). The transfer function is \[ \frac{C_A(s)}{C_{A0}(s)}=\exp\!\left[-\left(\frac{V}{F}\right)(k+s)\right], \]
with \(V=1\ m^3\), \(F=0.1\ m^3min^{-1}\), \(k=0.5\ min^{-1}\). Measurement and valve transfer functions are 1. Find the ultimate gain (proportional controller gain for sustained oscillations).
A measuring instrument has transfer function \[ G_m(s)=\frac{1.05}{2s+1}\,e^{-s}. \]
At \(t=0\), a step of \(+1\) unit is applied. Find the time taken for the output to increase by \(1\) unit.
View Solution
Step 1: The step response of a FOPDT model \(K\,\dfrac{1}{\tau s+1}e^{-Ls}\) is \[ y(t)=K\left[1-e^{-(t-L)/\tau}\right]u(t-L). \]
Here \(K=1.05,\ \tau=2,\ L=1\).
Step 2: Set \(y(t)=1\) and solve for \(t\ge L\): \[ 1=1.05\Big(1-e^{-(t-1)/2}\Big) \;\Rightarrow\; e^{-(t-1)/2}=1-\frac{1}{1.05}=\frac{1}{21}. \] \[ \frac{t-1}{2}=\ln 21 \;\Rightarrow\; t=1+2\ln 21=1+2(3.044522)=7.089\ time units. \]
Rounded to two decimals: \(\boxed{7.09}\). Quick Tip: For a FOPDT device, the output reaches a value \(y^*\) at time \(t=L-\tau\ln(1-y^*/K)\) (for a unit input), remembering to include the pure time delay \(L\).
A design engineer needs to purchase a membrane module (M) for a plant. Two options are available: M1 and M2. The overall plant life is 7 years. Interest rate is \(8%\) per annum, compounded annually. The table gives purchase cost (lakhs of rupees) and expected life (years):

Find the difference in the net present value (NPV) of these two options over the 7-year horizon (lakhs of rupees).
View Solution
Step 1: Over 7 years, replacements are needed to keep the module available.
For M1 (life 5 y): buy at \(t=0\) and again at \(t=5\) y.
For M2 (life 3 y): buy at \(t=0,3,6\) y. Salvage is ignored.
Step 2: Present values with \(i=0.08\). \[ NPV_{M1}=10+\frac{10}{(1.08)^5}=10+\frac{10}{1.4693}=16.81. \] \[ NPV_{M2}=5+\frac{5}{(1.08)^3}+\frac{5}{(1.08)^6} =5+\frac{5}{1.2597}+\frac{5}{1.5869}=12.12. \]
Step 3: Difference: \[ \Delta NPV=NPV_{M1}-NPV_{M2} =16.81-12.12=4.69\approx \boxed{4.7}. \] Quick Tip: For a finite project horizon, count each replacement at its purchase time and discount to present using \((1+i)^{-t}\). If salvage is not specified, ignore it; otherwise include discounted salvage at the horizon.
A distillation column has a purchase cost of Rs. 10 lakhs with an installation factor \(5.8\). The installed capital is annualized over \(6\) years at \(5%\) per annum, compounded annually. Find the annual cost (in lakhs of rupees) of the installed capital.
View Solution
Step 1: Installed capital: \[ C_0=10\times 5.8=58\ lakhs. \]
Step 2: Use capital recovery factor (CRF): \[ CRF=\frac{i(1+i)^n}{(1+i)^n-1},\quad i=0.05,\; n=6. \] \[ (1+i)^n=1.05^6=1.3401,\; CRF=\frac{0.05\times 1.3401}{1.3401-1}=0.1971. \]
Step 3: Annual cost: \[ A=C_0\times CRF=58\times 0.1971=11.42\ lakhs\approx \boxed{11.4}. \] Quick Tip: Annualizing a capital cost uses \(A=C_0 \times CRF\) with \(CRF=\dfrac{i(1+i)^n}{(1+i)^n-1}\). Installation factor converts purchase price to total installed cost before annualization.
Pumps A and B are being considered for purchase in a chemical plant. Cost details are: Pump A — installed cost \(16000\), uniform end-of-year maintenance \(2400\), salvage value \(1000\), service life \(1\) year; Pump B — installed cost \(32000\), uniform end-of-year maintenance \(1600\), salvage value \(S\) (unknown), service life \(2\) years. The interest rate is \(10%\) per annum, compounded annually. For both pumps to have the same capitalized cost, find the salvage value \(S\) of pump B (in Rs., rounded to the nearest integer).











Comments