CBSE Class 12 Physics Question Paper 2024 PDF Set 2 (55/1/2) is available for download here. CBSE conducted the Physics exam on February 21, 2025, from 10:30 AM to 1:30 PM. The total marks for the theory paper are 70. The question paper contains 20% MCQ-based questions, 40% competency-based questions, and 40% short and long answer type questions.
CBSE Class 12 Physics Question Paper 2025 Set 2 (55/1/2) with Answer Key
| CBSE Class 12 2025 Physics Question Paper with Answer Key | Check Solution |

SECTION-A
Question 1:
In the figure, curved lines represent equipotential surfaces. A charge \( Q \) is moved along different paths A, B, C, and D. The work done on the charge will be maximum along the path:

View Solution
Work done on a charge when it moves along an equipotential surface is zero because the potential difference between any two points on the same equipotential surface is zero.
The work done \( W \) when moving a charge \( Q \) between two points with potential difference \( V_1 \) and \( V_2 \) is given by: \[ W = Q(V_2 - V_1) \]
From the figure, the maximum potential difference occurs when the charge moves from the 25V surface to the 10V surface along path D. This gives the maximum potential difference, and thus the maximum work done will be along path D.
Therefore, the correct answer is path D.
Quick Tip: Remember that work done in moving a charge between equipotential surfaces is zero. The maximum work is done when the charge moves between the surfaces with the largest potential difference.
The resistance of a wire of length \( L \) and radius \( r \) is \( R \). Which one of the following would provide a wire of the same material with resistance \( \frac{R}{2} \)?
View Solution
A 1 cm segment of a wire lying along the x-axis carries current of \( 0.5 \, A \) along the \( +x \)-direction. A magnetic field \( \vec{B} = (0.4 \, mT) \hat{j} + (0.6 \, mT) \hat{k} \) is switched on, in the region. The force acting on the segment is:
View Solution
A circular coil of diameter 15 mm having 300 turns is placed in a magnetic field of 30 mT such that the plane of the coil is perpendicular to the direction of the magnetic field. The magnetic field is reduced uniformly to zero in 20 ms and again increased uniformly to 30 mT in 40 ms. If the EMFs induced in the two time intervals are \( e_1 \) and \( e_2 \) respectively, then the value of \( e_1 / e_2 \) is:
View Solution
You are required to design an air-filled solenoid of inductance \( 0.016 \, H \) having a length \( 0.81 \, m \) and radius \( 0.02 \, m \). The number of turns in the solenoid should be:
View Solution
A voltage \( v = v_0 \sin(\omega t) \) applied to a circuit drives a current \( i = i_0 \sin(\omega t + \phi) \) in the circuit. The average power consumed in the circuit over a cycle is:
View Solution
Which one of the following correctly represents the change in wave characteristics (all in vacuum) from microwaves to X-rays in electromagnetic spectrum?
View Solution
The speed of light in two media '1' and '2' are \( v_1 \) and \( v_2 \) (\( v_2 > v_1 \)) respectively. For a ray of light to undergo total internal reflection at the interface of these two media, it must be incident from:
View Solution
A source produces monochromatic light of frequency \( 5.0 \times 10^{14} \, Hz \) and the power emitted is 3.31 mW. The number of photons emitted per second by the source, on an average, is:
View Solution
Which of the following figures correctly represent the shape of the curve of binding energy per nucleon as a function of mass number?

View Solution
When a p-n junction diode is forward biased:
View Solution
Let \( \lambda_e \), \( \lambda_p \), and \( \lambda_d \) be the wavelengths associated with an electron, a proton, and a deuteron, all moving with the same speed. Then the correct relation between them is:
View Solution
Note: Question numbers 13 to 16 are Assertion (A) and Reason (R) type questions. Two
statements are given – one labelled Assertion (A) and the other labelled Reason (R). Select
the correct answer from the codes (A), (B), (C), and (D) as given below.
(A) Both Assertion (A) and Reason (R) are true and Reason (R) is the correct explanation
of Assertion (A).
(B) Both Assertion (A) and Reason (R) are true, but Reason (R) is not the correct
explanation of Assertion (A).
(C) Assertion (A) is true, but Reason (R) is false.
(D) Assertion (A) is false and Reason (R) is also false.
13. Assertion (A): The potential energy of an electron revolving in any stationary orbit in a
hydrogen atom is positive.
Question 13:
Assertion (A): The potential energy of an electron revolving in any stationary orbit in a hydrogen atom is positive.
Reason (R): The total energy of a charged particle is always positive.
View Solution
Assertion (A): We cannot form a p-n junction diode by taking a slab of a p-type semiconductor and physically joining it to another slab of an n-type semiconductor.
Reason (R): In a p-type semiconductor, \( n_e \gg n_h \) while in an n-type semiconductor \( n_h \gg n_e \).
View Solution
Assertion (A): The deflection in a galvanometer is directly proportional to the current passing through it.
Reason (R): The coil of a galvanometer is suspended in a uniform radial magnetic field.
View Solution
Assertion (A): It is difficult to move a magnet into a coil of large number of turns when the circuit of the coil is closed.
Reason (R): The direction of induced current in a coil with its circuit closed, due to motion of a magnet, is such that it opposes the cause.
View Solution
SECTION- B
Question 17:
Show that \( \mathbf{E} = \rho \mathbf{J} \) leads to Ohm's law. Write a condition in which Ohm's law is not valid for a material.
View Solution
Ohm's law states that the current density \( \mathbf{J} \) is proportional to the electric field \( \mathbf{E} \), with the proportionality constant \( \rho \) being the resistivity of the material. This can be written as: \[ \mathbf{J} = \sigma \mathbf{E} \]
where \( \sigma \) is the conductivity, and \( \sigma = \frac{1}{\rho} \).
From this, we can rearrange to get: \[ \mathbf{E} = \rho \mathbf{J} \]
which is the form of the equation as given in the question. This is essentially the statement of Ohm's law in terms of current density.
For Ohm's law to be valid, the relationship between current density and electric field must be linear and independent of the electric field. This holds for materials that behave as ohmic conductors. However, Ohm's law does not apply in cases where the material exhibits nonlinear characteristics, such as:
1. Semiconductors: Where the relationship between current and voltage is nonlinear.
2. Superconductors: Where resistance is zero below a critical temperature, and Ohm’s law does not hold.
3. Non-ohmic materials: Such as materials with temperature-dependent resistivity or materials that exhibit a non-linear relationship between \( \mathbf{E} \) and \( \mathbf{J} \).
Thus, Ohm's law is not valid in these cases. Quick Tip: Ohm's law holds for linear, ohmic conductors, where the current density is proportional to the electric field. In materials with nonlinear responses, such as semiconductors or superconductors, Ohm's law is not valid.
(a) In a diffraction experiment, the slit is illuminated by light of wavelength 600 nm. The first minimum of the pattern falls at \( \theta = 30^\circ \). Calculate the width of the slit.
(b) In a Young's double-slit experiment, two light waves, each of intensity \( I_0 \), interfere at a point, having a path difference \( \frac{\lambda}{2} \) on the screen. Find the intensity at this point.
A spherical convex surface of radius of curvature \( R \) separates glass (refractive index \( 1.5 \)) from air. Light from a point source placed in air at a distance \( \frac{R}{2} \) from the surface falls on it. Find the position and nature of the image formed.
The energy of an electron in an orbit of Bohr hydrogen atom is \( -3.4 \, eV \). Find its angular momentum.
A p-type Si semiconductor is made by doping an average of one dopant atom per \( 5 \times 10^7 \) silicon atoms. If the number density of silicon atoms in the specimen is \( 5 \times 10^{28} \, atoms/m^3 \), find the number of holes created per cubic centimetre in the specimen due to doping. Also, give one example of such dopants.
SECTION-C
Question 22:
Two batteries of emfs 3V and 6V and internal resistances 0.2Ω and 0.4Ω are connected in parallel. This combination is connected to a 4Ω resistor. Find:
(i) the equivalent emf of the combination
(ii) the equivalent internal resistance of the combination
(iii) the current drawn from the combination
View Solution
(i) The two batteries are connected in parallel, so the equivalent emf \( E_{eq} \) can be found using the formula: \[ E_{eq} = \frac{E_1 r_2 + E_2 r_1}{r_1 + r_2} \]
where \( E_1 = 3V, E_2 = 6V, r_1 = 0.2 \, \Omega, r_2 = 0.4 \, \Omega \).
Substitute the values into the equation: \[ E_{eq} = \frac{(3 \times 0.4) + (6 \times 0.2)}{0.2 + 0.4} = \frac{1.2 + 1.2}{0.6} = \frac{2.4}{0.6} = 4V \]
Thus, the equivalent emf of the combination is \( 4V \).
(ii) The equivalent internal resistance \( r_{eq} \) is found by: \[ r_{eq} = \frac{r_1 r_2}{r_1 + r_2} \]
Substitute the values: \[ r_{eq} = \frac{(0.2 \times 0.4)}{0.2 + 0.4} = \frac{0.08}{0.6} = 0.1333 \, \Omega \]
Thus, the equivalent internal resistance of the combination is \( 0.1333 \, \Omega \).
(iii) The total resistance in the circuit is the sum of the internal resistance \( r_{eq} \) and the external resistor \( R = 4 \, \Omega \). The total resistance \( R_{total} \) is: \[ R_{total} = r_{eq} + R = 0.1333 + 4 = 4.1333 \, \Omega \]
Using Ohm's law, the current \( I \) drawn from the combination is: \[ I = \frac{E_{eq}}{R_{total}} = \frac{4}{4.1333} = 0.968 \, A \]
Thus, the current drawn from the combination is \( 0.968 \, A \). Quick Tip: For parallel connections of batteries, the equivalent emf is a weighted average of the individual emfs, and the equivalent internal resistance is found using the formula for parallel resistances.
(i) A conductor of length \( l \) is connected across an ideal cell of emf \( E \). Keeping the cell connected, the length of the conductor is increased to \( 2l \) by gradually stretching it. If \( R \) and \( R' \) are the initial and final values of resistance, and \( v_d \) and \( v'_d \) are the initial and final values of drift velocity, find the relation between (i) \( R' \) and \( R \) and (ii) \( v'_d \) and \( v_d \).
Define the magnetic moment of a current-carrying coil. Write its SI unit.
A coil of 60 turns and area \( 1.5 \times 10^{-3} \, m^2 \) carrying a current of 2 A lies in a vertical plane. It experiences a torque of 0.12 Nm when placed in a uniform horizontal magnetic field. The torque acting on the coil changes to 0.05 Nm after the coil is rotated about its diameter by 90°. Find the magnitude of the magnetic field.
Consider two long co-axial solenoids \( S_1 \) and \( S_2 \), each of length \( l \) (\( l \gg r_2 \)) and radius \( r_1 \) and \( r_2 \) (\( r_2 > r_1 \)). The number of turns per unit length are \( n_1 \) and \( n_2 \), respectively. Derive an expression for mutual inductance \( M_{12} \) of solenoid \( S_1 \) with respect to solenoid \( S_2 \). Show that \( M_{21} = M_{12} \).
A parallel plate capacitor is charged by an ac source. Show that the sum of conduction current (\( I_c \)) and the displacement current (\( I_d \)) has the same value at all points of the circuit.
In case (a) above, is Kirchhoff's first rule (junction rule) valid at each plate of the capacitor? Explain.
Draw a plot of frequency \( \nu \) of incident radiations as a function of stopping potential \( V_0 \) for a given photoemissive material. What information can be obtained from the value of the intercept on the stopping potential axis?
Calculate: (i) the momentum and (ii) de Broglie wavelength, of an electron with kinetic energy of 80 eV.
Draw circuit arrangement for studying V-I characteristics of a p-n junction diode.
Show the shape of the characteristics of a diode.
Mention two information that you can get from these characteristics.
Define 'Mass defect' and 'Binding energy' of a nucleus. Describe 'Fission process' on the basis of binding energy per nucleon.
A deuteron contains a proton and a neutron and has a mass of 2.013553 u. Calculate the mass defect for it in u and its energy equivalence in MeV. (Mass of proton \( m_p = 1.007277 \, u \), mass of neutron \( m_n = 1.008665 \, u \), 1 u = 931.5 MeV/c\(^2\))
SECTION-D
Question numbers 29 and 30 are case study based questions. Read the following
paragraphs and answer the questions that follow.
Question 29(i):
A thin lens is a transparent optical medium bounded by two surfaces, at least one of which should be spherical. Applying the formula for image formation by a single spherical surface successively at the two surfaces of a lens, one can obtain the 'lens maker formula' and then the 'lens formula'. A lens has two foci - called 'first focal point' and 'second focal point' of the lens, one on each side.
View Solution
A thin lens is a transparent optical medium with two spherical surfaces, and it can be treated as the combination of two spherical surfaces. The lens maker formula gives the focal length \( f \) of the lens in terms of the refractive index \( n \), the radii of curvature \( R_1 \) and \( R_2 \) of the two surfaces, and the thickness of the lens (if required). The formula is: \[ \frac{1}{f} = (n - 1) \left( \frac{1}{R_1} - \frac{1}{R_2} \right) \]
where:
- \( f \) is the focal length of the lens,
- \( R_1 \) and \( R_2 \) are the radii of curvature of the first and second spherical surfaces of the lens, and
- \( n \) is the refractive index of the material of the lens.
For a thin lens, the lens formula is given by: \[ \frac{1}{f} = \frac{1}{v} - \frac{1}{u} \]
where:
- \( f \) is the focal length,
- \( v \) is the image distance (distance from the lens to the image),
- \( u \) is the object distance (distance from the lens to the object).
The lens has two foci, one on each side, known as the first focal point and the second focal point. Quick Tip: The lens maker formula gives the focal length of a lens based on the radii of curvature of its surfaces and its refractive index. The lens formula relates the focal length, object distance, and image distance.
Consider the arrangement shown in the figure. A black vertical arrow and a horizontal thick line with a ball are painted on a glass plate. It serves as the object. When the plate is illuminated, its real image is formed on the screen.
Which of the following correctly represents the image formed on the screen?
View Solution
Which of the following statements is incorrect?
(A) For a convex mirror, magnification is always negative.
(B) For all virtual images formed by a mirror, magnification is positive.
(C) For a concave lens, magnification is always positive.
(D) For real and inverted images, magnification is always negative.
View Solution
A convex lens of focal length \( f \) is cut into two equal parts perpendicular to the principal axis. The focal length of each part will be:
(A) \( f \)
(B) \( 2f \)
(C) \( \frac{f}{2} \)
(D) \( \frac{f}{4} \)
View Solution
If an object in case (i) above is 20 cm from the lens and the screen is 50 cm away from the object, the focal length of the lens used is:
(A) 10 cm
(B) 12 cm
(C) 16 cm
(D) 20 cm
View Solution
The distance of an object from the first focal point of a biconvex lens is \( X_1 \) and distance of the image from second focal point is \( X_2 \). The focal length of the lens is:
(A) \( X_1 X_2 \)
(B) \( \sqrt{X_1 + X_2} \)
(C) \( \sqrt{X_1 X_2} \)
(D) \( \frac{X_2}{X_1} \)
View Solution
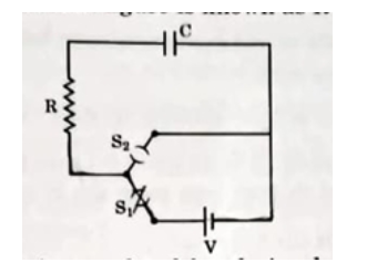
Question 30:
A circuit consisting of a capacitor \( C \), a resistor of resistance \( R \) and an ideal battery of emf \( V \), as shown in the figure is known as an RC series circuit.

As soon as the circuit is completed by closing key \( S_1 \) (keeping \( S_2 \) open), charges begin to flow between the capacitor plates and the battery terminals. The charge on the capacitor increases and consequently the potential difference \( V_C = \frac{q}{C} \) across the capacitor also increases with time. When this potential difference equals the potential difference across the battery, the capacitor is fully charged (\( Q = VC \)). During this process of charging, the charge \( q \) on the capacitor changes with time \( t \) as \[ q = Q \left( 1 - e^{-t/RC} \right) \]
The charging current can be obtained by differentiating it and using \[ \frac{d}{dt} (e^{m t}) = m e^{m t} \]
Consider the case when \( R = 20 \, k\Omega \), \( C = 500 \, \mu F \), and \( V = 10 \, V \).
Question 30:
(i). The final charge on the capacitor, when key \( S_1 \) is closed and \( S_2 \) is open, is:
(A) 5 µC
(B) 5 mC
(C) 25 mC
(D) 0.1 C
View Solution
For sufficient time the key \( S_1 \) is closed and \( S_2 \) is open. Now key \( S_2 \) is closed and \( S_1 \) is open. What is the final charge on the capacitor?
(A) Zero
(B) 5 mC
(C) 2.5 mC
(D) 5 µC
View Solution
The dimensional formula for \( RC \) is:
(A) [M L\(^2\) T\(^3\) A\(^-2\)]
(B) [M\(^0\) L\(^0\) T\(^1\) A\(^0\)]
(C) [M\(^1\) L\(^2\) T\(^4\) A\(^2\)]
(D) [M\(^0\) L\(^0\) T\(^1\) A\(^1\)]
View Solution
The key \( S_1 \) is closed and \( S_2 \) is open. The value of current in the resistor after 5 seconds is:
(A) \( \frac{1}{\sqrt{e}} \, mA \)
(B) \( \sqrt{e} \, mA \)
(C) \( \frac{1}{\sqrt{2}} \, mA \)
(D) \( \frac{1}{2e} \, mA \)
View Solution
The key \( S_1 \) is closed and \( S_2 \) is open. The initial value of charging current in the resistor is:
(A) 5 mA
(B) 0.5 mA
(C) 2 mA
(D) 1 mA
View Solution
SECTION-E
Question 31(i)(i):
What are coherent sources? Why are they necessary for observing a sustained interference pattern?
View Solution
Coherent sources are sources of light that emit waves with a constant phase relationship between them. In other words, the difference in phase between the waves emitted from two coherent sources remains constant over time.
Coherent sources are necessary for observing a sustained interference pattern because:
1. Interference occurs when two waves superpose, and for this superposition to lead to a stable interference pattern, the waves must have a constant phase difference.
2. If the phase difference between the two waves keeps changing, the interference pattern would be unstable and will constantly shift. Only with coherent sources can the constructive and destructive interference patterns be sustained over time.
Quick Tip: Coherent sources have a constant phase difference, which is essential for the formation of stable and sustained interference patterns.
Two slits 0.1 mm apart are arranged 1.20 m from a screen. Light of wavelength 600 nm from a distant source is incident on the slits.
How far apart will adjacent bright interference fringes be on the screen?
Find the angular width (in degree) of the first bright fringe.
Define a wavefront. An incident plane wave falls on a convex lens and gets refracted through it. Draw a diagram to show the incident and refracted wavefront.
Two point charges \( 5 \, \mu C \) and \( -1 \, \mu C \) are placed at points \((-3 \, cm, 0, 0)\) and \((3 \, cm, 0, 0)\) respectively. An external electric field \( \vec{E} = \frac{A}{r^2} \hat{r} \) where \( A = 3 \times 10^5 \, V/m \) is switched on in the region.
Calculate the change in electrostatic energy of the system due to the electric field.
A system of two conductors is placed in air and they have net charge of \( +80 \, \mu C \) and \( -80 \, \mu C \) which causes a potential difference of 16 V between them.
Find the capacitance of the system.
If the air between the capacitor is replaced by a dielectric medium of dielectric constant 3, what will be the potential difference between the two conductors?
If the charges on two conductors are changed to \( +160 \, \mu C \) and \( -160 \, \mu C \), will the capacitance of the system change? Give reason for your answer.
Consider three metal spherical shells A, B, and C, each of radius \( R \). Each shell is having a concentric metal ball of radius \( R/10 \). The spherical shells A, B, and C are given charges \( +6q, -4q, \) and \( +14q \) respectively. Their inner metal balls are also given charges \( -2q, +8q, \) and \( -10q \) respectively. Compare the magnitude of the electric fields due to shells A, B, and C at a distance \( 3R \) from their centres.
A charge \( -6 \, \mu C \) is placed at the centre B of a semicircle of radius 5 cm, as shown in the figure. An equal and opposite charge is placed at point D at a distance of 10 cm from B. A charge \( +5 \, \mu C \) is moved from point C to point A along the circumference. Calculate the work done on the charge.
A proton moving with velocity \( \vec{V} \) in a non-uniform magnetic field traces a path as shown in the figure. The path followed by the proton is always in the plane of the paper. What is the direction of the magnetic field in the region near points P, Q, and R? What can you say about the relative magnitude of magnetic fields at these points?
A current-carrying circular loop of area \( A \) produces a magnetic field \( B \) at its centre. Show that the magnetic moment of the loop is: \[ \mu = \frac{2 B A}{\mu_0} \sqrt{\frac{A}{\pi}} \]
Derive an expression for the torque acting on a rectangular current loop suspended in a uniform magnetic field.
A charged particle is moving in a circular path with velocity \( \vec{V} \) in a uniform magnetic field \( \vec{B} \). It is made to pass through a sheet of lead and as a consequence, it loses one half of its kinetic energy without change in its direction. How will (1) the radius of its path (2) its time period of revolution change?







Comments