The CBSE Class 12 Physics Question Paper 2026 Set 2 is available for download here of CBSE Board Exam 2026. This CBSE 12th Physics solved question paper includes detailed solutions, answer key, and the latest CBSE marking scheme to help students understand the exam pattern and important topics.
By practicing the CBSE Class 12 Physics 2026 board exam paper PDF, students can improve answer-writing strategy, time management, and overall exam performance.
Also Check: JEE Main 2026 Question Paper with Solution PDF
CBSE Class 12 Physics Question Paper 2026 Set-2 Code (55-4-2) With Solutions
| CBSE Class 12 Physics Question Paper 2026 Set-2 Code (55-4-2) | Download PDF | Check Solutions |

A wire is gradually stretched to make it 100% longer. Its resistance will increase by :
View Solution
When a wire is stretched, its length increases and its cross-sectional area decreases, while the volume remains constant. This affects the resistance significantly.
Step 1: Initial parameters
Let:
Initial length = \( l \)
Initial area = \( A \)
Initial resistance = \( R = \rho \frac{l}{A} \)
Volume \( V = l \times A \) (constant)
Step 2: After stretching
The wire is made 100% longer, so new length: \[ l' = l + 100% of l = l + l = 2l \]
Since volume remains constant: \[ V = l \times A = l' \times A' \] \[ l \times A = 2l \times A' \] \[ A' = \frac{A}{2} \]
Step 3: New resistance
\[ R' = \rho \frac{l'}{A'} = \rho \frac{2l}{A/2} = \rho \frac{2l \times 2}{A} = \rho \frac{4l}{A} = 4R \]
Step 4: Percentage increase
Increase in resistance = \( R' - R = 4R - R = 3R \)
Percentage increase = \( \frac{3R}{R} \times 100% = 300% \)
Conclusion: When a wire is stretched to double its original length, its resistance becomes 4 times, i.e., increases by 300%.
Final Answer: (C) 300% Quick Tip: When wire is stretched to \( n \) times original length, resistance becomes \( n^2 \) times original (volume constant). For 100% increase (\( n = 2 \)), resistance becomes \( 2^2 = 4 \) times = 300% increase.
A closely wound long solenoid of self-inductance L is cut into two identical solenoids. The value of self-inductance of each small solenoid will be :
View Solution
Self-inductance of a long solenoid depends on its physical parameters. Let's analyze how cutting the solenoid affects its inductance.
Step 1: Formula for self-inductance of solenoid
For a long solenoid: \[ L = \mu_0 n^2 A l \]
where:
\( n \) = number of turns per unit length = \( \frac{N}{l} \)
\( N \) = total number of turns
\( A \) = cross-sectional area
\( l \) = length of solenoid
Substituting \( n = \frac{N}{l} \): \[ L = \mu_0 \left(\frac{N}{l}\right)^2 A l = \mu_0 \frac{N^2 A}{l} \]
Step 2: Initial solenoid parameters
Let the original solenoid have:
Total turns = \( N \)
Length = \( l \)
Area = \( A \)
Inductance = \( L = \mu_0 \frac{N^2 A}{l} \)
Step 3: After cutting into two identical solenoids
When cut into two identical solenoids:
Each small solenoid has length = \( \frac{l}{2} \)
Number of turns in each = \( \frac{N}{2} \) (since winding is uniform)
Area \( A \) remains same
Step 4: Inductance of each small solenoid
\[ L' = \mu_0 \frac{(N/2)^2 A}{(l/2)} = \mu_0 \frac{N^2/4 \times A}{l/2} \]
\[ L' = \mu_0 \frac{N^2 A}{4} \times \frac{2}{l} = \mu_0 \frac{N^2 A}{2l} \]
\[ L' = \frac{1}{2} \left( \mu_0 \frac{N^2 A}{l} \right) = \frac{L}{2} \]
Conclusion: Each small solenoid has half the inductance of the original solenoid.
Final Answer: (A) \( \frac{L}{2} \) Quick Tip: Inductance of solenoid \( L \propto \frac{N^2}{l} \). When cut into two equal parts, turns become half and length becomes half, so \( L' \propto \frac{(N/2)^2}{l/2} = \frac{N^2/4}{l/2} = \frac{N^2}{2l} \), which is half of original.
Which of the following characteristics of electrons determines the current in the conductor?
View Solution
Current in a conductor is the flow of electric charge. Understanding the difference between drift velocity and thermal velocity is essential.
Step 1: Definitions
Thermal Velocity: Electrons in a conductor are in constant random motion due to thermal energy. At room temperature, this velocity is very high (∼10⁵ m/s) but random in direction. The net displacement due to thermal motion is zero, so it does not contribute to current.
Drift Velocity (\(v_d\)): When an electric field is applied, electrons acquire a small net velocity in the direction opposite to the field (towards positive terminal). This velocity is superimposed on the random thermal motion. Drift velocity is typically very small (∼10⁻⁴ m/s) but directed, so it causes net charge flow.
Step 2: Formula for current
Current in a conductor is given by: \[ I = n e A v_d \]
where:
\(n\) = number density of electrons
\(e\) = charge of electron
\(A\) = cross-sectional area
\(v_d\) = drift velocity
Step 3: Why only drift velocity matters
Thermal velocity is random in direction, so its average over all electrons is zero. Therefore, it contributes nothing to net current.
Drift velocity represents the net directed motion of electrons under applied electric field, which is solely responsible for current.
Conclusion: Current depends only on drift velocity, not on thermal velocity.
Final Answer: (A) Drift velocity only Quick Tip: Thermal velocity = random motion (no net current). Drift velocity = directed motion under electric field (determines current). Formula: \( I = neAv_d \)
Two particles of masses \(m_1\) and \(m_2\) having charges \(q_1\) and \(q_2\) respectively are projected with the same velocity in a region of uniform magnetic field \(\vec{B}\) pointing vertically upward. If they describe circular paths as shown in the figure, one may conclude that :

View Solution
Step 1: Understanding the Concept:
When a charged particle enters a magnetic field perpendicularly, it moves in a circular path where the magnetic force provides the centripetal force.
Step 2: Key Formula or Approach:
The radius of the circular path is given by \( r = \frac{mv}{qB} \).
Given: both particles have the same velocity \( v \) and are in the same magnetic field \( B \).
Therefore, \( r \propto \frac{m}{q} \).
Step 3: Detailed Explanation:
From the figure provided in the question, we can see that the radius of path 2 is greater than the radius of path 1.
\[ r_2 > r_1 \]
Substituting the formula for radius:
\[ \frac{m_2 v}{q_2 B} > \frac{m_1 v}{q_1 B} \]
Cancelling \( v \) and \( B \) from both sides:
\[ \frac{m_2}{q_2} > \frac{m_1}{q_1} \]
Rearranging the terms to match the options:
\[ \frac{m_1}{m_2} < \frac{q_1}{q_2} \]
Step 4: Final Answer:
The correct relation is \( \frac{m_1}{m_2} < \frac{q_1}{q_2} \).
Quick Tip: Radius is proportional to the specific mass (\(m/q\)). A larger radius implies a larger \(m/q\) ratio. In the diagram, particle 2 turns less sharply, implying it has a larger radius.
Paschen series in spectrum of hydrogen atom lies in :
View Solution
Step 1: Understanding the Concept:
The spectral series of hydrogen correspond to electronic transitions between different energy levels. Each series falls into a specific region of the electromagnetic spectrum.
Step 2: Detailed Explanation:
The transitions and their regions are:
1. Lyman Series (\( n_1 = 1 \)): Ultraviolet (UV) region.
2. Balmer Series (\( n_1 = 2 \)): Visible region.
3. Paschen Series (\( n_1 = 3 \)): Near-infrared (IR) region.
4. Brackett Series (\( n_1 = 4 \)): Infrared (IR) region.
5. Pfund Series (\( n_1 = 5 \)): Far-infrared (IR) region.
Step 3: Final Answer:
The Paschen series lies in the infrared region.
Quick Tip: Remember the sequence: UV \(\rightarrow\) Visible \(\rightarrow\) Infrared. Lyman is UV, Balmer is visible, and all others (Paschen, Brackett, Pfund) are in the infrared region.
The kinetic energy of a charged particle is increased to four times of its initial value. The de Broglie wavelength associated with the particle will :
View Solution
Step 1: Understanding the Concept:
The de Broglie wavelength is the wavelength associated with a moving particle, which depends on its momentum or kinetic energy.
Step 2: Key Formula or Approach:
The de Broglie wavelength \( \lambda \) is given by:
\[ \lambda = \frac{h}{p} = \frac{h}{\sqrt{2mK}} \]
where \( h \) is Planck's constant, \( m \) is mass, and \( K \) is kinetic energy.
From this, \( \lambda \propto \frac{1}{\sqrt{K}} \).
Step 3: Detailed Explanation:
Let initial kinetic energy be \( K_1 \) and initial wavelength be \( \lambda_1 \).
New kinetic energy \( K_2 = 4K_1 \).
New wavelength \( \lambda_2 = \frac{h}{\sqrt{2m(4K_1)}} = \frac{1}{2} \left( \frac{h}{\sqrt{2mK_1}} \right) = \frac{\lambda_1}{2} \).
The change in wavelength is \( \Delta \lambda = \lambda_2 - \lambda_1 = \frac{\lambda_1}{2} - \lambda_1 = -\frac{\lambda_1}{2} \).
Percentage change = \( \frac{\Delta \lambda}{\lambda_1} \times 100 = \frac{-\lambda_1/2}{\lambda_1} \times 100 = -50% \).
The negative sign indicates a decrease.
Step 4: Final Answer:
The de Broglie wavelength decreases by 50% of its initial value.
Quick Tip: Whenever Energy becomes \( n \) times, the wavelength becomes \( \frac{1}{\sqrt{n}} \) times. Here \( n=4 \), so wavelength becomes \( \frac{1}{\sqrt{4}} = \frac{1}{2} = 50% \) of original, which is a 50% decrease.
In a reversed-biased p-n junction diode, the applied voltage mostly drops across :
View Solution
Step 1: Understanding the Concept:
In reverse bias, the positive terminal of the battery is connected to the n-region and the negative terminal to the p-region. This widens the depletion region.
Step 2: Detailed Explanation:
The depletion region contains immobile ions and has very few charge carriers (electrons and holes).
Because of the lack of charge carriers, the resistance of the depletion region is extremely high compared to the p and n regions.
In a series circuit, voltage drops across the highest resistance.
Therefore, almost all the external reverse-bias voltage drops across the depletion region.
Step 3: Final Answer:
The voltage mostly drops across the depletion region.
Quick Tip: Think of the depletion region as an insulator or a very high-value resistor in reverse bias. Most of the potential difference is required to push against the wide barrier formed there.
A coil having 100 closely wound turns and area of cross-section 300 \(mm^2\) carries a current of 5 mA. The magnitude of the magnetic moment associated with the coil is :
View Solution
Step 1: Understanding the Concept:
The magnetic moment of a current-carrying coil is a vector quantity that represents the magnetic strength and orientation of the coil.
Step 2: Key Formula or Approach:
Magnetic moment \( M = NIA \)
where:
\( N = \) Number of turns = 100
\( I = \) Current = \( 5 mA = 5 \times 10^{-3} A \)
\( A = \) Area = \( 300 mm^2 = 300 \times 10^{-6} m^2 \)
Step 3: Detailed Explanation:
Substitute the values into the formula:
\[ M = 100 \times (5 \times 10^{-3}) \times (300 \times 10^{-6}) \]
\[ M = 100 \times 5 \times 300 \times 10^{-9} \]
\[ M = 150000 \times 10^{-9} \]
\[ M = 1.5 \times 10^{5} \times 10^{-9} \]
\[ M = 1.5 \times 10^{-4} Am^2 \]
Step 4: Final Answer:
The magnetic moment is \( 1.5 \times 10^{-4} Am^2 \).
Quick Tip: Always ensure all units are converted to SI (Amperes, meters squared) before performing calculations to avoid power-of-ten errors. \( 1 mm^2 = 10^{-6} m^2 \).
An ac voltage is given as v = 14 sin (314t) V. The average and the effective value of the voltage (in V) over a cycle are respectively :
View Solution
Step 1: Understanding the Concept:
The standard equation for AC voltage is \( v = V_0 \sin(\omega t) \).
The average value of a sinusoidal AC voltage over a full cycle is zero because the positive and negative half-cycles cancel each other out.
The effective value (also called the Root Mean Square value, \( V_{rms} \)) is the DC equivalent value that produces the same heating effect.
Step 2: Key Formula or Approach:
\( V_{rms} = \frac{V_0}{\sqrt{2}} \)
From the given equation \( v = 14 \sin(314t) \), the peak voltage \( V_0 = 14 V \).
Step 3: Detailed Explanation:
1. Average value over a full cycle = 0.
2. Effective value \( V_{rms} = \frac{14}{\sqrt{2}} \).
Using \( \sqrt{2} \approx 1.414 \):
\[ V_{rms} = \frac{14}{1.414} \approx 9.9 V \approx 10 V \]
Step 4: Final Answer:
The values are 0 V and 10 V respectively.
Quick Tip: Average value of \textbf{any} sinusoidal function over a full period is exactly 0. For quick calculations, remember \( \frac{1}{\sqrt{2}} \approx 0.707 \). So, \( 14 \times 0.707 \approx 9.9 \approx 10 \).
The ratio of amplitude of electric field to the amplitude of the magnetic field associated with an electromagnetic wave propagating in glass (n = 1.5) is :
View Solution
Step 1: Understanding the Concept:
In any electromagnetic wave, the ratio of the amplitude of the electric field (\( E_0 \)) to the amplitude of the magnetic field (\( B_0 \)) is equal to the speed of the wave in that medium.
Step 2: Key Formula or Approach:
Speed of light in a medium \( v = \frac{E_0}{B_0} = \frac{c}{n} \)
where:
\( c = \) speed of light in vacuum = \( 3 \times 10^8 m/s \)
\( n = \) refractive index of the medium = 1.5
Step 3: Detailed Explanation:
Substitute the values:
\[ \frac{E_0}{B_0} = \frac{3 \times 10^8}{1.5} \]
\[ \frac{E_0}{B_0} = 2 \times 10^8 m/s \]
Step 4: Final Answer:
The ratio is \( 2 \times 10^8 ms^{-1} \).
Quick Tip: The ratio \( E/B \) always has the dimensions of velocity. In vacuum it is \( c \), and in a medium it is \( c/n \).
Radiation of wavelength 331 nm irradiates the following metals :
Which of the following statements is correct ?

View Solution
Step 1: Understanding the Concept:
Photoelectric emission occurs only if the energy of the incident photon (\( E \)) is greater than or equal to the work function (\( \phi \)) of the metal.
Step 2: Key Formula or Approach:
Energy of a photon \( E = \frac{hc}{\lambda} \).
Using the shortcut formula in eV-nm:
\[ E (in eV) \approx \frac{1240}{\lambda (in nm)} \]
Step 3: Detailed Explanation:
Calculate the energy of the incident radiation:
\[ E = \frac{1240}{331} \approx 3.746 eV \]
Now, compare this energy with the given work functions:
1. For Na: \( E (3.746) > 1.92 \) \(\rightarrow\) Emission occurs.
2. For K: \( E (3.746) > 2.15 \) \(\rightarrow\) Emission occurs.
3. For Ca: \( E (3.746) > 3.20 \) \(\rightarrow\) Emission occurs.
4. For Mo: \( E (3.746) < 4.17 \) \(\rightarrow\) Emission does NOT occur.
Thus, Na, K, and Ca will show emission, while Mo will not.
Step 4: Final Answer:
Only Mo will not show photoelectric emission.
Quick Tip: Remember \( 1240/\lambda(nm) \) to get energy in eV instantly. It saves a lot of time compared to multiplying \( h \) and \( c \) separately.
In an experiment on photoelectric emission, the intensity of incident radiation is halved keeping its frequency constant. As a result :
View Solution
Step 1: Understanding the Concept:
According to Einstein's photoelectric equation, \( K_{max} = h\nu - \phi \).
The maximum kinetic energy (\( K_{max} \)) and the cut-off potential (\( V_0 \), where \( eV_0 = K_{max} \)) depend only on the frequency of the incident radiation and the nature of the material.
Step 2: Detailed Explanation:
1. Frequency dependence: If frequency is constant, \( K_{max} \) and \( V_0 \) remain unchanged.
2. Intensity dependence: Intensity is the number of photons striking per unit area per unit time. Photocurrent is directly proportional to intensity. If intensity is halved, the photocurrent will also be halved (not increase).
Therefore, options (A), (C), and (D) are incorrect.
Option (B) is correct because \( K_{max} \) does not depend on intensity.
Step 3: Final Answer:
Maximum kinetic energy of photoelectrons will remain the same.
Quick Tip: Intensity changes \textbf{Quantity} (number of electrons/current).
Frequency changes \textbf{Quality} (energy of electrons/potential).
Assertion (A) : The conductivity of an n-type semiconductor is higher than that of a p-type semiconductor at a given temperature.
Reason (R) : The electrons being in the conduction band in n-type semiconductor are more mobile than the holes in the valence band in p-type semiconductor.
View Solution
Step 1: Understanding the Concept:
Conductivity (\( \sigma \)) in semiconductors depends on the concentration and mobility (\( \mu \)) of charge carriers: \( \sigma = ne\mu_e + pe\mu_h \).
Step 2: Detailed Explanation:
1. In n-type semiconductors, majority carriers are electrons. In p-type, majority carriers are holes.
2. Electrons move in the conduction band, while holes move in the valence band.
3. Electrons have a smaller effective mass than holes because the conduction band is less packed and more energetic than the valence band. Thus, electron mobility (\( \mu_e \)) is greater than hole mobility (\( \mu_h \)).
4. Due to this higher mobility, for similar doping concentrations, n-type semiconductors exhibit higher conductivity than p-type semiconductors.
The Reason correctly explains why n-type has higher conductivity.
Step 3: Final Answer:
Assertion and Reason are both true and the Reason is the correct explanation.
Quick Tip: Always remember: electrons are "faster" than holes. This is why n-p-n transistors are preferred over p-n-p transistors for high-frequency switching.
Assertion (A) : The work done, in taking a unit charge around a closed loop of an electric circuit involving cells and resistors in the loop, is zero.
Reason (R) : The potential at a point depends on the location of the point in the loop. After completing one round, the charge comes back to the point of start.
View Solution
Step 1: Understanding the Concept:
This assertion relates to Kirchhoff's Voltage Law (KVL), which is a statement of the conservation of energy in an electric circuit.
Step 2: Detailed Explanation:
1. Electrostatic forces are conservative in nature. The work done by a conservative force on a charge moved around a closed path is zero.
2. Potential is a state function. If a charge starts at potential \( V_A \), travels through resistors and batteries, and returns to point A, its final potential is still \( V_A \).
3. The net change in potential \( \Delta V = V_{final} - V_{initial} = V_A - V_A = 0 \).
4. Since \( W = q \Delta V \), the total work done is zero.
The Reason correctly points out that potential depends on location and returning to the same location implies zero net potential change.
Step 3: Final Answer:
Assertion and Reason are both true and the Reason is the correct explanation.
Quick Tip: KVL is essentially saying that energy gained (from cells) must equal energy lost (across resistors) in a loop, so the net change is zero.
Assertion (A) : When a ferromagnetic substance is heated to high temperature it becomes paramagnetic in nature.
Reason (R) : The disappearance of magnetisation of a ferromagnet is abrupt and not gradual.
View Solution
Step 1: Understanding the Concept:
The magnetic properties of materials are affected by thermal agitation, which disrupts the alignment of atomic dipoles.
Step 2: Detailed Explanation:
1. In a ferromagnet, domains are aligned. As temperature increases, thermal vibrations begin to misalign these domains.
2. There exists a critical temperature called the Curie Temperature (\( T_C \)). Above this temperature, the alignment is completely destroyed, and the substance behaves like a paramagnet. Thus, Assertion (A) is true.
3. The process of losing magnetization is gradual as temperature increases towards \( T_C \). Magnetization decreases steadily until it drops to zero at \( T_C \). It is not an abrupt "jump" from full magnetization to zero. Thus, Reason (R) is false.
Step 3: Final Answer:
Assertion is true but the Reason is false.
Quick Tip: Think of Curie's Law and Curie-Weiss Law. They describe a smooth curve of susceptibility changing with temperature, indicating a continuous transition rather than an abrupt "step-function" change.
Assertion (A) : When a convex lens made of glass is immersed in water, its converging power increases.
Reason (R) : The focal length of a lens depends only on the radii of curvature of its two faces.
View Solution
Step 1: Understanding the Concept:
The power of a lens depends on its focal length, which is determined by both the geometry of the lens and the relative refractive index between the lens material and the surrounding medium.
Step 2: Key Formula or Approach:
Lens Maker's Formula:
\[ P = \frac{1}{f} = \left( \frac{\mu_{lens}}{\mu_{medium}} - 1 \right) \left( \frac{1}{R_1} - \frac{1}{R_2} \right) \]
Step 3: Detailed Explanation:
1. When immersed in water (\( \mu_w = 1.33 \)) instead of air (\( \mu_a = 1 \)), the denominator \( \mu_{medium} \) increases.
2. This makes the term \( \left( \frac{\mu_l}{\mu_m} - 1 \right) \) smaller.
3. Consequently, the power \( P \) decreases and the focal length \( f \) increases. Thus, Assertion (A) is false.
4. From the formula, it is clear that focal length depends on the radii of curvature and the refractive indices of the lens and the medium. Thus, Reason (R) is false because it says "depends only on radii".
Step 4: Final Answer:
Both Assertion and Reason are false.
Quick Tip: Always remember: Bending occurs due to the \textbf{difference} in refractive index. If the surrounding medium is closer to the lens material in refractive index, the light bends less, meaning power is lower and focal length is longer.
State Huygens principle. How did Huygens justify the absence of the backwave on a spherical wavefront ?
View Solution
Step 1: Understanding the Concept:
Huygens' Principle is a geometrical construction used to determine the position and shape of a new wavefront at a later time, given the position and shape of an initial wavefront.
Step 2: Detailed Explanation:
Huygens' Principle states that:
1. Every point on a given wavefront (called the primary wavefront) acts as a source of new disturbance, called secondary wavelets.
2. These secondary wavelets spread out in all directions with the speed of light in that medium.
3. A surface touching these secondary wavelets tangentially in the forward direction at any instant gives the new wavefront at that instant. This is called the secondary wavefront.
Justification for the absence of backwave:
Huygens proposed that the amplitude of the secondary wavelets is not the same in all directions.
It is maximum in the forward direction and decreases as we move away from this direction.
Specifically, the amplitude of secondary wavelets in a direction making an angle \(\theta\) with the forward normal is proportional to \( (1 + \cos \theta) \).
For the forward direction, \( \theta = 0^\circ \), so the factor is \( (1 + \cos 0^\circ) = 2 \) (Maximum).
For the backward direction, \( \theta = 180^\circ \), so the factor is \( (1 + \cos 180^\circ) = 1 - 1 = 0 \).
Thus, the amplitude of the wavelet in the backward direction is zero, which explains why no backwave is formed.
Step 3: Final Answer:
Huygens' principle describes wavefront propagation through secondary wavelets. The backwave is absent because the amplitude factor \( (1 + \cos \theta) \) becomes zero at \( \theta = 180^\circ \).
Quick Tip: Always remember that Huygens' principle is essentially a "forward-only" construction. The mathematical term \( (1 + \cos \theta) \) is known as the obliquity factor.
In a single-slit diffraction experiment, light of wavelength \(\lambda\) illuminates the slit of width 'a'. The diffraction pattern is observed on a screen kept at a distance D from the slits.
(i) Depict variation of intensity in the fringe pattern with the angular position of the fringes.
(ii) How is the linear width of central maximum affected when separation between the slit and the screen is decreased ?
View Solution
Step 1: Understanding the Concept:
Single-slit diffraction occurs when light passes through a narrow opening, creating a pattern of a bright central fringe and subsequent darker and narrower side fringes.
Step 2: Key Formula or Approach:
The linear width of the central maximum is given by the formula:
\[ W = \frac{2 \lambda D}{a} \]
where \( \lambda \) is the wavelength, \( D \) is the distance to the screen, and \( a \) is the slit width.
Step 3: Detailed Explanation:
(i) Intensity Variation Graph:
In the diffraction pattern, the intensity \( I \) varies with the angular position \( \theta \) or \( \sin \theta \).
The central maximum occurs at \( \theta = 0 \).
The minima occur at \( \sin \theta = \pm \frac{n \lambda}{a} \) (where \( n = 1, 2, 3... \)).
The graph is characterized by:
1. A very high-intensity peak at the center (\( I_0 \)).
2. Secondary maxima at approximately \( \sin \theta = \pm \frac{1.5 \lambda}{a}, \pm \frac{2.5 \lambda}{a} \) with much lower intensities (roughly \( I_0/22, I_0/61 \)).
(The student should sketch a curve with a tall central peak and much smaller symmetric side bumps).
(ii) Effect of Screen Distance D:
Looking at the formula \( W = \frac{2 \lambda D}{a} \):
The linear width \( W \) is directly proportional to the distance \( D \).
If the separation between the slit and the screen (\( D \)) is decreased, the linear width of the central maximum (\( W \)) will also decrease proportionally.
Step 4: Final Answer:
(i) The intensity curve has a central peak and symmetric decaying side peaks. (ii) Decreasing \( D \) decreases the linear width of the central maximum.
Quick Tip: Note the difference: Angular width (\( \omega = 2\lambda/a \)) depends only on the slit and wavelength, but Linear width (\( W = D \omega \)) depends on the screen distance too.
The hole concentration in an intrinsic semiconductor is \( 5 \times 10^8 m^{-3} \). When it is doped with certain impurity, the electron concentration becomes \( 4 \times 10^{12} m^{-3} \). Find the new value of the hole concentration. Also identify the type of new semiconductor formed after doping.
View Solution
Step 1: Understanding the Concept:
In an intrinsic semiconductor, the concentration of holes (\( n_h \)) equals the concentration of electrons (\( n_e \)), which is called the intrinsic carrier concentration (\( n_i \)).
Mass Action Law: For a semiconductor at thermal equilibrium, the product of the concentrations of electrons and holes is constant for a given temperature: \( n_e \cdot n_h = n_i^2 \).
Step 2: Key Formula or Approach:
Given:
Intrinsic concentration \( n_i = 5 \times 10^8 m^{-3} \) (since in intrinsic, \( n_h = n_e = n_i \)).
New electron concentration after doping \( n_e = 4 \times 10^{12} m^{-3} \).
We use: \( n_h = \frac{n_i^2}{n_e} \).
Step 3: Detailed Explanation:
1. Calculation of new hole concentration:
\[ n_h = \frac{(5 \times 10^8)^2}{4 \times 10^{12}} \]
\[ n_h = \frac{25 \times 10^{16}}{4 \times 10^{12}} \]
\[ n_h = 6.25 \times 10^{16-12} = 6.25 \times 10^4 m^{-3} \]
2. Identification of semiconductor type:
Comparing the concentrations:
Electron concentration \( n_e = 4 \times 10^{12} m^{-3} \).
Hole concentration \( n_h = 6.25 \times 10^4 m^{-3} \).
Since \( n_e \gg n_h \), the majority charge carriers are electrons.
Therefore, the semiconductor is an n-type semiconductor.
Step 4: Final Answer:
The new hole concentration is \( 6.25 \times 10^4 m^{-3} \) and it is an n-type semiconductor.
Quick Tip: Mass Action Law \( n_e n_h = n_i^2 \) is valid for both n-type and p-type semiconductors as long as they are in thermal equilibrium.
A concave mirror of radius of curvature 16 cm produces two-times enlarged real image of an object kept in front of it. Find the position of the object.
View Solution
Step 1: Understanding the Concept:
A concave mirror forms a real, enlarged image when the object is placed between the center of curvature and the principal focus.
Step 2: Key Formula or Approach:
1. Focal length \( f = R/2 \).
2. Magnification \( m = -\frac{v}{u} \).
3. Mirror formula: \( \frac{1}{f} = \frac{1}{v} + \frac{1}{u} \).
Step 3: Detailed Explanation:
Given:
Radius of curvature \( R = -16 cm \) (concave mirror).
Focal length \( f = \frac{-16}{2} = -8 cm \).
The image is real and enlarged two times, so \( m = -2 \) (magnification is negative for real images).
From \( m = -\frac{v}{u} \):
\[ -2 = -\frac{v}{u} \implies v = 2u \]
Now, using the mirror formula:
\[ \frac{1}{-8} = \frac{1}{2u} + \frac{1}{u} \]
\[ \frac{1}{-8} = \frac{1 + 2}{2u} \]
\[ \frac{1}{-8} = \frac{3}{2u} \]
\[ 2u = -24 \]
\[ u = -12 cm \]
Step 4: Final Answer:
The object is placed at a distance of 12 cm in front of the mirror.
Quick Tip: For real images in mirrors, \( m \) is negative. For virtual images, \( m \) is positive. Always use sign conventions strictly: distances in the direction of incident light are positive.
Prove that the density of nuclear matter is same for all nuclei.
View Solution
Step 1: Understanding the Concept:
Nuclear density is the ratio of the total mass of the nucleus to its total volume. We assume the nucleus to be a sphere.
Step 2: Key Formula or Approach:
1. Mass of nucleus \( M \approx A \cdot m_p \) (where \( A \) is mass number and \( m_p \) is average mass of a nucleon).
2. Radius of nucleus \( R = R_0 A^{1/3} \) (where \( R_0 \approx 1.2 \times 10^{-15} m \)).
3. Volume of nucleus \( V = \frac{4}{3} \pi R^3 \).
Step 3: Detailed Explanation:
Density \( \rho = \frac{Mass}{Volume} \)
\[ \rho = \frac{A \cdot m_p}{\frac{4}{3} \pi R^3} \]
Substituting the expression for \( R \):
\[ \rho = \frac{A \cdot m_p}{\frac{4}{3} \pi (R_0 A^{1/3})^3} \]
\[ \rho = \frac{A \cdot m_p}{\frac{4}{3} \pi R_0^3 A} \]
Cancelling \( A \) from numerator and denominator:
\[ \rho = \frac{3 m_p}{4 \pi R_0^3} \]
Since \( m_p \), \(\pi\), and \( R_0 \) are constants, the density \( \rho \) is constant for all nuclei and does not depend on the mass number \( A \).
Step 4: Final Answer:
By calculation, \( \rho = \frac{3 m_p}{4 \pi R_0^3} \approx 2.3 \times 10^{17} kg/m^3 \), which is independent of \( A \).
Quick Tip: This result implies that nuclear matter is essentially incompressible, similar to a drop of liquid. It's an important piece of evidence for the Liquid Drop Model of the nucleus.
An electric dipole consists of two point charges \(+1 \text{ \(\mu\)C\) and \(-1 \text{ \(\mu\)C\), held 10 cm apart. It is subjected to a uniform electric field of 100 N/C. Calculate the amount of work done in turning the dipole from its position of stable equilibrium to the position of unstable equilibrium, in the field.
View Solution
Step 1: Understanding the Concept:
Work done in rotating a dipole in a uniform electric field is equal to the change in its potential energy.
Potential energy of a dipole is \( U = -pE \cos \theta \).
Step 2: Key Formula or Approach:
1. Dipole moment \( p = q \cdot (2l) \).
2. Work done \( W = U_{final} - U_{initial} = pE(\cos \theta_1 - \cos \theta_2) \).
3. Stable equilibrium: \( \theta_1 = 0^\circ \).
4. Unstable equilibrium: \( \theta_2 = 180^\circ \).
Step 3: Detailed Explanation:
Given:
Charge \( q = 1 \(\mu\)C = 10^{-6 \text{ C \).
Separation \( 2l = 10 \text{ cm = 0.1 m \).
Electric field \( E = 100 N/C \).
Dipole moment \( p = (10^{-6}) \times (0.1) = 10^{-7} Cm \).
Rotation is from stable (\( \theta_1 = 0^\circ \)) to unstable (\( \theta_2 = 180^\circ \)).
\[ W = pE(\cos 0^\circ - \cos 180^\circ) \]
\[ W = pE(1 - (-1)) \]
\[ W = 2pE \]
\[ W = 2 \times (10^{-7}) \times (100) \]
\[ W = 2 \times 10^{-5} J \]
Step 4: Final Answer:
The work done in turning the dipole is \( 2 \times 10^{-5} J \).
Quick Tip: Stable equilibrium is when \( \vec{p} \) is parallel to \( \vec{E} \) (\( \theta = 0 \)). Unstable equilibrium is when they are anti-parallel (\( \theta = 180 \)). The work for a \( 180^\circ \) flip from stable equilibrium is always \( 2pE \).
The figure given below shows three straight long parallel conductors \textcircled{1}, \textcircled{2} and \textcircled{3} kept in x-y plane, carrying currents 2I, I and 3I respectively as shown in figure.
Find the magnitude and direction of :
(i) net magnetic field at a point on conductor \textcircled{1} and
(ii) net magnetic force acting on unit length of conductor \textcircled{1}, due to conductors \textcircled{2} and \textcircled{3}.

View Solution
Step 1: Understanding the Concept:
The magnetic field produced by a long straight wire at a distance \( r \) is \( B = \frac{\mu_0 I}{2\pi r} \).
The direction is determined by the Right-Hand Thumb Rule.
The magnetic force per unit length between two parallel wires is \( f = \frac{\mu_0 I_1 I_2}{2\pi r} \), where like currents attract and opposite currents repel.
Step 2: Key Formula or Approach:
1. Magnetic field: \( B = \frac{\mu_0 I}{2\pi r} \).
2. Force per unit length: \( f = \frac{\mu_0 I_1 I_2}{2\pi r} \).
3. Superposition principle for net field and force.
Step 3: Detailed Explanation:
(i) Net magnetic field at conductor \textcircled{1:
Distance from \textcircled{2 to \textcircled{1 is \( d \). Field due to \textcircled{2 (current right):
\[ B_2 = \frac{\mu_0 I}{2\pi d} (Out of page, +\hat{k}) \]
Distance from \textcircled{3 to \textcircled{1 is \( 2d \). Field due to \textcircled{3 (current left):
\[ B_3 = \frac{\mu_0 (3I)}{2\pi (2d)} = \frac{3\mu_0 I}{4\pi d} (Into page, -\hat{k}) \]
Net field \( B_{net} = B_3 - B_2 \) (taking into page as positive):
\[ B_{net} = \frac{3\mu_0 I}{4\pi d} - \frac{2\mu_0 I}{4\pi d} = \frac{\mu_0 I}{4\pi d} \]
Direction is into the page.
(ii) Net magnetic force per unit length on conductor \textcircled{1:
Force due to \textcircled{2 (like currents attract):
\[ f_{12} = \frac{\mu_0 (2I)(I)}{2\pi d} = \frac{\mu_0 I^2}{\pi d} (Downward, -\hat{j}) \]
Force due to \textcircled{3 (opposite currents repel):
\[ f_{13} = \frac{\mu_0 (2I)(3I)}{2\pi (2d)} = \frac{3\mu_0 I^2}{2\pi d} (Upward, +\hat{j}) \]
Net force \( f_{net} = f_{13} - f_{12} \) (taking upward as positive):
\[ f_{net} = \frac{3\mu_0 I^2}{2\pi d} - \frac{2\mu_0 I^2}{2\pi d} = \frac{\mu_0 I^2}{2\pi d} \]
Direction is vertically upward.
Step 4: Final Answer:
The net magnetic field is \( \frac{\mu_0 I}{4\pi d} \) into the page and the net force per unit length is \( \frac{\mu_0 I^2}{2\pi d} \) upward.
Quick Tip: For parallel wires, remember: "Likes Attract, Opposites Repel". This allows you to find force directions quickly without using cross products.
A rectangular loop of sides \( l \) and \( b \) and resistance 'R' is kept in a region in which the magnetic field varies as \( B = B_0 \sin \omega t \).
(i) Derive expression for the emf induced in the loop.
(ii) Find the effective value of current that flows in the loop.
View Solution
Step 1: Understanding the Concept:
According to Faraday's Law, an electromotive force (emf) is induced in a loop when the magnetic flux through it changes over time.
Step 2: Key Formula or Approach:
1. Magnetic Flux \( \phi = B \cdot A \).
2. Faraday's Law \( e = -\frac{d\phi}{dt} \).
3. Effective (RMS) current \( I_{eff} = \frac{I_{peak}}{\sqrt{2}} \).
Step 3: Detailed Explanation:
(i) Area of the loop \( A = l \times b \).
The magnetic field is \( B = B_0 \sin \omega t \).
Magnetic Flux \( \phi = B \cdot A = (B_0 \sin \omega t) \cdot (l \cdot b) \).
Induced emf \( e = -\frac{d\phi}{dt} = -\frac{d}{dt} (B_0 l b \sin \omega t) \).
\[ e = -B_0 l b \omega \cos \omega t \]
(ii) Instantaneous current \( i = \frac{e}{R} = -\frac{B_0 l b \omega}{R} \cos \omega t \).
This is an alternating current with peak value \( I_0 = \frac{B_0 l b \omega}{R} \).
The effective value (RMS) of the current is:
\[ I_{eff} = \frac{I_0}{\sqrt{2}} = \frac{B_0 l b \omega}{\sqrt{2} R} \]
Step 4: Final Answer:
The induced emf is \( -B_0 l b \omega \cos \omega t \) and the effective current is \( \frac{B_0 l b \omega}{\sqrt{2} R} \).
Quick Tip: Effective value and RMS value are the same. For any sinusoidal signal \( X = X_0 \sin(\omega t) \), the effective value is always \( X_0/\sqrt{2} \).
With the help of a circuit diagram, explain the working of a full wave rectifier. Depict the input and output waveforms.
View Solution
Step 1: Understanding the Concept:
A full wave rectifier is a circuit that allows current to flow through the load in the same direction during both the positive and negative half-cycles of the input AC signal.
Step 2: Detailed Explanation:
Working:
1. Circuit Components: It consists of a center-tap transformer, two diodes (\(D_1\) and \(D_2\)), and a load resistor \(R_L\).
2. Positive Half Cycle: During the positive half-cycle, the top end of the secondary coil is positive and the bottom end is negative. Diode \(D_1\) becomes forward-biased (ON) while \(D_2\) is reverse-biased (OFF). Current flows through \(D_1\) and the load.
3. Negative Half Cycle: During the negative half-cycle, the polarities reverse. The top end is negative and the bottom end is positive. Diode \(D_1\) becomes reverse-biased (OFF) while \(D_2\) is forward-biased (ON). Current flows through \(D_2\) and the load.
4. Net Result: In both cycles, current flows through the load resistor in the same direction, resulting in a unidirectional (rectified) output.
Waveforms Description:
- Input Waveform: A full sine wave oscillating between positive and negative peaks.
- Output Waveform: A series of positive pulses where the negative half-cycles are "flipped" to the positive side.
Step 3: Final Answer:
The full wave rectifier uses two diodes to ensure unidirectional current flow during both halves of the AC cycle, doubling the efficiency compared to a half-wave rectifier.
Quick Tip: Remember that the output frequency of a full wave rectifier is twice the input frequency (\( f_{out} = 2f_{in} \)) because there are two pulses for every one full input cycle.
In Bohr model of hydrogen atom, calculate :
(a) the radius of the innermost electron orbit, and
(b) the speed of electron in this orbit.
View Solution
Step 1: Understanding the Concept:
The Bohr model assumes that electrons orbit the nucleus in specific quantized orbits where the angular momentum is an integral multiple of \( h/2\pi \).
Step 2: Key Formula or Approach:
1. Radius of \( n^{th} \) orbit: \( r_n = \frac{\epsilon_0 n^2 h^2}{\pi m e^2} \).
2. Speed in \( n^{th} \) orbit: \( v_n = \frac{e^2}{2 \epsilon_0 n h} \).
For the innermost orbit, \( n = 1 \).
Step 3: Detailed Explanation:
(a) Calculation of radius (\( n=1 \)):
Using standard constants: \( \epsilon_0 = 8.854 \times 10^{-12} C^2/Nm^2 \), \( h = 6.626 \times 10^{-34} Js \), \( m = 9.1 \times 10^{-31} kg \), \( e = 1.6 \times 10^{-19} C \).
\[ r_1 = \frac{(8.854 \times 10^{-12}) \cdot 1^2 \cdot (6.626 \times 10^{-34})^2}{3.14 \cdot (9.1 \times 10^{-31}) \cdot (1.6 \times 10^{-19})^2} \]
\[ r_1 \approx 0.529 \times 10^{-10} m = 0.529 \AA \]
(b) Calculation of speed (\( n=1 \)):
\[ v_1 = \frac{(1.6 \times 10^{-19})^2}{2 \cdot (8.854 \times 10^{-12}) \cdot 1 \cdot (6.626 \times 10^{-34})} \]
\[ v_1 \approx 2.18 \times 10^6 m/s \]
This speed is approximately \( 1/137 \) of the speed of light.
Step 4: Final Answer:
The radius is \( 0.529 \AA \) and the speed is \( 2.18 \times 10^6 m/s \).
Quick Tip: Memorizing the ground state values for Hydrogen (\( r_1 = 0.53 \AA \) and \( v_1 = c/137 \)) is very helpful for competitive exams to save calculation time.
Explain how the dual aspect of matter is evident in the de Broglie relation.
View Solution
Step 1: Understanding the Concept:
De Broglie proposed that matter, like radiation, exhibits both wave-like and particle-like properties. This is called wave-particle duality.
Step 2: Detailed Explanation:
The de Broglie relation is given by:
\[ \lambda = \frac{h}{p} \]
where:
1. \( \lambda \) (wavelength) is a characteristic of a wave. It describes periodic behavior in space.
2. \( p \) (momentum) is a characteristic of a particle. It describes the localized motion of mass.
3. \( h \) (Planck's constant) is the universal constant that bridges these two disparate descriptions.
The presence of both \( \lambda \) and \( p \) in a single equation shows that every moving piece of matter has an associated wavelength, proving its dual nature.
Step 3: Final Answer:
The equation \( \lambda = h/p \) mathematically unifies wave and particle characteristics, demonstrating the dual nature of matter.
Quick Tip: Duality is only noticeable for microscopic particles (like electrons) because \( h \) is extremely small, making \( \lambda \) negligible for macroscopic objects.
Radiation of wavelength \(\lambda\) is incident on a photosensitive surface. Find the de Broglie wavelength of electrons emitted from the surface. Assume that the work function of the surface is negligible.
View Solution
Step 1: Understanding the Concept:
Photons transfer their energy to electrons. If the work function is zero, all photon energy is converted into the kinetic energy of the emitted electron.
Step 2: Key Formula or Approach:
1. Energy of incident photon \( E = \frac{hc}{\lambda} \).
2. Kinetic energy of electron \( K = E - \phi \). (Here \( \phi = 0 \)).
3. de Broglie wavelength \( \lambda_{db} = \frac{h}{\sqrt{2mK}} \).
Step 3: Detailed Explanation:
Given the work function is negligible (\( \phi \approx 0 \)):
\[ K = \frac{hc}{\lambda} \]
Substituting this into the de Broglie wavelength formula:
\[ \lambda_{db} = \frac{h}{\sqrt{2m \left( \frac{hc}{\lambda} \right)}} \]
\[ \lambda_{db} = \frac{h}{\sqrt{\frac{2mhc}{\lambda}}} \]
Taking \( \sqrt{\lambda} \) to the numerator:
\[ \lambda_{db} = h \sqrt{\frac{\lambda}{2mhc}} \]
\[ \lambda_{db} = \sqrt{\frac{h^2 \lambda}{2mhc}} \]
\[ \lambda_{db} = \sqrt{\frac{h \lambda}{2mc}} \]
Step 4: Final Answer:
The de Broglie wavelength of the emitted electron is \( \sqrt{\frac{h \lambda}{2mc}} \).
Quick Tip: This formula shows that the de Broglie wavelength of the electron is proportional to the square root of the incident photon's wavelength.
What are microwaves ? How are they produced ? Give any two uses of microwaves.
View Solution
Step 1: Understanding the Concept:
Microwaves are a part of the electromagnetic spectrum located between radio waves and infrared radiation.
Step 2: Detailed Explanation:
Definition: Microwaves are electromagnetic waves with frequencies in the range of \( 10^9 Hz \) (1 GHz) to \( 3 \times 10^{11} Hz \) (300 GHz). Their wavelengths range from roughly 1 mm to 0.3 m.
Production: They are produced by special vacuum tubes known as:
1. Klystrons
2. Magnetrons
3. Gunn diodes
Uses:
1. Radar Systems: Due to their short wavelengths, they can be beamed in a specific direction to detect aircraft and for navigation.
2. Microwave Ovens: They are used for domestic cooking because their frequency matches the resonant frequency of water molecules, causing them to vibrate and heat the food.
Step 3: Final Answer:
Microwaves are high-frequency EM waves produced by magnetrons, primarily used in radar and microwave ovens.
Quick Tip: The frequency of microwaves in an oven is typically 2.45 GHz, which is specifically chosen to be absorbed by water and fat molecules.
A conducting rectangular loop of area \( 5 cm^2 \) and resistance \( 4 \text{ \(\Omega\) \) is removed from a region of uniform magnetic field, acting normal to the plane of the loop. The value of induced current I in the loop varies with time t, as shown in the figure.
Find :
(a) total charge that passed through the loop
(b) change in magnetic flux through the loop
(c) magnitude of magnetic field in the region

View Solution
Step 1: Understanding the Concept:
The charge flowing through a loop is equal to the area under the current-time graph. The change in flux is related to the charge and resistance.
Step 2: Key Formula or Approach:
1. Charge \( q = \int I \, dt = Area under I-t graph \).
2. Change in flux \( \Delta \phi = q \times R \).
3. Magnetic field \( B = \frac{\Delta \phi}{A} \) (assuming field becomes zero).
Step 3: Detailed Explanation:
(a) From the graph, the I-t curve is a triangle with height \( I_0 = 0.3 A \) and base \( t = 0.6 s \).
\[ q = \frac{1}{2} \times base \times height = \frac{1}{2} \times 0.6 \times 0.3 = 0.09 C \]
(b) The relationship between charge and flux is \( q = \frac{\Delta \phi}{R} \).
\[ \Delta \phi = q \times R = 0.09 \times 4 = 0.36 Wb \]
(c) The loop is removed from the field, so \( \Delta \phi = \phi_{initial} - \phi_{final} = B \cdot A - 0 \).
Area \( A = 5 cm^2 = 5 \times 10^{-4} m^2 \).
\[ B = \frac{\Delta \phi}{A} = \frac{0.36}{5 \times 10^{-4}} = \frac{3600}{5} = 720 T \]
Step 4: Final Answer:
(a) Charge = 0.09 C; (b) Flux change = 0.36 Wb; (c) Magnetic Field = 720 T.
Quick Tip: Note that total charge passed depends only on the net change in flux and the resistance, not on the rate at which the flux changes.
The two Kirchhoff's rules are based on law of conservation of two physical quantities. Name the quantities.
View Solution
Step 1: Understanding the Concept:
Kirchhoff's rules are fundamental principles used to analyze electrical circuits.
Step 2: Detailed Explanation:
1. Junction Rule (First Rule): It states that the sum of currents entering a junction equals the sum of currents leaving it. This is based on the Law of Conservation of Charge, as charge cannot accumulate at a point.
2. Loop Rule (Second Rule): It states that the algebraic sum of changes in potential around any closed loop is zero. This is based on the Law of Conservation of Energy, as the work done in moving a charge around a closed path in a conservative field must be zero.
Step 3: Final Answer:
The quantities are Charge and Energy respectively.
Quick Tip: Always remember: Junction \(\rightarrow\) Charge, Loop \(\rightarrow\) Energy. These are universal laws applied to circuits.
Find magnitude and direction of current in \( 1 \text{ \(\Omega\) \) resistor in the given circuit.

View Solution
Step 1: Understanding the Concept:
We use Kirchhoff's Voltage Law (KVL) to solve for the currents in the multi-loop circuit.
Step 2: Key Formula or Approach:
1. Sum of potentials in a loop is zero: \( \sum V = 0 \).
2. Junction rule: \( I_{total} = I_1 + I_2 \).
Step 3: Detailed Explanation:
Let the current in the left loop be \( x \) (counter-clockwise) and the current in the right loop be \( y \) (clockwise).
Applying KVL to the left loop (starting from 6V battery):
\[ 6 - 3x - 1(x + y) = 0 \]
\[ 4x + y = 6 \quad --- (Eq. 1) \]
Applying KVL to the right loop (starting from 9V battery):
\[ 9 - (2 + 3)y - 1(x + y) = 0 \]
\[ 9 - 5y - x - y = 0 \]
\[ x + 6y = 9 \quad --- (Eq. 2) \]
From (Eq. 1), \( y = 6 - 4x \). Substituting into (Eq. 2):
\[ x + 6(6 - 4x) = 9 \implies x + 36 - 24x = 9 \]
\[ -23x = -27 \implies x = \frac{27}{23} A \approx 1.17 A \]
Now find \( y \):
\[ y = 6 - 4\left(\frac{27}{23}\right) = \frac{138 - 108}{23} = \frac{30}{23} A \approx 1.30 A \]
The current in the \( 1 \(\Omega\) \) resistor is the sum \( x + y \):
\[ I_{PQ = \frac{27}{23} + \frac{30}{23} = \frac{57}{23} A \approx 2.48 A \]
Since both \( x \) and \( y \) contribute in the same direction from P to Q, the direction is downward.
Step 4: Final Answer:
The current is \( 2.48 A \) flowing from P to Q.
Quick Tip: If the calculated current value comes out negative, it simply means the actual direction of flow is opposite to the one you initially assumed.
The images formed by the objective lens and the eyepiece are respectively :
View Solution
Step 1: Understanding the Concept:
In an astronomical telescope, the objective lens gathers light from a distant object and forms an image. The eyepiece then acts as a simple magnifier (magnifying glass) to view this image.
Step 2: Detailed Explanation:
1. The objective lens has a large focal length (\(f_o\)) and large aperture. Since the object is at a very large distance (effectively infinity), the objective lens forms a real, inverted, and diminished image at its principal focus.
2. This real image now acts as the object for the eyepiece. The eyepiece is adjusted such that this intermediate image lies within its focal length (\(u_e < f_e\)).
3. The eyepiece then acts as a magnifying glass, producing a final virtual, magnified, and erect image with respect to the intermediate image (which means it is inverted with respect to the original distant object).
Step 3: Final Answer:
The objective forms a real image and the eyepiece forms a virtual image.
Quick Tip: Remember the general rule for two-lens systems: The objective lens in a telescope always forms a real image to serve as a physical target for the eyepiece to magnify.
The magnification produced by the telescope does not depend upon the :
View Solution
Step 1: Understanding the Concept:
Magnification (or magnifying power) of a telescope is a measure of how much larger the object appears when viewed through the instrument compared to the naked eye.
Step 2: Key Formula or Approach:
The magnifying power (\(M\)) for an astronomical telescope in normal adjustment (final image at infinity) is:
\[ M = \frac{f_o}{f_e} \]
When the final image is at the least distance of distinct vision (\(D\)):
\[ M = \frac{f_o}{f_e} \left( 1 + \frac{f_e}{D} \right) \]
Step 3: Detailed Explanation:
1. From the formulas, \(M\) clearly depends on the focal lengths of both lenses (\(f_o\) and \(f_e\)).
2. Focal length depends on the refractive index of the glass, which in turn depends on the wavelength (colour) of light (Cauchy's equation). Thus, \(M\) indirectly depends on the colour of light.
3. The aperture (diameter) of the lenses determines the light-gathering power and resolving power (clarity/brightness) of the telescope, but it does not appear in the formula for magnifying power.
Step 4: Final Answer:
Magnification is independent of the apertures of the objective and eyepiece.
Quick Tip: Aperture \(\rightarrow\) Brightness and Resolution.
Focal Length \(\rightarrow\) Magnification.
Which of the following statements is not correct for this telescope ?
View Solution
Step 1: Understanding the Concept:
The length of a telescope (\(L\)) is the distance between the objective and the eyepiece. It depends on the viewing mode (normal adjustment or near point adjustment).
Step 2: Detailed Explanation:
1. Statement (A): True. For high magnification (\(M = f_o/f_e\)), we need a large \(f_o\) and a small \(f_e\).
2. Statement (B): True. Since \(M \propto f_o\), increasing \(f_o\) increases magnifying power.
3. Statement (D): True. Since \(M \propto 1/f_e\), increasing \(f_e\) decreases magnifying power.
4. Statement (C): Let's check the length \(L\).
- In normal adjustment (final image at \(\infty\)), \(L = f_o + f_e\).
- In near point adjustment (final image at \(D\)), the intermediate image must be at distance \(u_e\) from the eyepiece, where \( \frac{1}{u_e} = \frac{1}{f_e} + \frac{1}{D} \). This implies \(u_e < f_e\).
- In this case, \(L = f_o + u_e\). Since \(u_e < f_e\), \(L < f_o + f_e\).
- In no standard operational mode is the distance between lenses "more than" \(f_o + f_e\).
Step 3: Final Answer:
Statement (C) is incorrect.
Quick Tip: The maximum length of a functioning astronomical telescope is \(f_o + f_e\), achieved when the eye is most relaxed (normal adjustment).
An astronomical telescope has objective lens and eyepiece of focal lengths 80 cm and 4 cm respectively. To view the image in normal adjustment, the lenses must be separated by a distance of :
View Solution
Step 1: Understanding the Concept:
Normal adjustment means the final image is formed at infinity, so the eye can view it in a relaxed state.
Step 2: Key Formula or Approach:
For normal adjustment, the length of the telescope (\(L\)) is:
\[ L = f_o + f_e \]
Step 3: Detailed Explanation:
Given:
Focal length of objective, \(f_o = 80 cm \)
Focal length of eyepiece, \(f_e = 4 cm \)
Substituting the values:
\[ L = 80 cm + 4 cm = 84 cm \]
Step 4: Final Answer:
The separation between the lenses is 84 cm.
Quick Tip: "Normal adjustment" is a technical term meaning the parallel rays from the objective pass through the focus of the eyepiece, thus emerging parallel again.
Consider the telescope described in question (iv) (a). Its magnifying power in normal adjustment will be :
View Solution
Step 1: Understanding the Concept:
The magnifying power of a telescope in normal adjustment is defined as the ratio of the focal length of the objective to the focal length of the eyepiece.
Step 2: Key Formula or Approach:
\[ M = \frac{f_o}{f_e} \]
Step 3: Detailed Explanation:
From the previous part:
\(f_o = 80 cm \)
\(f_e = 4 cm \)
Calculation:
\[ M = \frac{80}{4} = 20 \]
Step 4: Final Answer:
The magnifying power is 20.
Quick Tip: Magnifying power is a dimensionless ratio. Ensure both focal lengths are in the same units before dividing.
If resistor X were made of manganin and readings for V and I are taken without switching off the circuit, the graph between V and I will be as :

View Solution
Step 1: Understanding the Concept:
Ohm's Law states that for an Ohmic conductor, \(V \propto I\), provided physical conditions like temperature remain constant.
Step 2: Detailed Explanation:
1. Manganin is an alloy of copper, manganese, and nickel. It is specifically used in laboratory standard resistors because of its unique properties.
2. It has a very low temperature coefficient of resistance (\(\alpha \approx 0\)). This means its resistance remains practically constant even if its temperature increases due to current flow.
3. Therefore, even if the circuit is not switched off and some heating occurs, the resistance \(X\) does not change significantly.
4. Since \(V = IX\) and \(X\) is constant, the relationship between \(V\) and \(I\) remains linear.
Step 3: Final Answer:
The graph between \(V\) and \(I\) will be a straight line passing through the origin.
Quick Tip: Manganin and Constantan are preferred for making standard resistances precisely because they follow Ohm's law strictly across a wide temperature range.
Error in the value of X obtained from different sets of voltmeter and ammeter readings, is :
View Solution
Step 1: Understanding the Concept:
This question pertains to the propagation of errors in physical measurements involving division.
Step 2: Key Formula or Approach:
The unknown resistance is given by:
\[ X = \frac{V}{I} \]
Step 3: Detailed Explanation:
1. According to the theory of errors, when a result is derived from the quotient of two quantities, the maximum relative error (or percentage error) in the result is the sum of the relative errors in the individual quantities.
2. Relative error in \(X\):
\[ \frac{\Delta X}{X} = \frac{\Delta V}{V} + \frac{\Delta I}{I} \]
3. Therefore, the total error in calculating \(X\) is derived from both the voltmeter and the ammeter, and their relative contributions are additive.
Step 4: Final Answer:
The fractional or percentage error in \(X\) is equal to the sum of the fractional errors in voltmeter and ammeter readings.
Quick Tip: For multiplication and division, always \textbf{add} relative errors. For addition and subtraction, \textbf{add} absolute errors.
If the movable end of rheostat is moved towards P, then :
View Solution
Step 1: Understanding the Concept:
A rheostat acts as a variable resistor. Changing its resistance affects the total current in the circuit and the potential drop across components.
Step 2: Detailed Explanation:
1. From the circuit diagram, the rheostat is in series with the battery and the resistor \(X\).
2. Moving the slider towards P decreases the length of the rheostat wire included in the circuit, thereby decreasing the resistance of the rheostat (\(R_h\)).
3. Total resistance of circuit \(R_{total} = X + R_h\). As \(R_h\) decreases, \(R_{total}\) decreases.
4. Current \(I = \frac{\mathcal{E}}{R_{total}}\). As total resistance decreases, the current \(I\) (ammeter reading) increases.
5. The voltmeter measures voltage across \(X\), which is \(V = I \cdot X\). Since \(I\) increases and \(X\) is constant, \(V\) increases.
Step 3: Final Answer:
Both ammeter and voltmeter readings will increase.
Quick Tip: Reducing resistance in a series circuit always increases the current and the voltage drop across the fixed components.
Suppose the unknown resistance X is replaced by a wire made of the same metal. This wire consists of three parts, of the same length L but has radii r, r/3 and r/2 as shown in the figure.
For a particular setting of the rheostat, let \(v_1\), \(v_2\) and \(v_3\) be the value of drift velocities in parts AC, CD and DB. Then :

View Solution
Step 1: Understanding the Concept:
Drift velocity (\(v_d\)) is the average velocity attained by charged particles in a material due to an electric field. In a series circuit, current remains constant.
Step 2: Key Formula or Approach:
Relationship between current and drift velocity:
\[ I = n A e v_d \implies v_d = \frac{I}{n e A} \]
Since \(I, n,\) and \(e\) are constant for the entire wire, \(v_d \propto \frac{1}{A} \).
Also, Area \(A = \pi r^2\), so \(v_d \propto \frac{1}{r^2} \).
Step 3: Detailed Explanation:
1. Radius comparison:
- Part AC: \(r_1 = r\)
- Part CD: \(r_2 = r/3\)
- Part DB: \(r_3 = r/2\)
Clearly: \(r_2 < r_3 < r_1\)
2. Area comparison:
- \(A_2\) (smallest) \( < A_3 < A_1 \) (largest)
3. Drift velocity comparison:
Since \(v_d\) is inversely proportional to Area:
- \(v_2\) (highest) \( > v_3 > v_1 \) (lowest)
Step 4: Final Answer:
The order is \(v_2 > v_3 > v_1\).
Quick Tip: In a series wire with varying cross-section, drift velocity is highest where the wire is thinnest. Think of it like water flowing through a constricted pipe.
Consider the same wire, as shown in figure in question (iv) (a) connected in place of X. For a particular setting of rheostat, let \(E_1\), \(E_2\) and \(E_3\) be the value of electric fields in part AC, CD and DB. Then :
View Solution
Step 1: Understanding the Concept:
The electric field (\(E\)) inside a conductor is related to the current density and the resistivity of the material.
Step 2: Key Formula or Approach:
Ohm's Law in microscopic form:
\[ J = \sigma E \implies E = \frac{J}{\sigma} = J \rho \]
Current density \(J = \frac{I}{A}\). So:
\[ E = \frac{I \rho}{A} \]
Since \(I\) and \(\rho\) (same metal) are constant, \(E \propto \frac{1}{A} \propto \frac{1}{r^2}\).
Step 3: Detailed Explanation:
1. The relationship between Electric Field and radius is identical to that of Drift Velocity in part (a).
2. Radius comparison: \(r_2 (r/3) < r_3 (r/2) < r_1 (r)\).
3. Area comparison: \(A_2 < A_3 < A_1\).
4. Electric field comparison:
Since \(E \propto 1/A\), the field is strongest where the area is smallest.
- \(E_2 > E_3 > E_1\)
Step 4: Final Answer:
The order is \(E_2 > E_3 > E_1\).
Quick Tip: Electric field and drift velocity in a series conductor always follow the same proportionality (\(1/Area\)). Thinner sections have higher fields.
Explain the following statement giving reason : An equipotential surface through a point is normal to the electric field at that point.
View Solution
Step 1: Understanding the Concept:
An equipotential surface is a surface where the electric potential is the same at every point.
By definition, the potential difference \( \Delta V \) between any two points on such a surface is zero.
Step 2: Key Formula or Approach:
The work done \( W \) in moving a charge \( q \) through a displacement \( \vec{dl} \) on a surface is given by:
\[ W = q \Delta V \]
Also, from the definition of work in an electric field \( \vec{E} \):
\[ W = \int \vec{F} \cdot \vec{dl} = \int q\vec{E} \cdot \vec{dl} \]
Step 3: Detailed Explanation:
1. For any two points on an equipotential surface, \( \Delta V = 0 \).
2. Therefore, the work done \( W = q(0) = 0 \).
3. Equating this to the vector definition: \( q\vec{E} \cdot \vec{dl} = 0 \).
4. This implies \( E dl \cos \theta = 0 \).
5. Since \( E \neq 0 \) and \( dl \neq 0 \) (for a physical displacement), \( \cos \theta \) must be 0.
6. Thus, \( \theta = 90^\circ \).
This proves that the electric field \( \vec{E} \) is always perpendicular to the displacement vector \( \vec{dl} \) on the equipotential surface.
Step 4: Final Answer:
The electric field must be normal to the equipotential surface; otherwise, there would be a non-zero component of the field along the surface, requiring work to move a charge, which contradicts the definition of an equipotential surface.
Quick Tip: If the field were not normal, the tangential component would move charges along the surface until the potential was no longer equal everywhere.
Explain the following statement giving reason : When a dielectric is placed in an external electric field, the electric field inside the dielectric is less than that outside it.
View Solution
Step 1: Understanding the Concept:
When a dielectric material (an insulator) is placed in an external electric field \( \vec{E}_0 \), the atoms or molecules of the dielectric undergo polarization.
Step 2: Detailed Explanation:
1. In the presence of the external field, positive charges in the dielectric are pushed in the direction of the field, and negative charges are pulled opposite to it.
2. This separation of charges creates induced surface charges on the faces of the dielectric.
3. These induced charges create an internal electric field called the polarized field \( \vec{E}_p \), which acts in a direction opposite to the external field \( \vec{E}_0 \).
4. The net electric field \( \vec{E} \) inside the dielectric is the vector sum of these two:
\[ \vec{E} = \vec{E}_0 - \vec{E}_p \]
5. Since \( \vec{E}_p \) opposes \( \vec{E}_0 \), the resultant field \( E \) is always less than \( E_0 \).
6. Mathematically, \( E = \frac{E_0}{K} \), where \( K \) is the dielectric constant (\( K > 1 \)).
Step 3: Final Answer:
The internal field is reduced due to the opposing induced field created by polarization.
Quick Tip: For a conductor, polarization is so strong that \( E_p = E_0 \), making the net field inside exactly zero. In dielectrics, the reduction is partial.
Explain the following statement giving reason : The potential difference between the plates of a charged parallel plate capacitor decreases when its plates are brought closer.
View Solution
Step 1: Understanding the Concept:
For a parallel plate capacitor, the electric field \( E \) between the plates is uniform (ignoring edge effects) and depends on the surface charge density \( \sigma \).
Step 2: Key Formula or Approach:
1. Potential difference \( V = E \cdot d \), where \( d \) is the separation.
2. For an isolated charged capacitor, the charge \( Q \) is constant, so \( E = \frac{\sigma}{\epsilon_0} = \frac{Q}{A\epsilon_0} \) is also constant.
Step 3: Detailed Explanation:
1. If the plates are brought closer, the distance \( d \) decreases.
2. Since \( V = E \cdot d \) and the field \( E \) remains constant (as long as the charge doesn't change), a decrease in \( d \) directly leads to a decrease in the potential difference \( V \).
3. Alternatively, using \( C = \frac{\epsilon_0 A}{d} \): as \( d \) decreases, capacitance \( C \) increases.
4. From \( V = \frac{Q}{C} \), since \( Q \) is constant and \( C \) increases, \( V \) must decrease.
Step 4: Final Answer:
The potential difference decreases because it is proportional to the plate separation for a fixed charge.
Quick Tip: Always check if the capacitor is still connected to a battery. If connected, \( V \) stays constant and \( Q \) increases. If isolated (charged), \( Q \) stays constant and \( V \) changes.
Obtain an expression for the work done to dissociate the system of three charges \( q, -4q \) and \( 2q \) placed at the vertices A, B and C respectively of an equilateral triangle of side 'a'.
View Solution
Step 1: Understanding the Concept:
The work done to dissociate a system of charges is equal to the negative of the electrostatic potential energy of the configuration. Dissociation means moving all charges to infinity, where the potential energy is zero.
Step 2: Key Formula or Approach:
The electrostatic potential energy \( U \) for a system of charges is:
\[ U = \frac{1}{4 \pi \epsilon_0} \sum_{i < j} \frac{q_i q_j}{r_{ij}} \]
Work done to dissociate \( W = U_{final} - U_{initial} = 0 - U_{initial} = -U \).
Step 3: Detailed Explanation:
Given charges: \( q_1 = q \), \( q_2 = -4q \), \( q_3 = 2q \).
The distance between any two charges in an equilateral triangle is \( r_{12} = r_{23} = r_{31} = a \).
Calculating the potential energy \( U \):
\[ U = \frac{1}{4 \pi \epsilon_0 a} [q_1 q_2 + q_2 q_3 + q_3 q_1] \]
\[ U = \frac{1}{4 \pi \epsilon_0 a} [(q)(-4q) + (-4q)(2q) + (2q)(q)] \]
\[ U = \frac{1}{4 \pi \epsilon_0 a} [-4q^2 - 8q^2 + 2q^2] \]
\[ U = \frac{1}{4 \pi \epsilon_0 a} [-10q^2] = -\frac{10 q^2}{4 \pi \epsilon_0 a} \]
The work done to dissociate the system is:
\[ W = -U = -\left( -\frac{10 q^2}{4 \pi \epsilon_0 a} \right) = \frac{10 q^2}{4 \pi \epsilon_0 a} \]
Step 4: Final Answer:
The work done to dissociate the system is \( \frac{10 q^2}{4 \pi \epsilon_0 a} \).
Quick Tip: Potential energy is scalar. Always include the signs of the charges when summing the terms.
Answer the following giving reason : The electron drift speed is estimated to be only a few mm/s for currents in the range of a few amperes. How, then, is the current established almost the instant a circuit is closed ?
View Solution
Step 1: Understanding the Concept:
Electric current is not the result of a single electron traveling from the battery to the bulb. It is the collective motion of all free electrons in the conductor.
Step 2: Detailed Explanation:
1. When the switch is closed, an electric field is established throughout the circuit at the speed of an electromagnetic wave (nearly \( 3 \times 10^8 m/s \)).
2. This field exerts a force on the free electrons present at every point in the wire at that very instant.
3. Consequently, electrons in the entire loop start drifting simultaneously, regardless of their distance from the power source.
4. Although each individual electron moves very slowly (drift speed \( \sim 10^{-3} m/s \)), the "push" reaches every part of the circuit almost instantaneously.
Step 3: Final Answer:
The instantaneous establishment of current is due to the rapid propagation of the electric field through the conductor, not the slow physical travel of electrons.
Quick Tip: Analogy: Think of a pipe full of water. As soon as you push water in at one end, water comes out the other end instantly, even if a specific water molecule takes a long time to travel the length of the pipe.
Answer the following giving reason : A low voltage supply from which one needs high currents must have very low internal resistance. Why ?
View Solution
Step 1: Understanding the Concept:
According to Ohm's law for a complete circuit, the current \( I \) is determined by the electromotive force (emf) and the total resistance.
Step 2: Key Formula or Approach: \[ I = \frac{E}{R + r} \]
where \( E \) is the emf, \( R \) is the external load resistance, and \( r \) is the internal resistance of the supply.
Step 3: Detailed Explanation:
1. For a low voltage supply, the value of \( E \) is small.
2. To obtain a high current \( I \), the denominator \( (R + r) \) must be made as small as possible.
3. The maximum possible current that can be drawn from a cell is when the external resistance \( R \) is zero (short circuit). In this case:
\[ I_{max} = \frac{E}{r} \]
4. If \( r \) is high, then even if we short-circuit the supply, the current \( I_{max} \) will remain low because of the high internal resistance.
5. Therefore, a very low \( r \) is essential to allow a high current to flow from a small emf source.
Step 4: Final Answer:
Low internal resistance is necessary to prevent the supply itself from limiting the current through its own resistance.
Quick Tip: Car batteries are designed with very low internal resistance (\( \sim 0.01 \Omega \)) so they can provide the hundreds of amperes needed to start the engine despite being only 12V.
Answer the following giving reason : The assertion that V = IR is a statement of Ohm's law is not true. Why ?
View Solution
Step 1: Understanding the Concept:
Ohm's law describes a specific property of certain materials (conductors) under constant physical conditions like temperature.
Step 2: Detailed Explanation:
1. The equation \( V = IR \) (or \( R = V/I \)) is actually the definition of electrical resistance. It is valid for any device at any instant, whether it follows Ohm's law or not (e.g., diodes, transistors).
2. Ohm's Law states that for a conductor, the current \( I \) is directly proportional to the potential difference \( V \) applied across it (\( I \propto V \)).
3. This implies that the ratio \( V/I \) (the resistance \( R \)) is a constant value that does not depend on the applied voltage.
4. Many electronic components are "non-ohmic," meaning \( V/I \) changes as \( V \) changes. For these devices, \( V=IR \) still gives the resistance at a point, but the device does not "obey" Ohm's law.
Step 3: Final Answer:
Ohm's law is the statement of linearity (\( V \propto I \)); the equation \( V = IR \) is merely the mathematical definition of the quantity called resistance.
Quick Tip: Think of Ohm's law as a condition (straight line graph) and \( V=IR \) as a formula for a single point on any graph.
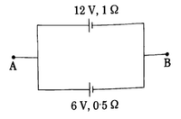
Two cells of emfs 12 V and 6 V are connected in parallel as shown in the figure. Their internal resistances are 1 \( \Omega \) and 0.5 \( \Omega \) respectively. Calculate the emf and internal resistance of the equivalent cell between points A and B.

View Solution
Step 1: Understanding the Concept:
When two cells are connected in parallel with their positive terminals together and negative terminals together, the equivalent emf and internal resistance can be calculated using parallel combination formulas for cells.
Step 2: Key Formula or Approach:
1. Equivalent internal resistance:
\[ \frac{1}{r_{eq}} = \frac{1}{r_1} + \frac{1}{r_2} \implies r_{eq} = \frac{r_1 r_2}{r_1 + r_2} \]
2. Equivalent emf:
\[ E_{eq} = \frac{E_1/r_1 + E_2/r_2}{1/r_1 + 1/r_2} = \frac{E_1 r_2 + E_2 r_1}{r_1 + r_2} \]
Step 3: Detailed Explanation:
Given: \( E_1 = 12 V, r_1 = 1 \Omega \) and \( E_2 = 6 V, r_2 = 0.5 \Omega \).
Calculation for \( r_{eq} \):
\[ r_{eq} = \frac{1 \times 0.5}{1 + 0.5} = \frac{0.5}{1.5} = \frac{1}{3} \Omega \approx 0.33 \Omega \]
Calculation for \( E_{eq} \):
\[ E_{eq} = \frac{(12 \times 0.5) + (6 \times 1)}{1 + 0.5} \]
\[ E_{eq} = \frac{6 + 6}{1.5} = \frac{12}{1.5} = 8 V \]
Step 4: Final Answer:
The equivalent emf is 8 V and the equivalent internal resistance is \( 1/3 \Omega \).
Quick Tip: Notice that the equivalent emf (8 V) lies between the two individual emfs (6 V and 12 V). If they were connected in opposing polarities, the sign of one term in the numerator would be negative.
Define refractive index of a medium in terms of speed of light.
View Solution
Step 1: Understanding the Concept:
Refractive index is a dimensionless number that describes how light propagates through a medium. It indicates how much the light slows down compared to vacuum.
Step 2: Key Formula or Approach: \[ n = \frac{c}{v} \]
where \( c \) is the speed of light in vacuum (\( 3 \times 10^8 m/s \)) and \( v \) is the speed of light in the given medium.
Step 3: Detailed Explanation:
The refractive index of a medium is a measure of its optical density.
1. When light enters a denser medium from a vacuum, its speed decreases.
2. The ratio of the speed in vacuum (\( c \)) to the speed in the medium (\( v \)) gives the absolute refractive index (\( n \)).
3. Since \( c \) is the maximum possible speed, \( n \) is always greater than or equal to 1 for any material medium.
Step 4: Final Answer:
Refractive index \( n = c/v \) is the factor by which the speed of light is reduced in the medium.
Quick Tip: Refractive index has no units or dimensions. A higher refractive index means light travels slower and bends more towards the normal.
Derive the relation for the refractive index (\( \mu \)) of a prism in terms of angle of minimum derivation (\( \delta_m \)) and angle of prism (A).
View Solution
Step 1: Understanding the Concept:
When light passes through a prism, it deviates from its path. There is a specific angle of incidence for which the deviation is minimum (\( \delta_m \)).
Step 2: Key Formula or Approach:
1. Prism formula for angle of prism: \( A = r_1 + r_2 \).
2. Deviation formula: \( \delta = i + e - A \).
3. Snell's Law: \( \mu = \frac{\sin i}{\sin r} \).
Step 3: Detailed Explanation:
At the position of minimum deviation (\( \delta = \delta_m \)):
1. The angle of incidence equals the angle of emergence: \( i = e \).
2. The angle of refraction at the first face equals the angle of incidence at the second face: \( r_1 = r_2 = r \).
3. From \( A = r_1 + r_2 \), we get:
\[ A = r + r \implies r = \frac{A}{2} \]
4. From \( \delta_m = i + e - A \), we get:
\[ \delta_m = i + i - A \implies 2i = A + \delta_m \implies i = \frac{A + \delta_m}{2} \]
5. Applying Snell's Law at the first surface:
\[ \mu = \frac{\sin i}{\sin r} \]
6. Substituting the values of \( i \) and \( r \):
\[ \mu = \frac{\sin\left(\frac{A + \delta_m}{2}\right)}{\sin\left(\frac{A}{2}\right)} \]
Step 4: Final Answer:
The prism formula relating refractive index to minimum deviation is \( \mu = \frac{\sin((A + \delta_m)/2)}{\sin(A/2)} \).
Quick Tip: At minimum deviation, the ray inside the prism travels parallel to the base of the prism (if the prism is isosceles/equilateral).
A ray of light QP is incident normally on the face BC of a triangular prism ABC of refractive index 1.5 kept in air, as shown in the figure. Trace the path of the ray as it passes through the prism and give relevant explanation.

View Solution
Step 1: Understanding the Concept:
When light hits a boundary normally, it passes undeflected. Total internal reflection occurs if the light travels from a denser to a rarer medium and the angle of incidence exceeds the critical angle.
Step 2: Detailed Explanation:
1. At face BC: The ray \( QP \) is incident normally (\( \angle i = 0^\circ \)). Therefore, it passes into the prism without any deviation and travels straight to point \( R \) on the face \( AC \).
2. Geometry at face AC: Assuming \( \triangle ABC \) is an equilateral prism (\( \angle C = 60^\circ \)). The ray is vertical and BC is horizontal, making \( \angle PCR = 90^\circ \) in the small triangle formed by the ray, BC, and AC.
3. In that small triangle, \( \angle PRC = 180^\circ - (90^\circ + 60^\circ) = 30^\circ \).
4. The normal at \( R \) to face \( AC \) makes \( 90^\circ \) with \( AC \). The angle of incidence \( i \) at face \( AC \) is \( 90^\circ - 30^\circ = 60^\circ \).
5. Critical Angle check: For glass (\( \mu = 1.5 \)), critical angle \( \theta_c = \sin^{-1}(1/\mu) = \sin^{-1}(1/1.5) \approx 41.8^\circ \).
6. Since the angle of incidence (\( 60^\circ \)) is greater than the critical angle (\( 41.8^\circ \)), the ray undergoes Total Internal Reflection.
7. The ray reflects towards face \( AB \) and finally emerges from the prism.
Step 3: Final Answer:
The ray enters undeflected at BC, undergoes TIR at AC because \( i = 60^\circ > \theta_c \), and then emerges from the prism.
Quick Tip: Always calculate the critical angle first (\( \sin \theta_c = 1/\mu \)) to determine if the ray will refract or reflect at the second boundary.
Define the terms (I) resonant frequency, and (II) power factor of a series LCR circuit. For what value of the power factor will the power dissipated in the circuit be maximum ?
View Solution
Step 1: Understanding the Concept:
The behavior of a series LCR circuit depends on the frequency of the AC source, which determines the reactances of the inductor and capacitor.
Step 2: Detailed Explanation:
(I) Resonant Frequency (\( f_r \)): It is the specific frequency of the applied AC voltage at which the inductive reactance (\( X_L \)) becomes exactly equal to the capacitive reactance (\( X_C \)). At this frequency, the impedance of the circuit is minimum and purely resistive (\( Z = R \)), resulting in maximum current amplitude.
\[ \omega_r L = \frac{1}{\omega_r C} \implies f_r = \frac{1}{2 \pi \sqrt{LC}} \]
(II) Power Factor: It is defined as the ratio of the resistance (\( R \)) to the total impedance (\( Z \)) of the LCR circuit. It is also the cosine of the phase angle (\( \phi \)) between voltage and current.
\[ Power Factor = \cos \phi = \frac{R}{Z} = \frac{R}{\sqrt{R^2 + (X_L - X_C)^2}} \]
Maximum Power Dissipation: The average power dissipated is \( P = V_{rms} I_{rms} \cos \phi \). Power is maximum when the power factor \( \cos \phi = 1 \). This occurs at resonance when \( Z = R \).
Step 3: Final Answer:
Power dissipation is maximum at resonance when the power factor is 1.
Quick Tip: Power factor 1 means the circuit behaves like a pure resistor. Power factor 0 means it's purely reactive (wattless current).
An inductor of \( \frac{5}{\pi} H \), a capacitor of \( \frac{50}{\pi} \(\mu\)F \) and a resistor of 400 \( \Omega \) are connected in series across an ac voltage \( v = 140 \sin(100 \pi t) \text{ V \). Calculate : (I) impedance of the circuit, and (II) rms value of current that flows in the circuit. (Take \( \sqrt{2} = 1.4 \))
View Solution
Step 1: Understanding the Concept:
To find impedance and current, we must first calculate the inductive reactance (\( X_L \)) and capacitive reactance (\( X_C \)) at the given frequency.
Step 2: Key Formula or Approach:
1. Comparing with \( v = V_0 \sin(\omega t) \): \( V_0 = 140 V, \omega = 100 \pi rad/s \).
2. \( X_L = \omega L \), \( X_C = \frac{1}{\omega C} \).
3. \( Z = \sqrt{R^2 + (X_L - X_C)^2} \).
4. \( I_{rms} = \frac{V_{rms}}{Z} = \frac{V_0}{\sqrt{2} Z} \).
Step 3: Detailed Explanation:
1. Reactances:
\( X_L = (100 \pi) \times \left( \frac{5}{\pi} \right) = 500 \Omega \).
\( X_C = \frac{1}{(100 \pi) \times \left( \frac{50 \times 10^{-6}}{\pi} \right)} = \frac{1}{5000 \times 10^{-6}} = \frac{10^6}{5000} = 200 \Omega \).
2. Impedance (Z):
\( Z = \sqrt{400^2 + (500 - 200)^2} = \sqrt{400^2 + 300^2} = \sqrt{160000 + 90000} \).
\( Z = \sqrt{250000} = 500 \Omega \).
3. RMS Current (\( I_{rms} \)):
\( V_{rms} = \frac{V_0}{\sqrt{2}} = \frac{140}{1.4} = 100 V \).
\( I_{rms} = \frac{V_{rms}}{Z} = \frac{100}{500} = 0.2 A \).
Step 4: Final Answer:
Impedance is \( 500 \Omega \) and the RMS current is \( 0.2 A \).
Quick Tip: The reactances form a 3-4-5 triangle with the resistance: \( R=400, X_{net}=300 \Rightarrow Z=500 \). Recognizing Pythagorean triplets saves time!
The number of turns in the primary and the secondary coil of an ideal transformer are 100 and 5000 respectively. If 3.3 kW power is supplied to the transformer at 220 V, find (I) current in the primary coil, and (II) output voltage.
View Solution
Step 1: Understanding the Concept:
In an ideal transformer, power is conserved (Input Power = Output Power) and the voltage ratio equals the turns ratio.
Step 2: Key Formula or Approach:
1. Transformer ratio: \( \frac{V_s}{V_p} = \frac{N_s}{N_p} \).
2. Power equation: \( P = V_p \times I_p \).
Step 3: Detailed Explanation:
Given: \( N_p = 100, N_s = 5000, V_p = 220 V, P = 3.3 kW = 3300 W \).
(I) Primary Current (\( I_p \)):
\[ P = V_p \cdot I_p \implies 3300 = 220 \cdot I_p \]
\[ I_p = \frac{3300}{220} = \frac{330}{22} = 15 A \]
(II) Output Voltage (\( V_s \)):
\[ \frac{V_s}{220} = \frac{5000}{100} = 50 \]
\[ V_s = 50 \times 220 = 11000 V = 11 kV \]
Step 4: Final Answer:
The current in the primary is 15 A and the output voltage is 11,000 V.
Quick Tip: Since \( N_s > N_p \), this is a step-up transformer. In a step-up transformer, voltage increases but current decreases to keep power constant.







Comments