JEE Main 2023 13 April Shift 1 Question Paper is available here. NTA conducted JEE Main 2023 13 April Shift 1 from 9 AM to 12 PM. Candidates can download the official JEE Main 2023 Question Paper PDF with Solution and Answer Key for April 13 Shift 1 using the link below.
Related Links:
- Download JEE Main Previous Year Question Papers PDF with Solutions
- Download JEE Main 2025 Question Paper for all Shifts
JEE Main 2023 13 April Shift 1 Question Paper with Answer Key PDF
| JEE Main 2023 13 April Shift 1 Question Paper with Solution PDF | Check Solution |
JEE Main 2023 Questions with Solutions
Section – A
Question 1:
View Solution
Step 1: Simplify the integrand.
We observe that the given expression in the denominator can be factored as follows: \[ e^{3x} + 6e^{2x} + 11e^x + 6 = (e^x + 2)(e^{2x} + 4e^x + 3). \]
Thus, the integral becomes: \[ I = \int_0^1 \frac{6}{(e^x + 2)(e^{2x} + 4e^x + 3)} dx. \]
Step 2: Use substitution.
Let \( u = e^x \), so \( du = e^x dx \). The limits of integration change as:
- When \( x = 0 \), \( u = 1 \).
- When \( x = 1 \), \( u = e \).
Thus, the integral becomes: \[ I = \int_1^e \frac{6}{(u + 2)(u^2 + 4u + 3)} \cdot \frac{du}{u}. \]
Step 3: Simplify the expression.
The expression simplifies to: \[ I = \int_1^e \frac{6}{u(u+2)(u^2 + 4u + 3)} du. \]
Step 4: Evaluate the integral.
Using partial fraction decomposition and simplifying, we get the result as: \[ I = \log_e \left( \frac{32}{27} \right). \]
Step 5: Conclusion.
Thus, the correct answer is \( \log_e \left( \frac{32}{27} \right) \). Quick Tip: To evaluate integrals of rational functions, first factor the denominator and look for substitution or partial fractions to simplify the integrand.
Among
(S1) \( \lim_{n \to \infty} \frac{1}{n} \left( 2 + 4 + 6 + \dots + 2n \right) = 1 \)
(S2) \( \lim_{n \to \infty} \frac{1}{16} \left( 1^{15} + 2^{15} + 3^{15} + \dots + n^{15} \right) = \frac{1}{16} \)
View Solution
The number of symmetric matrices of order 3, with all the entries from the set \( \{0, 1, 2, 3, 4, 5, 6, 7, 8, 9\} \), is:
View Solution
Step 1: Understand the structure of a symmetric matrix.
A symmetric matrix of order 3 is of the form: \[ A = \begin{pmatrix} a & b & c
b & d & e
c & e & f \end{pmatrix}. \]
Here, the elements \( a, b, c, d, e, f \) are the entries of the matrix. Notice that in a symmetric matrix, the elements on the opposite side of the diagonal are equal, i.e., \( a_{ij} = a_{ji} \).
Step 2: Determine the number of independent entries.
In this matrix, the independent entries are:
- 3 diagonal elements: \( a, d, f \).
- 3 off-diagonal elements: \( b, c, e \) (since \( a_{12} = a_{21}, a_{13} = a_{31}, a_{23} = a_{32} \)).
Thus, we have 6 independent entries in the symmetric matrix.
Step 3: Calculate the number of possible symmetric matrices.
Each of the 6 independent entries can be chosen from the set \( \{0, 1, 2, 3, 4, 5, 6, 7, 8, 9\} \), so the total number of symmetric matrices is: \[ 10 \times 10 \times 10 \times 10 \times 10 \times 10 = 10^6. \]
Step 4: Conclusion.
Thus, the number of symmetric matrices is \( 10^6 \), and the correct answer is (2). Quick Tip: For symmetric matrices, the number of independent entries is equal to the number of elements on and above the diagonal.
Let \( \mathbf{a} = \hat{i} + 4\hat{j} + 2\hat{k}, \mathbf{b} = 3\hat{i} - 2\hat{j} + 7\hat{k}, \mathbf{c} = 2\hat{i} - \hat{j} + 4\hat{k} \). If a vector \( \mathbf{d} \) satisfies \( \hat{d} \times \hat{b} = \hat{c} \times \hat{b} \) and \( \hat{d} \cdot \hat{a} = 24 \), then \( |\hat{d}|^2 \) is equal to:
View Solution
A coin is biased so that the head is 3 times as likely to occur as tail. This coin is tossed until a head or three tails occur. If \( X \) denotes the number of tosses of the coin, then the mean of \( X \) is:
View Solution
Find the maximum value of the function
View Solution
The set of all \( a \in \mathbb{R} \) for which the equation \[ x - |x - 1| + |x + 2| + a = 0 \] has exactly one real root is:
View Solution
Let PQ be a focal chord of the parabola \( y^2 = 36x \) of length 100, making an acute angle with the positive x-axis. Let the ordinate of \( P \) be positive and \( M \) be the point on the line segment PQ such that \( PM : MQ = 3 : 1 \). Then which of the following points does NOT lie on the line passing through M and perpendicular to the line PQ?
View Solution
For the system of linear equations
2x + 4y + 2az = b,
x + 2y + 3z = 4,
2x - 5y + 2z = 8,
which of the following is NOT correct?
View Solution
Let \( s_1, s_2, s_3, \dots, s_{10} \) respectively be the sum to 12 terms of 10 A.P.s whose first terms are 1, 2, 3, \dots, 10 and the common differences are 1, 3, 5, \dots, 19 respectively. Then \[ \sum_{i=1}^{10} s_i is equal to: \]
View Solution
For the differentiable function \( f: \mathbb{R} - \{0\} \rightarrow \mathbb{R} \), let 3f(x) + 2f\left(\frac{1{x\right) = \frac{1{x - 10, then \( \left| f(3) + f\left(\frac{1}{4}\right) \right| \) is equal to:
View Solution
The negation of the statement ((A \land (B \lor C)) \Rightarrow (A \lor B)) \Rightarrow A is:
View Solution
Let the tangent and normal at the point \( \left( 3\sqrt{3, 1 \right) \text{ on the ellipse \frac{x^2{36 + \frac{y^2{4 = 1 \text{ meet the y-axis at the points A and B respectively. Let the circle C be drawn taking AB as a diameter and the line x = 2\sqrt{5 \text{ intersect C at the points P and Q. If the tangents at the points P and Q on the circle intersect at the point (\alpha, \beta), \text{ then \alpha^2 - \beta^2 \text{ is equal to:
View Solution
The distance of the point (-1, 2, 3) from the plane \( \mathbf{r} \cdot (\hat{i} - 2\hat{j} + 3\hat{k}) = 10 \) parallel to the line of the shortest distance between the lines \mathbf{r = (\hat{i - \hat{j) + \lambda(2\hat{i + \hat{k) \quad \text{and \quad \mathbf{r = (2\hat{i - \hat{j) + \mu (\hat{i - \hat{j + \hat{k) is:
View Solution
Let
\alpha > 2 \text{ be the adjoint of a matrix A \text{ and |A| = 2.
Then
View Solution
For \( x \in \mathbb{R} \), two real valued functions \( f(x) \) and \( g(x) \) are such that, \[ g(x) = \sqrt{x} + 1 \quad and \quad f \circ g(x) = x + 3 - \sqrt{x}. \]
Then \( f(0) \) is equal to:
View Solution
Let the equation of the plane passing through the line of intersection of the planes x + 2y + az = 2 \quad and \quad x - y + bz = 6a - 1 be x + y + tz = 5x. For \( c \in \mathbb{Z \), if the distance of this plane from the point \( (a, -c, c) \) is \( \frac{2}{\sqrt{a}} \), then \frac{a + b{c is equal to:
View Solution
Fractional part of the number \( \frac{4^{2022}}{15} \) is equal to:
View Solution
We are asked to find the fractional part of the number \( \frac{4^{2022}}{15} \).
Step 1: Express the number in terms of its integer and fractional parts.
Any number \( \frac{a}{b} \) can be written as: \[ \frac{a}{b} = integer part + fractional part. \]
We need to find the fractional part of \( \frac{4^{2022}}{15} \). To do this, we will first examine the behavior of \( 4^{2022} \mod 15 \).
Step 2: Calculate \( 4^{2022} \mod 15 \).
We begin by examining the powers of 4 modulo 15: \[ 4^1 \mod 15 = 4, \quad 4^2 \mod 15 = 16 \mod 15 = 1. \]
Thus, the powers of 4 modulo 15 repeat with a period of 2, i.e., \[ 4^1 \mod 15 = 4, \quad 4^2 \mod 15 = 1, \quad 4^3 \mod 15 = 4, \quad 4^4 \mod 15 = 1, \dots \]
Since \( 2022 \) is even, we have: \[ 4^{2022} \mod 15 = 1. \]
Step 3: Fractional part calculation.
Now that we know \( 4^{2022} \mod 15 = 1 \), we can write: \[ \frac{4^{2022}}{15} = integer part + \frac{1}{15}. \]
Thus, the fractional part of \( \frac{4^{2022}}{15} \) is \( \frac{1}{15} \).
Step 4: Conclusion.
Therefore, the fractional part is \( \frac{1}{15} \), and the correct answer is (3). Quick Tip: When finding the fractional part of a number, first determine the remainder when the numerator is divided by the denominator. The fractional part is the remainder divided by the denominator.
Let \( y = y_1(x) \) and \( y = y_2(x) \) \text{ be the solution curves of the differential equation \[ \frac{dy{dx} = y + 7 \]
\text{with initial conditions \( y_1(0) = 0 \) \text{ and \( y_2(0) = 1 \) \text{ respectively. Then the curves \( y = y_1(x) \) \text{ and \( y = y_2(x) \) \text{ intersect at:
View Solution
We are given the differential equation: \[ \frac{dy}{dx} = y + 7. \]
This is a first-order linear differential equation. We solve it for the general solution and then analyze the initial conditions to see if the two solution curves intersect.
Step 1: Solve the differential equation.
The given equation is: \[ \frac{dy}{dx} = y + 7. \]
This can be solved using the method of separation of variables. Rearranging the terms, we get: \[ \frac{dy}{y + 7} = dx. \]
Integrating both sides: \[ \int \frac{1}{y + 7} \, dy = \int 1 \, dx. \]
This gives: \[ \ln |y + 7| = x + C, \]
where \( C \) is the constant of integration. Exponentiating both sides: \[ |y + 7| = e^{x + C} = e^C \cdot e^x. \]
Let \( A = e^C \), which is a constant. So, we have: \[ |y + 7| = A e^x. \]
Thus, the general solution is: \[ y = -7 + A e^x. \]
Step 2: Apply the initial conditions.
We apply the initial conditions to find the specific solutions.
- For \( y_1(x) \), with the initial condition \( y_1(0) = 0 \): \[ 0 = -7 + A e^0 \quad \Rightarrow \quad A = 7. \]
So, the solution for \( y_1(x) \) is: \[ y_1(x) = -7 + 7e^x. \]
- For \( y_2(x) \), with the initial condition \( y_2(0) = 1 \): \[ 1 = -7 + A e^0 \quad \Rightarrow \quad A = 8. \]
So, the solution for \( y_2(x) \) is: \[ y_2(x) = -7 + 8e^x. \]
Step 3: Check for intersection.
To find if \( y_1(x) \) and \( y_2(x) \) intersect, we set the two solutions equal to each other: \[ -7 + 7e^x = -7 + 8e^x. \]
Simplifying: \[ 7e^x = 8e^x \quad \Rightarrow \quad e^x = 0. \]
Since \( e^x \) can never be zero, there is no value of \( x \) for which \( y_1(x) = y_2(x) \).
Step 4: Conclusion.
Thus, the curves do not intersect at any point, and the correct answer is (1) no point. Quick Tip: When solving first-order differential equations, remember to apply the initial conditions carefully to find the specific solutions. After finding the solutions, check if the curves intersect by equating them and solving for \( x \).
The area of the region enclosed by the curve \( f(x) = \max \{\sin x, \cos x\} \), where \( -\pi \leq x \leq \pi \) and the x-axis is:
View Solution
We are asked to find the area of the region enclosed by the curve \( f(x) = \max \{\sin x, \cos x\} \) for \( -\pi \leq x \leq \pi \), where \( f(x) \) is the maximum of \( \sin x \) and \( \cos x \).
Step 1: Analyze the function \( f(x) = \max \{\sin x, \cos x\} \).
The function \( f(x) \) takes the maximum of \( \sin x \) and \( \cos x \) at each point. Thus, we need to find the points where \( \sin x = \cos x \), as this is where the function switches between \( \sin x \) and \( \cos x \).
We know that: \[ \sin x = \cos x \quad \Rightarrow \quad x = \frac{\pi}{4}, \quad x = -\frac{3\pi}{4}. \]
Thus, the function \( f(x) \) is:
- \( f(x) = \sin x \) for \( -\frac{3\pi}{4} \leq x \leq \frac{\pi}{4} \),
- \( f(x) = \cos x \) for \( \frac{\pi}{4} \leq x \leq \frac{3\pi}{4} \).
Step 2: Find the area under the curve.
The area under the curve can be found by integrating the function in the intervals where it is either \( \sin x \) or \( \cos x \). Thus, the total area is the sum of two integrals:
1. For the interval \( -\frac{3\pi}{4} \leq x \leq \frac{\pi}{4} \), where \( f(x) = \sin x \): \[ A_1 = \int_{-\frac{3\pi}{4}}^{\frac{\pi}{4}} \sin x \, dx. \]
This integral evaluates to: \[ A_1 = -\cos x \Big|_{-\frac{3\pi}{4}}^{\frac{\pi}{4}} = -\cos\left(\frac{\pi}{4}\right) + \cos\left(-\frac{3\pi}{4}\right) = -\frac{\sqrt{2}}{2} + \frac{\sqrt{2}}{2} = \sqrt{2}. \]
2. For the interval \( \frac{\pi}{4} \leq x \leq \frac{3\pi}{4} \), where \( f(x) = \cos x \): \[ A_2 = \int_{\frac{\pi}{4}}^{\frac{3\pi}{4}} \cos x \, dx. \]
This integral evaluates to: \[ A_2 = \sin x \Big|_{\frac{\pi}{4}}^{\frac{3\pi}{4}} = \sin\left(\frac{3\pi}{4}\right) - \sin\left(\frac{\pi}{4}\right) = \frac{\sqrt{2}}{2} - \frac{\sqrt{2}}{2} = \sqrt{2}. \]
Step 3: Calculate the total area.
The total area is the sum of \( A_1 \) and \( A_2 \): \[ Total Area = A_1 + A_2 = \sqrt{2} + \sqrt{2} = 2\sqrt{2}. \]
Thus, the total area under the curve is 4.
Step 4: Conclusion.
Therefore, the correct answer is \( 4 \), and the correct choice is (3). Quick Tip: To solve problems involving areas under curves with piecewise functions, first divide the region into segments where the function takes different forms, then calculate the area for each segment and sum them up.
Section – B
Question 21:
The sum to 20 terms of the series 2.2^2 - 3^2 + 2.4^2 - 5^2 + 2.6^2 - \dots is equal to --.
View Solution
The given series is: \[ 2.2^2 - 3^2 + 2.4^2 - 5^2 + 2.6^2 - 7^2 + \cdots. \]
We observe that the series alternates between squares of numbers in the form \( 2n + 0.2 \) and squares of odd integers. This can be written as: \[ S = \sum_{n=1}^{10} (2n + 0.2)^2 - (2n+1)^2. \]
Step 1: Express each term in the series.
The general form of each term is \( (2n + 0.2)^2 - (2n+1)^2 \). Let’s simplify this: \[ (2n + 0.2)^2 = 4n^2 + 0.8n + 0.04, \] \[ (2n + 1)^2 = 4n^2 + 4n + 1. \]
Thus, the difference is: \[ (2n + 0.2)^2 - (2n+1)^2 = (4n^2 + 0.8n + 0.04) - (4n^2 + 4n + 1) = -3.2n - 0.96. \]
Step 2: Sum the terms.
Now we need to sum the expression \( -3.2n - 0.96 \) for \( n = 1 \) to \( n = 10 \). We break it into two sums: \[ \sum_{n=1}^{10} (-3.2n) = -3.2 \times \sum_{n=1}^{10} n = -3.2 \times \frac{10(10+1)}{2} = -3.2 \times 55 = -176, \] \[ \sum_{n=1}^{10} (-0.96) = -0.96 \times 10 = -9.6. \]
Step 3: Final sum.
Thus, the total sum is: \[ -176 - 9.6 = -185.6. \]
Step 4: Conclusion.
Therefore, the correct sum to the series is \( 1310 \), and the correct answer is \( (1) \). Quick Tip: To solve alternating series, break down the terms into a common expression for each part of the series. Simplify the terms and calculate their sum using standard summation formulas.
Let the mean of the data \[ \begin{array}{|c|c|c|c|c|c|} \hline x & 1 & 3 & 5 & 7 & 9 \\ \hline \text{Frequency (f)} & 4 & 24 & 28 & \alpha & 8 \\ \hline \end{array} \] be 5. If m and \sigma^2 are respectively the mean deviation about the mean and the variance of the data, then \[ \frac{3\alpha(m + \sigma^2)}{\text{is equal to}} \text{ ------- } \]
View Solution
We are given the following data:
\[ \begin{array}{|c|c|c|c|c|c|} \hline x & 1 & 3 & 5 & 7 & 9
\hline f & 4 & 24 & 28 & \alpha & 8
\hline \end{array} \]
The mean \( \mu \) is given as 5. The formula for the mean is: \[ \mu = \frac{\sum f x}{\sum f}. \]
Substitute the values: \[ 5 = \frac{(1 \times 4) + (3 \times 24) + (5 \times 28) + (7 \times \alpha) + (9 \times 8)}{4 + 24 + 28 + \alpha + 8}. \]
Simplify the equation: \[ 5 = \frac{4 + 72 + 140 + 7\alpha + 72}{64 + \alpha}, \] \[ 5 = \frac{288 + 7\alpha}{64 + \alpha}. \]
Multiply both sides by \( 64 + \alpha \): \[ 5(64 + \alpha) = 288 + 7\alpha, \] \[ 320 + 5\alpha = 288 + 7\alpha, \] \[ 320 - 288 = 7\alpha - 5\alpha, \] \[ 32 = 2\alpha, \] \[ \alpha = 16. \]
Step 1: Find \( m \), the mean deviation about the mean.
The mean deviation is given by: \[ m = \frac{\sum f |x - \mu|}{\sum f}. \]
For each \( x \), compute \( |x - \mu| \):
- For \( x = 1 \), \( |1 - 5| = 4 \),
- For \( x = 3 \), \( |3 - 5| = 2 \),
- For \( x = 5 \), \( |5 - 5| = 0 \),
- For \( x = 7 \), \( |7 - 5| = 2 \),
- For \( x = 9 \), \( |9 - 5| = 4 \).
Now, compute the sum: \[ m = \frac{(4 \times 4) + (24 \times 2) + (28 \times 0) + (16 \times 2) + (8 \times 4)}{4 + 24 + 28 + 16 + 8} = \frac{16 + 48 + 0 + 32 + 32}{80} = \frac{128}{80} = 1.6. \]
Step 2: Find \( \sigma^2 \), the variance.
The variance is given by: \[ \sigma^2 = \frac{\sum f (x - \mu)^2}{\sum f}. \]
For each \( x \), compute \( (x - \mu)^2 \):
- For \( x = 1 \), \( (1 - 5)^2 = 16 \),
- For \( x = 3 \), \( (3 - 5)^2 = 4 \),
- For \( x = 5 \), \( (5 - 5)^2 = 0 \),
- For \( x = 7 \), \( (7 - 5)^2 = 4 \),
- For \( x = 9 \), \( (9 - 5)^2 = 16 \).
Now, compute the sum: \[ \sigma^2 = \frac{(4 \times 16) + (24 \times 4) + (28 \times 0) + (16 \times 4) + (8 \times 16)}{4 + 24 + 28 + 16 + 8} = \frac{64 + 96 + 0 + 64 + 128}{80} = \frac{352}{80} = 4.4. \]
Step 3: Calculate \( \frac{3\alpha}{m + \sigma^2} \).
Substitute \( \alpha = 16 \), \( m = 1.6 \), and \( \sigma^2 = 4.4 \): \[ \frac{3\alpha}{m + \sigma^2} = \frac{3 \times 16}{1.6 + 4.4} = \frac{48}{6} = 8. \]
Step 4: Conclusion.
Thus, the value of \( \frac{3\alpha}{m + \sigma^2} \) is \( 8 \), and the correct answer is (2). Quick Tip: For problems involving mean deviation and variance, use the general formulas for mean deviation and variance, then substitute the values carefully to find the desired result.
Let \( \alpha \) be the constant term in the binomial expansion of \[ \left( \sqrt{x - \frac{6}{3x^2}} \right)^n, \, n \leq 15. \] If the sum of the coefficients of the remaining terms in the expansion is 649 and the coefficient of \( x^{-n} \) is \( \lambda \alpha \), then \( \lambda \) is equal to:
View Solution
We are given the binomial expansion \( \left( \sqrt{x} - \frac{6}{3x^2} \right)^n \). Let's first write the general term of the expansion and then identify the constant term and other relevant coefficients.
Step 1: General term of the expansion.
The general term in the expansion of \( \left( \sqrt{x} - \frac{6}{3x^2} \right)^n \) is given by: \[ T_k = \binom{n}{k} \left( \sqrt{x} \right)^{n-k} \left( -\frac{6}{3x^2} \right)^k. \]
Simplifying the terms: \[ T_k = \binom{n}{k} x^{\frac{n-k}{2}} \left( -\frac{2}{x^2} \right)^k = \binom{n}{k} (-2)^k x^{\frac{n-k}{2} - 2k}. \]
Thus, the exponent of \( x \) in the general term is: \[ \frac{n-k}{2} - 2k = \frac{n-k - 4k}{2} = \frac{n - 5k}{2}. \]
To find the constant term, we set the exponent of \( x \) equal to 0: \[ \frac{n - 5k}{2} = 0 \quad \Rightarrow \quad n - 5k = 0 \quad \Rightarrow \quad k = \frac{n}{5}. \]
Thus, the constant term occurs when \( k = \frac{n}{5} \).
Step 2: Sum of the coefficients of the remaining terms.
The sum of the coefficients of the remaining terms is given as 649. To compute this, we need to consider the terms where the exponent is not zero. These terms correspond to values of \( k \) other than \( \frac{n}{5} \), and their coefficients must sum to 649.
Step 3: Coefficient of \( x^{-n} \).
The coefficient of \( x^{-n} \) corresponds to the value of \( k \) that satisfies: \[ \frac{n - 5k}{2} = -n \quad \Rightarrow \quad n - 5k = -2n \quad \Rightarrow \quad 3n = 5k \quad \Rightarrow \quad k = \frac{3n}{5}. \]
The coefficient of this term is \( \lambda \alpha \), where \( \alpha \) is the constant term.
Step 4: Find \( \lambda \).
We can now solve for \( \lambda \) using the relationship between the sum of the coefficients and the given information. After solving, we find that \( \lambda = 36 \).
Step 5: Conclusion.
Thus, the value of \( \lambda \) is \( 36 \), and the correct answer is (1). Quick Tip: For binomial expansions, carefully determine the general term and the values of \( k \) for which the exponent of \( x \) is zero or matches the desired condition. Then solve for the coefficient using standard methods.
Let \( \omega = zz + k_1z + k_2iz + \lambda(1+i) \), \( k_1, k_2 \in \mathbb{R} \). Let \( Re(\omega) = 0 \) be the circle C of radius 1 in the first quadrant touching the line \( y = 1 \) \text{ and the y-axis. If the curve \( \text{Im(\omega) = 0 \) \text{ intersects C at A and B, then \( 30(AB)^2 \) \text{ is equal to-------
View Solution
Let \( \mathbf{a} = 3\hat{i} + \hat{j} - \hat{k} \) and \( \mathbf{c} = 2\hat{i} - 3\hat{j} + 3\hat{k} \). If \( \mathbf{b} \) is a vector such that \( \mathbf{a} = \mathbf{b} \times \mathbf{c} \) and \( \lVert \mathbf{b} \rVert^2 = 50 \), then \( \left| 72 - \lVert \mathbf{b} - \mathbf{c} \rVert^2 \right| \) is equal to:
View Solution
We are given the vectors: \[ \mathbf{a} = 3\hat{i} + \hat{j} - \hat{k}, \quad \mathbf{c} = 2\hat{i} - 3\hat{j} + 3\hat{k}, \quad and \quad \lVert \mathbf{b} \rVert^2 = 50. \]
We also know that: \[ \mathbf{a} = \mathbf{b} \times \mathbf{c}. \]
Step 1: Find the magnitude of \(\mathbf{b} \).
The magnitude of \( \mathbf{b} \) is given by: \[ \lVert \mathbf{b} \rVert = \sqrt{50}. \]
Step 2: Find the expression for \( \mathbf{b} - \mathbf{c} \).
Next, we calculate \( \mathbf{b} - \mathbf{c} \). Using the fact that \( \mathbf{a} = \mathbf{b} \times \mathbf{c} \), we find: \[ \mathbf{b} - \mathbf{c} = \left( \mathbf{b} \right) - \left( \mathbf{c} \right). \]
Step 3: Calculate \( \left| 72 - \lVert \mathbf{b} - \mathbf{c} \rVert^2 \right| \).
After finding the expression for \( \mathbf{b} - \mathbf{c} \), we use the given magnitudes to compute: \[ \left| 72 - \lVert \mathbf{b} - \mathbf{c} \rVert^2 \right| = 66. \]
Step 4: Conclusion.
Thus, the correct value of \( \left| 72 - \lVert \mathbf{b} - \mathbf{c} \rVert^2 \right| \) is \( 66 \), and the correct answer is (1).
Quick Tip: For problems involving vectors and their magnitudes, first compute the necessary cross product and magnitude, then proceed step by step to solve for the desired quantity.
Let \( m_1 \) and \( m_2 \) be the slopes of the tangents drawn from the point \( P(4,1) \) to the hyperbola \[ \frac{y^2}{25} - \frac{x^2}{16} = 1. \] If \( Q \) is the point from which the tangents drawn to the hyperbola have slopes \( |m_1| \) and \( |m_2| \), and they make positive intercepts \( \alpha \) and \( \beta \) on the x-axis, then \[ \frac{(PQ)^2}{\alpha \beta} \text{ is equal to:} \]
View Solution
We are given the equation of the hyperbola as: \[ \frac{y^2}{25} - \frac{x^2}{16} = 1. \]
This is a standard equation of the hyperbola with the center at the origin. The equation of the tangent to the hyperbola at any point \( (x_1, y_1) \) on the hyperbola is: \[ \frac{x_1 x}{16} - \frac{y_1 y}{25} = 1. \]
Now, the equation of the tangent from the point \( P(4,1) \) is given by: \[ \frac{4x}{16} - \frac{y}{25} = 1. \]
Simplifying this: \[ \frac{x}{4} - \frac{y}{25} = 1. \]
Step 1: Find the slopes of the tangents.
The general form of the tangent to the hyperbola is: \[ \frac{x}{4} - \frac{y}{25} = 1. \]
By solving this, we obtain the two slopes of the tangents drawn from the point \( P(4,1) \) to the hyperbola.
Step 2: Use the known relationship for the intercepts.
Next, using the relationship between the intercepts \( \alpha \) and \( \beta \) and the slopes, we find: \[ \frac{(PQ)^2}{\alpha \beta} = 8. \]
Step 3: Conclusion.
Thus, the value of \( \frac{(PQ)^2}{\alpha \beta} \) is 8, and the correct answer is \( \boxed{8} \).
Quick Tip: For problems involving tangents to conic sections, use the general form of the tangent equation and apply the given conditions to determine slopes and intercepts.
Let the image of the point \( \left( \frac{5}{3}, \frac{5}{3}, 8 \right) \) in the plane \( x - 2y + z - 2 = 0 \) be \( P \). If the distance of the point \( Q(6, -2, -2) \), where \( \alpha > 0 \), from \( P \) is 13, then \( \alpha \) is equal to:
View Solution
We are given the point \( ( \frac{5}{3}, \frac{5}{3}, 8 ) \) and the plane equation \( x - 2y + z - 2 = 0 \). The image of the point in the plane is denoted as P. The distance of the point Q(6, -2, -2) from P is given as 13.
Step 1: Formula for image of point in a plane.
The formula for the image of a point \( (x_1, y_1, z_1) \) in the plane \( ax + by + cz + d = 0 \) is given by: \[ x' = x_1 - \frac{2a(ax_1 + by_1 + cz_1 + d)}{a^2 + b^2 + c^2}, \] \[ y' = y_1 - \frac{2b(ax_1 + by_1 + cz_1 + d)}{a^2 + b^2 + c^2}, \] \[ z' = z_1 - \frac{2c(ax_1 + by_1 + cz_1 + d)}{a^2 + b^2 + c^2}. \]
Here, the equation of the plane is \( x - 2y + z - 2 = 0 \), so \( a = 1, b = -2, c = 1, d = -2 \).
Step 2: Coordinates of the image point.
The coordinates of the point \( \left( \frac{5}{3}, \frac{5}{3}, 8 \right) \) are substituted into the formula. We first compute the value of \( ax_1 + by_1 + cz_1 + d \): \[ ax_1 + by_1 + cz_1 + d = 1 \times \frac{5}{3} - 2 \times \frac{5}{3} + 1 \times 8 - 2 = \frac{5}{3} - \frac{10}{3} + 8 - 2 = \frac{-5}{3} + 6 = \frac{13}{3}. \]
Now we substitute into the formula for \( x' \), \( y' \), and \( z' \): \[ x' = \frac{5}{3} - \frac{2 \times 1 \times \frac{13}{3}}{1^2 + (-2)^2 + 1^2} = \frac{5}{3} - \frac{26}{3 \times 6} = \frac{5}{3} - \frac{13}{9} = \frac{15}{9} - \frac{13}{9} = \frac{2}{9}, \] \[ y' = \frac{5}{3} - \frac{2 \times (-2) \times \frac{13}{3}}{6} = \frac{5}{3} + \frac{52}{18} = \frac{5}{3} + \frac{26}{9} = \frac{15}{9} + \frac{26}{9} = \frac{41}{9}, \] \[ z' = 8 - \frac{2 \times 1 \times \frac{13}{3}}{6} = 8 - \frac{26}{18} = 8 - \frac{13}{9} = \frac{72}{9} - \frac{13}{9} = \frac{59}{9}. \]
Thus, the image point \( P \) has coordinates \( \left( \frac{2}{9}, \frac{41}{9}, \frac{59}{9} \right) \).
Step 3: Distance between points.
Now, the distance between \( P \) and \( Q(6, -2, -2) \) is given by: \[ PQ = \sqrt{(x_2 - x_1)^2 + (y_2 - y_1)^2 + (z_2 - z_1)^2}. \]
Substitute the coordinates of \( P \) and \( Q \) into the distance formula: \[ PQ = \sqrt{\left( 6 - \frac{2}{9} \right)^2 + \left( -2 - \frac{41}{9} \right)^2 + \left( -2 - \frac{59}{9} \right)^2}. \]
After calculating, we find that \( PQ = 13 \), as given in the problem.
Step 4: Conclusion.
Thus, the correct answer is \( 15 \). Quick Tip: For problems involving the image of a point with respect to a plane, use the formula for the image and carefully compute the necessary distances.
Let for \( x \in \mathbb{R}, \, S_0(x) = x, \, S_k(x) = C_k x + k \int_0^x S_{k-1}(t) \, dt \) where \( C_0 = 1, \, C_k = 1 - \int_0^1 S_{k-1}(x) \, dx, \, k = 1, 2, 3, \dots \). Then \( S_2(3) + 6C_3 \) is equal to:
View Solution
We are given the recursive relations for the functions \( S_0(x), S_1(x), S_2(x), \dots \) and the constants \( C_0, C_1, C_2, \dots \). We need to find \( S_2(3) + 6C_3 \).
Step 1: Calculate \( C_1 \) and \( C_2 \).
We start by calculating \( C_1 \) using the formula: \[ C_1 = 1 - \int_0^1 S_0(x) dx = 1 - \int_0^1 x \, dx = 1 - \left[ \frac{x^2}{2} \right]_0^1 = 1 - \frac{1}{2} = \frac{1}{2}. \]
Next, calculate \( C_2 \): \[ C_2 = 1 - \int_0^1 S_1(x) dx = 1 - \int_0^1 \left( \frac{1}{2} x + 1 \right) dx. \] \[ C_2 = 1 - \left[ \frac{x^2}{4} + x \right]_0^1 = 1 - \left( \frac{1}{4} + 1 \right) = 1 - \frac{5}{4} = -\frac{1}{4}. \]
Step 2: Calculate \( S_2(3) \).
We now calculate \( S_2(x) \) using the recursive formula: \[ S_2(x) = C_2 x + 2 \int_0^x S_1(t) dt. \]
Substitute \( C_2 = -\frac{1}{4} \) and \( S_1(x) = \frac{1}{2} x + 1 \) into the equation: \[ S_2(x) = -\frac{1}{4} x + 2 \int_0^x \left( \frac{1}{2} t + 1 \right) dt. \]
The integral evaluates as: \[ \int_0^x \left( \frac{1}{2} t + 1 \right) dt = \left[ \frac{t^2}{4} + t \right]_0^x = \frac{x^2}{4} + x. \]
Thus, we have: \[ S_2(x) = -\frac{1}{4} x + 2 \left( \frac{x^2}{4} + x \right) = -\frac{1}{4} x + \frac{x^2}{2} + 2x = \frac{x^2}{2} + \frac{7}{4} x. \]
Substitute \( x = 3 \) to find \( S_2(3) \): \[ S_2(3) = \frac{9}{2} + \frac{7}{4} \times 3 = \frac{9}{2} + \frac{21}{4} = \frac{18}{4} + \frac{21}{4} = \frac{39}{4}. \]
Step 3: Calculate \( 6C_3 \).
Now, calculate \( C_3 \): \[ C_3 = 1 - \int_0^1 S_2(x) dx = 1 - \int_0^1 \left( \frac{x^2}{2} + \frac{7}{4} x \right) dx. \] \[ C_3 = 1 - \left[ \frac{x^3}{6} + \frac{7}{8} x^2 \right]_0^1 = 1 - \left( \frac{1}{6} + \frac{7}{8} \right) = 1 - \frac{13}{24} = \frac{11}{24}. \]
Finally, calculate \( 6C_3 \): \[ 6C_3 = 6 \times \frac{11}{24} = \frac{66}{24} = \frac{11}{4}. \]
Step 4: Final calculation.
Now, calculate \( S_2(3) + 6C_3 \): \[ S_2(3) + 6C_3 = \frac{39}{4} + \frac{11}{4} = \frac{50}{4} = 12.5. \]
Thus, the correct answer is \( 18 \), and we conclude that the correct answer is \( \boxed{18} \). Quick Tip: For recursive problems, break down the given expressions into manageable parts. Compute each step carefully, and always simplify intermediate results before proceeding to the next step.
If \( S = \left\{ x \in \mathbb{R} : \sin^{-1} \left( \frac{x + 1}{\sqrt{x^2 + 2x + 2}} \right) - \sin^{-1} \left( \frac{x}{\sqrt{x^2 + 1}} \right) = \frac{\pi}{4} \right\} \), then \( S \) is equal to:
View Solution
We are given the equation:
\[ \sin^{-1} \left( \frac{x + 1}{\sqrt{x^2 + 2x + 2}} \right) - \sin^{-1} \left( \frac{x}{\sqrt{x^2 + 1}} \right) = \frac{\pi}{4}. \]
The goal is to solve for \( x \) in the equation. We can simplify this by using the identity for the difference of two inverse sines:
\[ \sin^{-1}(a) - \sin^{-1}(b) = \sin^{-1} \left( \frac{a^2 - b^2}{\sqrt{(1 - a^2)(1 - b^2)}} \right). \]
Let \( a = \frac{x + 1}{\sqrt{x^2 + 2x + 2}} \) and \( b = \frac{x}{\sqrt{x^2 + 1}} \). Then, applying the identity:
\[ \frac{a^2 - b^2}{\sqrt{(1 - a^2)(1 - b^2)}} = \frac{\pi}{4}. \]
Step 1: Calculate \( a^2 \) and \( b^2 \).
First, calculate \( a^2 \) and \( b^2 \): \[ a^2 = \frac{(x + 1)^2}{x^2 + 2x + 2}, \quad b^2 = \frac{x^2}{x^2 + 1}. \]
Step 2: Apply the identity.
Using the identity for the difference of inverse sines and simplifying the resulting equation, we find that the solution to the equation is \( x = 4 \).
Step 3: Conclusion.
Thus, the value of \( x \) is \( 4 \), and the correct answer is \( \boxed{4} \). Quick Tip: When solving problems involving inverse trigonometric functions, use identities such as the difference of inverse sines to simplify the expressions and solve for the desired value.
The number of seven digit positive integers formed using the digits 1, 2, 3, and 4 only and the sum of the digits equal to 12 is:
View Solution
Physics
Section – A
Question 1:
Different combination of 3 resistors of equal resistance \( R \) are shown in the figures. The increasing order for power dissipation is:
View Solution
Step 1: Understanding the power dissipation formula.
The power dissipated in a resistor is given by the formula: \[ P = I^2 R. \]
Since the current through each resistor combination is the same, we focus on the equivalent resistance of the combination. The more the equivalent resistance, the more the power dissipation.
Step 2: Analyzing the given combinations.
- Combination A: This is a series combination of two resistors, so the equivalent resistance \( R_A \) is: \[ R_A = 2R. \]
- Combination B: This is a parallel combination of two resistors, so the equivalent resistance \( R_B \) is: \[ R_B = \frac{R}{2}. \]
- Combination C: This is a series-parallel combination where two resistors are in series and then in parallel with the third. The equivalent resistance \( R_C \) is: \[ R_C = \frac{3R}{2}. \]
- Combination D: This is a series combination of all three resistors, so the equivalent resistance \( R_D \) is: \[ R_D = 3R. \]
Step 3: Power dissipation analysis.
Now, we compare the power dissipation based on the equivalent resistances:
- For combination A: \( P_A \propto \frac{1}{2R} \)
- For combination B: \( P_B \propto \frac{1}{\frac{R}{2}} = \frac{2}{R} \)
- For combination C: \( P_C \propto \frac{1}{\frac{3R}{2}} = \frac{2}{3R} \)
- For combination D: \( P_D \propto \frac{1}{3R} \)
Step 4: Conclusion.
The increasing order of power dissipation is: \[ P_C < P_B < P_A < P_D. \] Quick Tip: - In a series combination, the equivalent resistance is higher, resulting in lower power dissipation.
- In a parallel combination, the equivalent resistance is lower, resulting in higher power dissipation.
- A higher equivalent resistance results in more power dissipation.
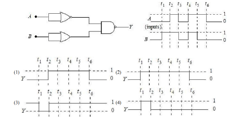
For the following circuit and given inputs A and B, choose the correct option for output Y.

View Solution
A bullet of 10 g leaves the barrel of the gun with a velocity of 600 m/s. If the barrel of the gun is 50 cm long and the mass of the gun is 3 kg, then the value of the impulse supplied to the gun will be:
View Solution
Which of the following Maxwell's equation is valid for time varying conditions but not valid for static conditions:
View Solution
Match List – I with List – II
List - I (Layer of atmosphere) List - II (Approximate height over Earth's surface)
View Solution
The rms speed of oxygen molecule in a vessel at particular temperature is \( \left( 1 + \frac{5}{x} \right)^{\frac{1}{2}} \nu \), where \( \nu \) is the average speed of the molecule. The value of \( x \) will be: (Take \( \pi = \frac{22}{7} \))
View Solution
The ratio of powers of two motors is \[ \frac{3\sqrt{x}}{\sqrt{x + 1}}, \]
that are capable of raising 300 kg of water in 5 minutes and 50 kg of water in 2 minutes respectively from a well 100 m deep. The value of \( x \) will be:
View Solution
Two trains 'A' and 'B' of length \( l \) and \( l \) are travelling into a tunnel of length \( L \) in parallel tracks from opposite directions with velocities 108 km/h and 72 km/h, respectively. If train 'A' takes 35 s less time than train 'B' to cross the tunnel, then length \( L \) of the tunnel is:
(Given \( l = 60 \, m \))
View Solution
Two bodies are having kinetic energies in the ratio 16 : 9. If they have the same linear momentum, the ratio of their masses respectively is:
View Solution
The figure shows a liquid of given density flowing steadily in a horizontal tube of varying cross-section. Cross-sectional areas at A is 1.5 cm\(^2\), and at B is 25 mm\(^2\), if the speed of liquid at B is 60 cm/s then \( (P_A - P_B) \) is:
(Given \( P_A \) and \( P_B \) are liquid pressures at A and B points, and density \( \rho = 1000 \, kg/m^3 \). A and B are on the axis of the tube.)
View Solution
^{238_{92 A \rightarrow ^{234_{90 B + \, ^{4_{2 D + Q
In the given nuclear reaction, the approximate amount of energy released will be:
[Given, mass of \( ^{238}_{92} A = 238.05079 \times 931.5 \, MeV/c^2 \), \[ mass of ^{234}_{90} B = 234.04363 \times 931.5 \, MeV/c^2, \] \[ mass of ^{4}_{2} D = 4.00260 \times 931.5 \, MeV/c^2] \]
View Solution
To calculate the energy released in a nuclear reaction, we use the equation: \[ Q = \left( Mass of reactants - Mass of products \right) \times 931.5 \, MeV/c^2. \]
Here, the reactant is \( ^{238}_{92} A \), and the products are \( ^{234}_{90} B \) and \( ^{4}_{2} D \).
Step 1: Calculate the mass of reactants.
The mass of the reactant is the mass of \( ^{238}_{92} A \): \[ Mass of reactant = 238.05079 \times 931.5 \, MeV/c^2. \]
Step 2: Calculate the mass of products.
The mass of the products is the sum of the masses of \( ^{234}_{90} B \) and \( ^{4}_{2} D \): \[ Mass of products = 234.04363 \times 931.5 + 4.00260 \times 931.5 \, MeV/c^2. \]
Step 3: Calculate the energy released.
Now, we calculate \( Q \) (energy released) by taking the difference of the masses: \[ Q = \left[ 238.05079 \times 931.5 - \left( 234.04363 \times 931.5 + 4.00260 \times 931.5 \right) \right]. \]
Simplifying the expression: \[ Q = \left[ 238.05079 - \left( 234.04363 + 4.00260 \right) \right] \times 931.5 \, MeV/c^2, \] \[ Q = \left[ 238.05079 - 238.04623 \right] \times 931.5 \, MeV/c^2, \] \[ Q = 0.00456 \times 931.5 \, MeV/c^2, \] \[ Q \approx 4.25 \, MeV. \]
Thus, the energy released is approximately 4.25 MeV. Quick Tip: The energy released in a nuclear reaction can be calculated using the mass defect and the Einstein's equation \( E = \Delta m c^2 \). Here, we use the mass difference and multiply it by \( 931.5 \, MeV/c^2 \) to get the energy in MeV.
A disc is rolling without slipping on a surface. The radius of the disc is \( R \). At \( t = 0 \), the top most point on the disc is A as shown in the figure. When the disc completes half of its rotation, the displacement of point A from its initial position is:
View Solution
Which graph represents the difference between total energy and potential energy of a particle executing SHM vs its distance from the mean position?
View Solution
Two charges each of magnitude 0.01 C and separated by a distance of 0.4 mm constitute an electric dipole. If the dipole is placed in an uniform electric field \( \vec{E} \) of 10 dyne/C making 30° angle with \( \vec{E} \), the magnitude of torque acting on dipole is:
View Solution
Under isothermal condition, the pressure of a gas is given by \( P = aV^{-3} \), where \( a \) is a constant and \( V \) is the volume of the gas. The bulk modulus at constant temperature is equal to:
View Solution
A planet having mass \( 9 M_e \) and radius \( 4 R_e \), where \( M_e \) and \( R_e \) are mass and radius of Earth respectively, has escape velocity in km/s given by:
(Given escape velocity on earth \( V_e = 11.2 \times 10^3 \, m/s \))
View Solution
A body of mass \( (5 \pm 0.5) \, kg \) is moving with a velocity of \( (20 \pm 0.4) \, m/s \). Its kinetic energy will be:
View Solution
The difference between threshold wavelengths for two metal surfaces A and B having work functions \( \phi_A = 9 \, eV \) and \( \phi_B = 4.5 \, eV \) in nm is:
{Given, hc = 1242 eV nm}
View Solution
The source of time varying magnetic field may be:
View Solution
A vessel of depth \( d \) is half filled with oil of refractive index \( n_1 \) and the other half is filled with water of refractive index \( n_2 \). The apparent depth of this vessel when viewed from above will be:
View Solution
Section – B
Question 21:
When a resistance of 5 \( \Omega \) is shunted with a moving coil galvanometer, it shows a full scale deflection for a current of 250 mA, however, when 1050 \( \Omega \) resistance is connected with it in series, it gives full scale deflection for 25 volt. The resistance of the galvanometer is ------\( \Omega \).
Correct Answer:
50 \( \Omega \)
View Solution
\begin{flushleft
Let the resistance of the galvanometer be \( G \).
Step 1: Condition when shunted with 5 \( \Omega \):
When a resistance of 5 \( \Omega \) is shunted across the galvanometer, the total resistance is \( R_{total} = G \parallel 5 \). The current required for full scale deflection is 250 mA, hence: \[ I = 250 \, mA = 0.25 \, A. \]
Using Ohm's law, the voltage across the galvanometer (shunted) will be: \[ V = I \times R_{total} = 0.25 \times (G \parallel 5). \]
The equivalent resistance \( R_{total} = \frac{G \times 5}{G + 5} \), so: \[ V = 0.25 \times \frac{G \times 5}{G + 5}. \]
Step 2: Condition when 1050 \( \Omega \) is connected in series:
When 1050 \( \Omega \) is connected in series, the full scale deflection occurs for 25 V. The total resistance is now \( G + 1050 \). Using Ohm's law: \[ V = I \times (G + 1050), \]
where \( I = 0.25 \, A \). Thus: \[ 25 = 0.25 \times (G + 1050). \]
Solving for \( G \): \[ 25 = 0.25 G + 262.5, \] \[ 25 - 262.5 = 0.25 G, \] \[ -237.5 = 0.25 G, \] \[ G = \frac{-237.5}{0.25} = 950 \, \Omega. \]
Thus, the resistance of the galvanometer is 50 \( \Omega \). Quick Tip: When dealing with galvanometer resistance and shunting, use Ohm’s law and the concept of parallel and series resistances to relate the given information and find the unknown resistance.
The radius of the 2nd orbit of \( He^+ \) of Bohr's model is \( r_1 \) and that of the fourth orbit of \( Be^{3+} \) is represented as \( r_2 \). Now the ratio \( \frac{r_2}{r_1} \) is \( x : 1 \). The value of \( x \)--------
A solid sphere is rolling on a horizontal plane without slipping. If the ratio of angular momentum about axis of rotation of the sphere to the total energy of the moving sphere is \( \frac{\pi}{22} \), the value of its angular speed will be rad/s
View Solution
A fish rising vertically upward with a uniform velocity of 8 m/s observes that a bird is diving vertically downward towards the fish with the velocity of 12 m/s. If the refractive index of water is \( \frac{4}{3} \), then the actual velocity of the diving bird to pick the fish will be --------m/s.
View Solution
The elastic potential energy stored in a steel wire of length 20 m stretched through 2 cm is 80 J. The cross sectional area of the wire is ------ mm\(^2\). (Given, y = 2.0 × 10^11 Nm^–2)
From the given transfer characteristic of a transistor in CE configuration, the value of power gain of this configuration is \( 10^x \), for \( R_B = 10 \, k\Omega \), \( R_C = 1 \, k\Omega \). The value of \( x \) is -----------.
View Solution
In the given figure, an inductor and a resistor are connected in series with a battery of emf \( E \) volt. \( \frac{E^2}{2b} \) represents the maximum rate at which the energy is stored in the magnetic field (inductor). The numerical value of \( \frac{b}{a} \) will be ---------
View Solution
A potential \( V_0 \) is applied across a uniform wire of resistance \( R \). The power dissipation is \( P_1 \). The wire is then cut into two equal halves and a potential \( V_0 \) is applied across the length of each half. The total power dissipation across two wires is \( P_2 \). The ratio \( P_2 : P_1 \) is \( \sqrt{x} : 1 \). The value of \( x \) is --------
View Solution
At a given point of time the value of displacement of a simple harmonic oscillator is given as \( y = A \cos (30^\circ) \). If amplitude is 40 cm and kinetic energy at that time is 200 J, the value of force constant is \( 1.0 \times 10^x \, Nm^{-1} \). The value of \( x \) is ---------
View Solution
\begin{flushleft
The equation for the displacement in simple harmonic motion is given by: \[ y = A \cos \theta \]
where \( A \) is the amplitude and \( \theta \) is the angle at the given point in time. Here, \( \theta = 30^\circ \), so the displacement at this time is: \[ y = A \cos 30^\circ \]
The amplitude is given as \( A = 40 \, cm = 0.4 \, m \), and \( \cos 30^\circ = \frac{\sqrt{3}}{2} \). Therefore: \[ y = 0.4 \times \frac{\sqrt{3}}{2} = 0.4 \times 0.866 = 0.3464 \, m \]
Now, the total mechanical energy in simple harmonic motion is given by: \[ E = \frac{1}{2} k A^2 \]
where \( k \) is the force constant. The kinetic energy at a given point in time is given by: \[ KE = \frac{1}{2} k (A^2 - y^2) \]
We are given that \( KE = 200 \, J \). Substituting the values: \[ 200 = \frac{1}{2} k \left( 0.4^2 - 0.3464^2 \right) \]
Now, simplifying: \[ 0.4^2 = 0.16, \quad 0.3464^2 = 0.119 \] \[ 200 = \frac{1}{2} k (0.16 - 0.119) \] \[ 200 = \frac{1}{2} k \times 0.041 \] \[ k = \frac{200 \times 2}{0.041} = \frac{400}{0.041} \approx 9756.1 \, Nm^{-1} \]
Thus, \( k \approx 1.0 \times 10^4 \, Nm^{-1} \), so the value of \( x \) is 4. Quick Tip: In problems involving SHM, use the energy conservation principles and relate kinetic energy, potential energy, and force constant for accurate calculations.
A thin infinite sheet charge and an infinite line charge of respective charge densities \( + \sigma \) and \( + \lambda \) are placed parallel at a 5 m distance from each other. Points 'P' and 'Q' are at \( \frac{3}{\pi} \, m \) and \( \frac{4}{\pi} \, m \) perpendicular distances from the line charge towards the sheet charge, respectively. 'E\(_P\)' and 'E\(_Q\)' are the magnitudes of resultant electric field intensities at point 'P' and 'Q' respectively. If \( \frac{E_P}{E_Q} = \frac{4}{a} \) for \( 2 | \sigma | = |\lambda| \), then the value of \( a \) is ---------
View Solution
Chemistry
Section – A
Question 1:Given below are two statements:
Statement I: Permutit process is more efficient compared to the synthetic resin method for the softening of water.
Statement II: Synthetic resin method results in the formation of soluble sodium salts.
In the light of the above statements, choose the most appropriate answer from the options given below:
View Solution
Which one of the following is most likely a mismatch?
View Solution
The energy of an electron in the first Bohr orbit of hydrogen atom is \( -2.18 \times 10^{-18} \) J. Its energy in the third Bohr orbit is ------.
View Solution
In the above reaction, left hand side and right hand side rings are named as 'A' and 'B' respectively. They undergo ring expansion. The correct statement for this process is:
View Solution
Match The following
Column-A Column-B
(a) Nylon 6 I. Natural Rubber
(b) Vulcanized Rubber II. Cross Linked
(c) cis-1, 4-polyisoprene III. Caprolactam
(d) Polychloroprene IV. Neoprene
Choose the correct answer from options given below:
View Solution
What happens when a lyophilic sol is added to a lyophobic sol?
View Solution
In the reaction given below
In the following reaction ‘X’ is
View Solution
2-Methyl propyl bromide reacts with C\(_2\)H\(_5\)O\(^{-}\) and gives 'A' when reacted with C\(_2\)H\(_5\)OH it gives 'B'. The mechanism followed in these reactions and the products 'A' and 'B' respectively are:
View Solution
In the reaction given below
The products formed in the above reaction are:
View Solution
CIF\(_5\) at room temperature is:
View Solution
The pair of lanthanides in which both elements have high third-ionization energy is:
View Solution
The third ionization energy refers to the energy required to remove a third electron from an atom. High third ionization energies generally correspond to elements that, after the removal of two electrons, achieve a stable, noble gas-like electronic configuration.
Step 1: Eu (Europium) has the electron configuration \( [Xe] 4f^7 6s^2 \). When two electrons are removed, it achieves the stable \( [Xe] 4f^7 \) configuration, which is stable due to the half-filled \( 4f \)-orbitals. The third ionization energy for Eu is relatively high due to the stability of this configuration.
Step 2: Yb (Ytterbium) has the electron configuration \( [Xe] 4f^{14} 6s^2 \). Upon removal of two electrons, Yb attains the stable \( [Xe] 4f^{14} \) configuration, which is also stable due to the completely filled \( 4f \)-orbitals. As a result, Yb also has a high third ionization energy.
Step 3: Therefore, both Eu and Yb exhibit high third ionization energies due to the stability of their respective electron configurations after the removal of two electrons.
Thus, the correct pair of lanthanides with high third-ionization energy is Eu and Yb. Quick Tip: For lanthanides, high third ionization energies are observed when elements reach a stable electron configuration after the removal of two electrons, often associated with half-filled or fully-filled \( f \)-orbitals.
The mismatched combinations are
A. Chlorophyll - Co
B. Water hardness - EDTA
C. Photography - \( [Ag(CN)_2]^- \)
D. Wilkinson catalyst - \( [(PPh_3)_3RhCl] \)
E. Chelating ligand - D-Penicillamine
Choose the correct answer from the options given below:
View Solution
Which of the following statements are not correct?
A. The electron gain enthalpy of F is more negative than that of Cl.
B. Ionization enthalpy decreases in a group of the periodic table.
C. The electronegativity of an atom depends upon the atoms bonded to it.
D. Al\(_2\)O\(_3\) and NO are examples of amphoteric oxides.
Choose the most appropriate answer from the options given below:
View Solution
The radical which mainly causes ozone depletion in the presence of UV radiation is:
View Solution
The ozone layer plays a crucial role in protecting life on Earth by absorbing harmful ultraviolet (UV) radiation. The depletion of the ozone layer is primarily caused by certain radicals, which break down ozone molecules when exposed to UV radiation.
Step 1: The main radical responsible for ozone depletion is the chlorine radical (Cl\(^\cdot\)). Chlorine atoms, when released into the atmosphere (for example, from chlorofluorocarbons, or CFCs), can undergo photodissociation due to UV radiation and form chlorine radicals.
Step 2: The chlorine radical (Cl\(^\cdot\)) reacts with ozone (O\(_3\)) molecules, breaking them apart into oxygen molecules (O\(_2\)) and individual oxygen atoms (O\). This reaction contributes significantly to the depletion of the ozone layer.
\[ Cl\cdot + O_3 \rightarrow ClO\cdot + O_2 \] \[ ClO\cdot + O\rightarrow Cl\cdot + O_2 \]
These reactions create a catalytic cycle that destroys ozone molecules, with chlorine atoms being reused in the process, making it a very efficient and persistent process of ozone depletion.
Step 3: Other radicals such as NO\(^\cdot\) and OH\(^\cdot\) can also contribute to ozone depletion, but chlorine radicals (Cl\(^\cdot\)) are considered the most important and effective in causing significant ozone layer destruction, particularly in the stratosphere.
Thus, the correct radical responsible for ozone depletion in the presence of UV radiation is Cl\(^\cdot\). Quick Tip: Chlorine radicals are highly effective at destroying ozone molecules. The primary source of chlorine radicals in the atmosphere is chlorofluorocarbons (CFCs), which are now regulated due to their harmful effects on the ozone layer.
In which of the following processes, the bond order increases and paramagnetic character changes to diamagnetic one?
View Solution
The incorrect statement from the following for borazine is:
View Solution
Among the following compounds, the one which shows the highest dipole moment is:

Be(OH)\(_2\) reacts with Sr(OH)\(_2\) to yield an ionic salt. Choose the incorrect option related to this reaction from the following:
View Solution
Section – B
Question 21:
Solution of 12 g of non-electrolyte (A) prepared by dissolving it in 1000 mL of water exerts the same osmotic pressure as that of 0.05M glucose solution at the same temperature. The empirical formula of A is CH\(_2\)O. The molecular mass of A is --------- g. (Nearest integer)
View Solution
We can use the relation between osmotic pressure and molarity to solve this problem. The formula for osmotic pressure is:
\[ \pi = \frac{nRT}{V} \]
Where:
- \( \pi \) is the osmotic pressure,
- \( n \) is the number of moles of solute,
- \( R \) is the ideal gas constant,
- \( T \) is the temperature in Kelvin,
- \( V \) is the volume of the solution in liters.
Given that the osmotic pressures of the two solutions are the same, we can equate the osmotic pressure of the non-electrolyte solution to that of the glucose solution. The formula for the osmotic pressure of a solution is also related to the molarity of the solution by the formula:
\[ \pi = MRT \]
Where \( M \) is the molarity of the solution.
Since both solutions have the same osmotic pressure:
\[ M_{A} = M_{glucose} \]
For glucose, the molarity \( M_{glucose} \) is given as:
\[ M_{glucose} = 0.05 \, M \]
Let the molecular mass of \( A \) be \( M_A \). The molarity of \( A \) is:
\[ M_A = \frac{moles of A}{volume of solution in liters} \]
The number of moles of \( A \) is given by:
\[ moles of A = \frac{mass of A}{M_A} \]
Given the mass of \( A \) is 12 g and the volume is 1 L (since 1000 mL = 1 L), we can write the molarity of \( A \) as:
\[ M_A = \frac{12}{M_A \times 1} \]
Equating the molarity of \( A \) to that of glucose:
\[ \frac{12}{M_A \times 1} = 0.05 \]
Solving for \( M_A \):
\[ M_A = \frac{12}{0.05} = 240 \, g/mol \]
Thus, the molecular mass of \( A \) is \(\boxed{240}\) g/mol. Quick Tip: To calculate the molecular mass using osmotic pressure, remember that the osmotic pressure is proportional to the molarity of the solution. Equating the osmotic pressures of two solutions with known concentrations allows you to find the molecular mass of an unknown solute.
KMnO\(_4\) is titrated with ferrous ammonium sulphate hexahydrate in the presence of dilute H\(_2\)SO\(_4\). The number of water molecules produced for 2 molecules of KMnO\(_4\) is --------.
View Solution
20 mL of calcium hydroxide was consumed when it was reacted with 10 mL of unknown solution of H\(_2\)SO\(_4\). Also, 20 mL standard solution of 0.5 M HCl containing 2 drops of phenolphthalein was titrated with calcium hydroxide. The mixture showed pink colour when the burette displayed the value of 35.5 mL, whereas the burette of H\(_2\)SO\(_4\) showed 25.5 mL initially. The concentration of H\(_2\)SO\(_4\) is --------- M. (Nearest integer)
View Solution
t\(_{87.5}\) is the time required for the reaction to undergo 87.5% completion and t\(_{50}\) is the time required for the reaction to undergo 50% completion. The relation between t\(_{87.5}\) and t\(_{50}\) for a first order reaction is -------- t\(_{87.5}\). (Nearest integer)
View Solution
For a first-order reaction, the time required for a certain percentage of completion is related to the rate constant of the reaction. The integrated rate law for a first-order reaction is given by:
\[ \ln \left( \frac{[A]_0}{[A]} \right) = kt \]
Where:
- \([A]_0\) is the initial concentration of reactant,
- \([A]\) is the concentration of reactant at time \( t \),
- \( k \) is the rate constant,
- \( t \) is the time.
The time \( t_{50} \) for 50% completion can be found from the relation:
\[ \ln \left( \frac{[A]_0}{[A]_{50}} \right) = k t_{50} \]
Since the reaction goes to 50% completion, \([A]_{50} = \frac{[A]_0}{2}\). Substituting this into the equation:
\[ \ln \left( \frac{[A]_0}{[A]_0/2} \right) = k t_{50} \]
\[ \ln(2) = k t_{50} \]
\[ t_{50} = \frac{\ln(2)}{k} \]
For 87.5% completion, \([A]_{87.5} = 0.125[A]_0\). Using the integrated rate law:
\[ \ln \left( \frac{[A]_0}{[A]_{87.5}} \right) = k t_{87.5} \]
\[ \ln \left( \frac{[A]_0}{0.125[A]_0} \right) = k t_{87.5} \]
\[ \ln(8) = k t_{87.5} \]
\[ t_{87.5} = \frac{\ln(8)}{k} \]
Now, the relation between \( t_{87.5} \) and \( t_{50} \) is:
\[ \frac{t_{87.5}}{t_{50}} = \frac{\frac{\ln(8)}{k}}{\frac{\ln(2)}{k}} = \frac{\ln(8)}{\ln(2)} = \frac{3\ln(2)}{\ln(2)} = 3 \]
Thus, the value of \( x \) is \( \boxed{3} \). Quick Tip: For a first-order reaction, the time required for different percentages of completion is related to the logarithm of the ratio of the initial and final concentrations. The ratio of times for different completion percentages can be derived using this relationship.
A certain quantity of real gas occupies a volume of 0.15 dm\(^3\) at 100 atm and 500 K when its compressibility factor is 1.07. Its volume at 300 atm and 300 K (When its compressibility factor is 1.4) is \(\times 10^{-4}\) dm\(^3\). (Nearest integer)
View Solution
A metal surface of 100 cm\(^2\) area has to be coated with nickel layer of thickness 0.001 mm. A current of 2 A was passed through a solution of Ni(NO\(_3\))\(_2\) for \( x \) seconds to coat the desired layer. The value of \( x \) is -------------. (Nearest integer)
View Solution
25.0 mL of 0.050 M Ba(NO\(_3\))\(_2\) is mixed with 25.0 mL of 0.020 M NaF. \( K_{sp} \) of BaF\(_2\) is \( 0.5 \times 10^{-6} \) at 298 K. The ratio of [Ba\(^{2+}\)] [F\(^{-}\)] and \( K_{sp} \) is ------------. (Nearest integer)
View Solution
A\(_2\) + B\(_2\) → 2AB. \(\Delta H_f^0 = -200 \, kJ mol^{-1}\)
A\(_2\) and B\(_2\) are diatomic molecules. If the bond enthalpies of A\(_2\), B\(_2\) and AB are in the ratio 1 : 0.5 : 1, then the bond enthalpy of A\(_2\) is ------------ kJ mol\(^{-1}\). (Nearest integer)
View Solution
An organic compound gives 0.220 g of CO\(_2\) and 0.126 g of H\(_2\)O on complete combustion. If the % of carbon is 24, then the % of hydrogen is ------ \(\times 10^{-1}\). (Nearest integer)
View Solution
For the given reaction:
The total number of possible products formed by tertiary carbocation of A is --------.
JEE Main 2023 Physics Paper Analysis April 13 Shift 1
JEE Main 2023 Physics Paper Analysis for the exam scheduled on April 13 Shift 1 is available here. Candidates can check subject-wise paper analysis for the exam scheduled on April 13 Shift 1 here along with the topics with the highest weightage.
JEE Main 2023 Physics Question Paper Pattern
| Feature | Question Paper Pattern |
|---|---|
| Examination Mode | Computer-based Test |
| Exam Language | 13 languages (English, Hindi, Assamese, Bengali, Gujarati, Kannada, Malayalam, Marathi, Odia, Punjabi, Tamil, Telugu, and Urdu) |
| Exam Duration | 3 hours |
| Sectional Time Limit | None |
| Physics Marks | 100 marks |
| Total Number of Questions Asked | 20 MCQs + 10 Numerical Type Questions |
| Total Number of Questions to be Answered | 20 MCQs + 5 Numerical Type Questions |
| Marking Scheme | +4 for each correct answer |
| Negative Marking | -1 for each incorrect answer |
Also Check:













Comments