JEE Main 2026 April 4 Shift 2 physics question paper is available here with answer key and solutions. NTA conducted the second shift of the day on April 4, 2026, from 3:00 PM to 6:00 PM.
- The JEE Main Physics Question Paper contains a total of 25 questions.
- Each correct answer gets you 4 marks while incorrect answers gets you a negative mark of 1.
Candidates can download the JEE Main 2026 April 4 Shift 2 physics question paper along with detailed solutions to analyze their performance and understand the exam pattern better.
JEE Main 2026 April 4 Shift 2 Physics Question Paper with Solution PDF

Also Check:
As shown in the figure, for a biconvex lens the focal length is \( f \) and both radii of curvature are \( R \). Find the value of \( f/R \) (\( \mu = 1.4 \)):

Two setups of polarizers are used to polarize natural light as shown. Find the value of the ratio of intensities \( I_1/I_2 \). The angle of axes is shown in the figure from a fixed axis.

The figure shows a pipe with cross-section area 10 \( cm^2 \). Water flows from one end with velocity 20 cm/s. The other end of the pipe is closed and consists of 10 holes each of area 30 \( mm^2 \). Find the velocity of water coming out from each hole:

Assertion (A): Free charge cannot exist inside a conductor.
Reason (R): If a free charge is kept between the plates of a capacitor, then it will experience force and it will drift.
Material of \( \mu_r = 400 \) is present inside a solenoid where the magnetic field is found to be 1 T. If the magnetic intensity here is \( \alpha \times 10^5 \) SI units, find \( \alpha \) (\( \mu_0 = 4\pi \times 10^{-7} \) SI units):
In a YDSE experiment, a sheet of thickness \( t \) and \( \mu = 1.56 \) is introduced at a slit. The central maxima shifts to the position of the \( 7^{th} \) maxima. The wavelength of light is 480 nm. If \( t = x \, \mu m \), find the value of \( x \):
Statement-1: Two gases \( \ce{H2} \) and \( \ce{O2} \) are having same average kinetic energy, then they have same temperature.
Statement-2: \( \ce{H2} \) and \( \ce{O2} \) will have same \( v_{rms} \) at same temperature.
A solenoid of radius 2 cm and with 125 turns is kept in a uniform magnetic field of 0.4 T carries a current of 1A. The axis of the solenoid makes an angle of \( 30^\circ \) with the field. The torque acting on the solenoid will be:
A force \( \vec{F} = (5\hat{i} + 2\hat{j}) \) N is acting for 2 sec on an object of mass 0.1 kg, which is initially at rest at the origin. Find the final position:
A Zener diode has a voltage rating of 10 volts and the maximum power drop across the Zener diode is 0.5 watt. What resistance (in Ohm) should be connected in series with the Zener diode so that it can be operated safely by a battery of 25 volts?
Point P is at \( r = 5 \) cm distance from the centers of two bar magnets, each of magnetic moment \( 3\sqrt{5} \, A-m^2 \). Find the magnetic field at P (assuming magnets are placed such that P is on their axial/equatorial lines):

Assertion: For a diode in reverse bias, current is independent of applied voltage before breakdown and it increases drastically just after breakdown.
Reason: Before breakdown only majority charge carriers flow.
Electron and proton are accelerated with the same potential to achieve de-Broglie wavelengths of \( \lambda_1 \) and \( \lambda_2 \). Given \( m_p = 1849 \, m_e \), find the ratio \( \lambda_1/\lambda_2 \):
The figure shows a disc of mass \( m \) and radius \( R \) hinged at point 'A' on its periphery and free to oscillate about the axis. Find the time period for small oscillations of the disc:

A particle is projected from the ground whose \( x, y \)-coordinates vary with time according to the equations \( x = 24t \) and \( y = 43.6t - 4.9t^2 \). Find the initial angle \( \theta \) made by the velocity vector \( \vec{v} \) with the \( x \)-axis:
At what height does gravitational acceleration become 1/9th of gravity at the surface of a planet, if the radius of the planet is \( R \)?
Two cars A \& B are moving on a road with speed 100 km/hr and 80 km/hr. A stone is thrown from car B with speed \( V \) km/hr relative to it. Stone hits the car A with speed 5 m/s with respect to car A (ignore gravity). The value of \( V \) is: [All given velocities are in the same direction]
A toy gun fires bullets in every possible direction. It is found that the bullet lands at a maximum horizontal distance of 6.4 m from the gun. Find the speed of projection (\( g = 10 \, m/s^2 \)):
A rod of length L is heated from temperature \( T_1 \) to \( T_2 \). Let \( T_2 - T_1 = \Delta T \) and the expansion of the rod be \( \Delta L_1 \). The rod is further heated from \( T_2 \) to \( T_3 \) such that \( T_1 + T_3 = 2T_2 \). Find the expansion of the rod \( \Delta L_2 \):
\( \vec{B} = B_0 \sin (\omega t - kx) \hat{j} \) is the magnetic field of an EM wave. Then its electric field is:
Why do only a few \( \alpha \)-particles rebound from the gold nucleus in Rutherford's experiment?
S1: Size of gold nucleus is very small compared to the gold atom.
S2: Impact parameter of \( \alpha \)-particles is very small.
S3: Nuclear charge of \( \ce{He^{2+}} \) particles is very small compared to gold.
S4: Very few \( \alpha \)-particles undergo head-on collision.
Then correct statements are:
Two rods and two blocks are connected as shown in the figure. Find out the ratio of extension in the rods (Assuming standard configuration where upper rod supports both blocks and lower rod supports one):

Match the given quantities according to their dimensions:

A dipole is kept in an electric field \( \vec{E}_1 = E_0 \hat{i} \). It oscillates with frequency \( f_1 \). A new electric field \( \vec{E}_2 = 2E_0 \hat{j} + 2E_0 \hat{k} \) is superimposed. The dipole now oscillates in the direction of \( E_{net} \) with frequency \( f_2 \). Find the percentage change in frequency:
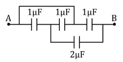
For the given capacitor circuit, find out the equivalent capacitance between A and B:

JEE Main 2026 Physics Exam Pattern
| Particulars | Details |
|---|---|
| Exam Mode | Online (Computer-Based Test) |
| Paper | B.E./B.Tech |
| Medium of Exam | 13 languages: English, Hindi, Gujarati, Bengali, Tamil, Telugu, Kannada, Marathi, Malayalam, Odia, Punjabi, Assamese, Urdu |
| Type of Questions | Multiple Choice Questions (MCQs) + Numerical Value Questions |
| Total Marks | 100 marks |
| Marking Scheme | +4 for correct answer & -1 for incorrect MCQ and Numerical Value-based Questions |
| Total Questions | 25 Questions |








Comments