JEE Main 2026 April 5 Shift 1 physics question paper is available here with answer key and solutions. NTA conducted the first shift of the day on April 5, 2026, from 9:00 AM to 12:00 PM.
- The JEE Main Physics Question Paper contains a total of 25 questions.
- Each correct answer gets you 4 marks while incorrect answers gets you a negative mark of 1.
Candidates can download the JEE Main 2026 April 5 Shift 1 physics question paper along with detailed solutions to analyze their performance and understand the exam pattern better.
JEE Main 2026 April 5 Shift 1 Physics Question Paper with Solution PDF

Also Check:
If \(R=\) resistance, \(L=\) inductance, \(C=\) capacitance, then the dimension \([ML^2T^{-4}A^{-2}]\) represents
If speed of light is \(2.12\times10^8\ m/s\) in the medium of an equilateral prism, find the minimum angle of deviation.
For ideal gas: \(n\): number of moles, \(C_v\): molar specific heat at constant volume, \(\gamma\): adiabatic exponent of gas, \(T_f\): final temperature, \(T_i\): initial temperature, \(R\): gas constant.
Assertion :
\[ nC_v(T_f-T_i)=\frac{nR}{\gamma-1}(T_f-T_i) \]
Reason :
\[ \gamma = 1 + \frac{2}{f} \]
A travelling wave on a string is given by
\[ y = 3\sin\left(100t + 0.018x + \frac{\pi}{6}\right) \]
Find the minimum distance (in m) between two crests.
In hydrogen atom an electron jumps from state \(i\) to \(f\). Radius of path of electron in state \(i\) and \(f\) are \(r_i\) and \(r_f\) respectively such that
\[ \frac{r_i}{r_f}=\frac{4}{1} \]
If Rydberg constant \(R = 1.0976\times10^7\ m^{-1}\), find wavelength of emitted photon (in \(\AA\)).
(\(r_i\) and \(r_f\) are minimum possible radius.)
If a metal rod has length \(\ell\) and area of cross-section \(A\), its Young's modulus is \(Y\). What will happen to \(Y\) if length is doubled and area is halved?
Two points \(A\) and \(B\) are \(16\ km\) from the surface of Earth.
Point \(A\) is above the surface while point \(B\) is below the surface.
Acceleration due to gravity at \(A\) and \(B\) are \(g_A\) and \(g_B\) respectively.
Find \(\dfrac{g_A}{g_B}\).
(Take radius of Earth \(R=6400\ km\))
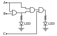
LED (light emitting diode) and logic gates circuit is given in figure.
For what combination of \(A,B,C\) will both LEDs glow?

A ball is dropped from a height \(18\,m\) above the ground.
At any moment if magnitude of acceleration and velocity are same, find its height above ground at that instant.
A charged particle is moving in a magnetic field
\[ \vec B = (3\hat i + 2\hat j)\ T \]
with acceleration
\[ \vec a = 4\hat i - \frac{x}{2}\hat j\ m/s^2 \]
Find \(x\).
Find the ratio of \(T_1\) and \(T_2\) for the system shown.

In YDSE, \(\beta = 2.4\) mm where \(\beta\) is fringe width.
If the setup is dipped in a medium of refractive index \(\mu = 1.2\), find the new fringe width (in mm).
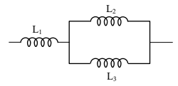
In the below diagram inductance \(L_1 = L_2 = L_3 = L\). Find the ratio of total energy stored in all inductors to energy stored in inductor \(L_2\).

In a vernier caliper, 1 main scale division equals \(1\,mm\) and \(9\) MSD are divided into \(10\) equal parts by the vernier scale.
When nothing was present in the jaws, zero of the vernier scale lies to the right of zero of the main scale and the \(7^{th}\) division of vernier scale coincides with one of the main scale divisions.
Find zero error in the vernier caliper.
In an AC circuit having \(R\) and \(C\), angular frequency \(\omega\) has peak current \(I\).
If angular frequency becomes \(\omega/4\), the peak current becomes \(I/3\).
Find the ratio of resistance and reactance at frequency \(\omega\).
In a compound microscope objective and eyepiece are both biconvex lenses of focal length \(f_0\).
If objective lens is cut into two halves such that a plano–convex lens is made and now it is used as objective to get same magnification, by how many times should the tube length be changed?
Identify correct statements
(1) Zeroth law of thermodynamics gives concept of temperature.
(2) In isothermal expansion \(\Delta Q \neq \Delta W\).
(3) First law of thermodynamics gives concept of internal energy.
(4) Product of intensive and extensive properties is extensive.
(5) Ratio of extensive property and mass is extensive.
Upper wire has cross-section area \(0.008\ cm^2\) and lower wire has area \(0.004\ cm^2\).
Find the maximum mass of the pan that can be connected without breaking any wire.
Given breaking stress of wire is \(\sigma = 8\times10^8\ N/m^2\).

In a region where electric field exists as
\[ \vec{E} = -E_0 \hat{i} \]
Initially at \(t=0\), velocity of particle of mass \(m\) is \(4v_0 \hat{i}\).
If de-Broglie wavelength \(\lambda_0 = \dfrac{h}{4mv_0}\), find wavelength \(\lambda\) at time \(t\).
For the circuit shown below, find current across \(AB\) \((I_{AB})\).

Displacement current inside a capacitor of capacitance \(6\,\mu F\) is \(4\,A\).
Find the rate of change of voltage across the capacitor.
Correct option for the circuit shown is:

Find time taken by the block to slide a distance \(8.8\,m\) with respect to the wedge (in seconds).
All surfaces are smooth.

A cube of side length \(5\,cm\) having modulus of rigidity \(10^5\,N/m^2\).
The top is pulled by a force \(10\,N\) while the bottom is fixed.
Find the displacement of the upper surface of cube (in mm).
Moment of inertia of a rod about an axis passing through a point at distance \(\ell/4\) from the center and perpendicular to the rod is:
(The uniform rod has mass \(m\) and length \(\ell\)).
JEE Main 2026 Physics Exam Pattern
| Particulars | Details |
|---|---|
| Exam Mode | Online (Computer-Based Test) |
| Paper | B.E./B.Tech |
| Medium of Exam | 13 languages: English, Hindi, Gujarati, Bengali, Tamil, Telugu, Kannada, Marathi, Malayalam, Odia, Punjabi, Assamese, Urdu |
| Type of Questions | Multiple Choice Questions (MCQs) + Numerical Value Questions |
| Total Marks | 100 marks |
| Marking Scheme | +4 for correct answer & -1 for incorrect MCQ and Numerical Value-based Questions |
| Total Questions | 25 Questions |








Comments