NEET 2024 R5 Question Paper with Solution PDF is available for download. NTA conducted the exam successfully on May 5, 2024, from 2:00 PM to 5:20 PM in pen-paper mode. As per the students’ initial reaction, NEET 2024 Question Paper for R5 was reported as moderate. The Zoology section in NEET 2024 R5 Question Paper was reported as easy, Botany as easy, Physics as moderate, and Chemistry as moderate.
Related Links:
- Download NEET Previous Year Question Papers PDF with Solutions
- Download NEET 2024 Question Paper for all Shifts
NEET 2024 R5 Question Paper with Answer Key PDF
Candidates can download the official NEET 2024 Question Paper with Solution and Answer Key PDFs for R5 using the link below.
| NEET 2024 R5 Question Paper with Answer Key | Check Solution |
![]()
NEET 2024 Question Paper with Solutions (R5)
PHYSICS
Section - A
Consider the following statements A and B and identify the correct answer:

A. For a solar-cell, the I-V characteristics lies in the IV quadrant of the given graph.
B. In a reverse biased pn junction diode, the current measured in (\(\mu A\)), is due to majority charge carriers.
View Solution
A light ray enters through a right-angled prism at point \( P \) with the angle of incidence \( 30^\circ \) as shown in the figure. It travels through the prism parallel to its base \( BC \) and emerges along the face \( AC \). The refractive index of the prism is:

View Solution
A particle moving with uniform speed in a circular path maintains:
View Solution
In an ideal transformer, the turns ratio is \( \frac{N_P}{N_S} = 1/2 \). The ratio \( V_S : V_P \) is equal to (the symbols carry their usual meaning):
View Solution
At any instant of time \( t \), the displacement of a particle is given by \( 2t - 1 \) (SI unit) under the influence of a force of \( 5N \). The value of instantaneous power is (in SI unit):
View Solution
The moment of inertia of a thin rod about an axis passing through its midpoint and perpendicular to the rod is \( 2400 \) g cm\(^2\). The length of the 400 g rod is nearly:
View Solution
Match List I with List II.

View Solution
A bob is whirled in a horizontal plane by means of a string with an initial speed of \( \omega \) rpm. The tension in the string is \( T \). If the speed becomes \( 2\omega \) while keeping the same radius, the tension in the string becomes:
View Solution
An unpolarised light beam strikes a glass surface at Brewster's angle. Then
View Solution
The terminal voltage of the battery, whose emf is 10 V and internal resistance \( 1 \Omega \), when connected through an external resistance of \( 4 \Omega \) as shown in the figure is:

View Solution
The output (Y) of the given logic gate is similar to the output of an/a

View Solution
In the following circuit, the equivalent capacitance between terminal A and terminal B is:

View Solution
In the nuclear emission stated above, the mass number and atomic number of the product Q respectively, are
![]()
View Solution
The quantities which have the same dimensions as those of solid angle are:
View Solution
A wheel of a bullock cart is rolling on a level road as shown in the figure below. If its linear speed is \( v \) in the direction shown, which one of the following options is correct (P and Q are any highest and lowest points on the wheel, respectively)?

View Solution
A wire of length \( l \) and resistance \( 100 \Omega \) is divided into 10 equal parts. The first 5 parts are connected in series while the next 5 parts are connected in parallel. The two combinations are again connected in series. The resistance of this final combination is:
View Solution
A thin flat circular disc of radius 4.5 cm is placed gently over the surface of water. If the surface tension of water is \( 0.07 \, N \, m^{-1} \), then the excess force required to take it away from the surface is:
View Solution
The maximum elongation of a steel wire of 1 m length if the elastic limit of steel and its Young’s modulus, respectively, are \( 8 \times 10^8 \, N/m^2 \) and \( 2 \times 10^{11} \, N/m^2 \), is:
View Solution
A tightly wound 100-turn coil of radius 10 cm carries a current of 7 A. The magnitude of the magnetic field at the center of the coil is (Take permeability of free space as \( 4\pi \times 10^{-7} \) SI units):
View Solution
In a vernier callipers, \( (N + 1) \) divisions of vernier scale coincide with \( N \) divisions of main scale. If 1 MSD represents 0.1 mm, the vernier constant (in cm) is:
View Solution
A logic circuit provides the output Y as per the following truth table:

View Solution
If \( c \) is the velocity of light in free space, the correct statements about a photon among the following are:
A. The energy of a photon is \( E = h\nu \).
B. The velocity of a photon is \( c \).
C. The momentum of a photon, \[ p = \frac{h\nu}{c} \]
D. In a photon-electron collision, both total energy and total momentum are conserved.
E. Photon possesses positive charge.
Choose the correct answer from the options given below:
View Solution
A thin spherical shell is charged by some source. The potential difference between the two points C and P (in V) shown in the figure is: (Take \( \frac{1}{4\pi\epsilon_0} = 9 \times 10^9 \) SI units)

View Solution
In the given diagram, a strong bar magnet is moving towards solenoid-2 from solenoid-1. The direction of induced current in solenoid-1 and that in solenoid-2, respectively, are through the directions:

View Solution
The graph which shows the variation of \( \frac{1}{\lambda^2} \) and its kinetic energy, \( E \), is (where \( \lambda \) is the de Broglie wavelength of a free particle):

View Solution
In a uniform magnetic field of 0.049 T, a magnetic needle performs 20 complete oscillations in 5 seconds as shown. The moment of inertia of the needle is \( 9.8 \times 10^{-6} \) kg m\(^2\). If the magnitude of the magnetic moment of the needle is \( x \times 10^{-5} \) Am\(^2\), then the value of ‘x’ is:

View Solution
Match List-I with List-II:

Choose the correct answer from the options given below:
View Solution
If \[ x = 5 \sin \left( \pi t + \frac{\pi}{3} \right) \] represents the motion of a particle executing simple harmonic motion, the amplitude and time period of motion, respectively, are:
View Solution
Given below are two statements:
Statement I: Atoms are electrically neutral as they contain equal number of positive and negative charges.
Statement II: Atoms of each element are stable and emit their characteristic spectrum.
In the light of the above statements, choose the most appropriate answer from the options given below.
View Solution
If the monochromatic source in Young’s double slit experiment is replaced by white light, then:
View Solution
A horizontal force of 10 N is applied to a block A. The masses of blocks A and B are 2 kg and 3 kg respectively. The blocks slide over a frictionless surface. The force exerted by block A on block B is:

View Solution
Two bodies A and B of the same mass undergo completely inelastic one-dimensional collision. The body A moves with velocity \( v_1 \) while body B is at rest before collision. The velocity of the system after collision is \( v_2 \). The ratio \( v_1 : v_2 \) is:
View Solution
A thermodynamic system is taken through the cycle abcda. The work done by the gas along the path bc is:

View Solution
The mass of a planet is \( \frac{1}{10} \) that of the earth and its diameter is half that of the earth. The acceleration due to gravity on that planet is:
View Solution
Given below are two statements: One is labelled as Assertion A and the other is labelled as Reason R. Assertion A: The potential (\( V \)) at any axial point, at 2 m distance (\( r \)) from the centre of the dipole of dipole moment vector \( \vec{P} \) of magnitude, \( 4 \times 10^{-6} \) C m, is \( \pm 9 \times 10^3 \) V. (Take \( \frac{1}{4 \pi \varepsilon_0} = 9 \times 10^9 \) SI units)
Reason R: \[ V = \pm \frac{2P}{4 \pi \varepsilon_0 r^2} \] where \( r \) is the distance of any axial point, situated at 2 m from the centre of the dipole. In the light of the above statements, choose the correct answer from the options given below:
View Solution
Section - B
A small telescope has an objective of focal length 140 cm and an eyepiece of focal length 5.0 cm. The magnifying power of the telescope for viewing a distant object is:
View Solution
The minimum energy required to launch a satellite of mass \( m \) from the surface of Earth of mass \( M \) and radius \( R \) in a circular orbit at an altitude of \( 2R \) from the surface of the Earth is:
View Solution
Two heaters A and B have power ratings of 1 kW and 2 kW, respectively. These are first connected in series and then in parallel to a fixed power source. The ratio of power outputs for these two cases is:
View Solution
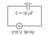
A \(10 \mu F\) capacitor is connected to a \(210 V\), \(50 Hz\) source as shown in figure. The peak current in the circuit is nearly (\(\pi = 3.14\)):

View Solution
Choose the correct circuit which can achieve the bridge balance.

View Solution
If the plates of a parallel plate capacitor connected to a battery are moved close to each other, then
A. The charge stored in it, increases.
B. The energy stored in it, decreases.
C. Its capacitance increases.
D. The ratio of charge to its potential remains the same.
E. The product of charge and voltage increases.
Choose the most appropriate answer from the options given below:
View Solution
A parallel plate capacitor is charged by connecting it to a battery through a resistor. If \( I \) is the current in the circuit, then in the gap between the plates:
View Solution
The property which is not of an electromagnetic wave travelling in free space is that:
View Solution
If the mass of the bob in a simple pendulum is increased to thrice its original mass and its length is made half its original length, then the new time period of oscillation is \( \frac{x}{2} \) times its original time period. Then the value of \( x \) is:
View Solution
A force defined by \( F = \alpha t^2 + \beta t \) acts on a particle at a given time \( t \). The factor which is dimensionless, if \( \alpha \) and \( \beta \) are constants, is:
View Solution
A sheet is placed on a horizontal surface in front of a strong magnetic pole. A force is needed to:
[A.] hold the sheet there if it is magnetic.
[B.] hold the sheet there if it is non-magnetic.
[C.] move the sheet away from the pole with uniform velocity if it is conducting.
[D.] move the sheet away from the pole with uniform velocity if it is both, non-conducting and non-polar. Choose the correct statement(s) from the options given below:
View Solution
A metallic bar of Young’s modulus, \( 0.5 \times 10^{11} \) N m\(^{-2}\) and coefficient of linear thermal expansion \( 10^{-5} \)°C\(^{-1}\), length 1 m and area of cross-section \( 10^{-3} \) m\(^{2}\) is heated from 0°C to 100°C without expansion or bending. The compressive force developed in it is:
View Solution
An iron bar of length \( L \) has magnetic moment \( M \). It is bent at the middle of its length such that the two arms make an angle 60° with each other. The magnetic moment of this new magnet is:
View Solution
The following graph represents the \( T \)-\( V \) curves of an ideal gas (where \( T \) is the temperature and \( V \) the volume) at three pressures \( P_1 \), \( P_2 \), and \( P_3 \), compared with those of Charles’s law represented as dotted lines.

Then the correct relation is:
View Solution
The velocity (\( v \))–time (\( t \)) plot of the motion of a body is shown below:

The acceleration (\( a \))–time (\( t \)) graph that best suits this motion is:

View Solution
CHEMISTRY
Section - A
Match List I with List II.

Choose the correct answer from the options given below:
View Solution
Arrange the following elements in increasing order of first ionization enthalpy: Li, Be, B, C, N Choose the correct answer from the options given below:
View Solution
Match List I with List II.

Choose the correct answer from the options given below:
View Solution
The Henry’s law constant (\( K_H \)) values of three gases (A, B, C) in water are 145, \( 2 \times 10^{-5} \), and 35 kbar, respectively. The solubility of these gases in water follows the order:
View Solution
Arrange the following elements in increasing order of electronegativity: N, O, F, C, Si Choose the correct answer from the options given below:
View Solution
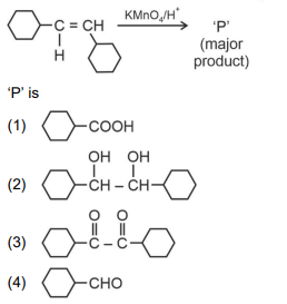
The compound that will undergo \( S_N1 \) reaction with the fastest rate is:

View Solution
In which of the following processes entropy increases?
A. A liquid evaporates to vapour.
B. Temperature of a crystalline solid lowered from \(130 K\) to \(0 K\).
C. \( 2NaHCO_3(s) \rightarrow Na_2CO_3(s) + CO_2(g) + H_2O(g) \)
D. \( Cl_2(g) \rightarrow 2Cl(g) \)
Choose the correct answer from the options given below:
View Solution
Given below are two statements: Statement I: Aniline does not undergo Friedel-Crafts alkylation reaction. Statement II: Aniline cannot be prepared through Gabriel synthesis. In the light of the above statements, choose the correct answer from the options given below:
View Solution
Match List I with List II.

Choose the correct answer from the options given below:
View Solution
Which plot of \( \ln k \) vs \( \frac{1}{T} \) is consistent with Arrhenius equation?

View Solution
Given below are two statements: Statement I: The boiling point of three isomeric pentanes follows the order \[ \text{n-pentane} > \text{isopentane} > \text{neopentane} \] Statement II: When branching increases, the molecule attains a shape of a sphere. This results in smaller surface area for contact, due to which the intermolecular forces between the spherical molecules are weak, thereby lowering the boiling point. In the light of the above statements, choose the most appropriate answer from the options given below:
View Solution
Match List I with List II.

Choose the correct answer from the options given below:
View Solution
1 gram of sodium hydroxide was treated with 25 mL of 0.75 M HCl solution, the mass of sodium hydroxide left unreacted is equal to
View Solution
Which one of the following alcohols reacts instantaneously with Lucas reagent?



![]()
The \( E^{\circ} \) value for the Mn$^{3+$/Mn$^{2+$ couple is more positive than that of Cr$^{3+$/Cr$^{2+$ or Fe$^{3+$/Fe$^{2+$ due to change of
View Solution
Intramolecular hydrogen bonding is present in

View Solution
Match List I with List II.

View Solution
Among Group 16 elements, which one does NOT show –2 oxidation state?
(1) Se
(2) Te
(3) Po
(4) O
View Solution
Given below are two statements: Statement I: The boiling point of hydrides of Group 16 elements follows the order H$_2$O \(>\) H$_2$Te \(>\) H$_2$Se \(>\) H$_2$S. Statement II: On the basis of molecular mass, H$_2$O is expected to have a lower boiling point than the other members of the group, but due to the presence of extensive H-bonding in H$_2$O, it has a higher boiling point.
View Solution
‘Spin only’ magnetic moment is same for which of the following ions?
A. Ti$^{3+$ \hspace{1cm B. Cr$^{2+$
C. Mn$^{2+$ \hspace{1cm D. Fe$^{2+$
E. Sc$^{3+$
View Solution
The reagents with which glucose does not react to give the corresponding tests/products are:
A. Tollen’s reagent
B. Schiff’s reagent
C. HCN
D. NH$_2$OH
E. NaHSO$_3$
View Solution
Given below are two statements: Statement I: Both [Co(NH$_3$)$_6$]$^{3+}$ and [CoF$_6$]$^{3-}$ complexes are octahedral but differ in their magnetic behavior. Statement II: [Co(NH$_3$)$_6$]$^{3+}$ is diamagnetic whereas [CoF$_6$]$^{3-}$ is paramagnetic.
View Solution
The most stable carbocation among the following is:


View Solution
Fehling’s solution ‘A’ is
View Solution
In which of the following equilibria, \( K_p \) and \( K_c \) are NOT equal?
View Solution
Match List I with List II.

View Solution
A compound with a molecular formula of \( C_6H_{14} \) has two tertiary carbons. Its IUPAC name is:
View Solution
Activation energy of any chemical reaction can be calculated if one knows the value of:
View Solution
On heating, some solid substances change from solid to vapour state without passing through liquid state. The technique used for the purification of such solid substances based on the above principle is known as:
View Solution
The energy of an electron in the ground state (\( n = 1 \)) for He\(^+\) ion is \(-x J\), then that for an electron in \( n = 2 \) state for Be\(^3+\) ion in J is
View Solution
Which reaction is NOT a redox reaction?
View Solution
Identify the correct reagents that would bring about the following transformation.
![]()
View Solution
Match List I with List II.

View Solution
For the reaction \[ 2A \rightleftharpoons B + C, \quad K_C = 4 \times 10^{-3} \] At a given time, the composition of reaction mixture is: \[ [A] = [B] = [C] = 2 \times 10^{-3} \text{ M} \] Then, which of the following is correct?
View Solution
The highest number of helium atoms is in
View Solution
Section - B
The pair of lanthanoid ions which are diamagnetic is:
View Solution
The products A and B obtained in the following reactions, respectively, are: \[ 3ROH + PCl_5 \rightarrow 3RCl + A \] \[ ROH + PCl_5 \rightarrow RCl + HCl + B \]
View Solution
Given below are two statements: Statement I: [Co(NH$_3$)$_6$]$^{3+$ is a homoleptic complex whereas [Co(NH$_3$)$_4$Cl$_2$]$^+$ is a heteroleptic complex. Statement II: Complex [Co(NH$_3$)$_6$]$^{3+$ has only one kind of ligand but [Co(NH$_3$)$_4$Cl$_2$]$^+$ has more than one kind of ligands.
View Solution
Identify the major product C formed in the following reaction sequence: \[ \text{CH}_3 - \text{CH}_2 - \text{CH}_2 - I \xrightarrow{\text{NaCN}} A \] \[ \text{A} \xrightarrow{\text{Partial Hydrolysis}} B \xrightarrow{\text{NaOH, Br}_2} C \ (\text{major}) \]
View Solution
The work done during reversible isothermal expansion of one mole of hydrogen gas at 25$^\circ$C from pressure of 20 atmosphere to 10 atmosphere is: (Given $R = 2.0$ cal K$^{-1$ mol$^{-1$)
View Solution
Identify the correct answer.
View Solution
For the given reaction:

View Solution
During the preparation of Mohr’s salt solution (Ferrous ammonium sulphate), which of the following acid is added to prevent hydrolysis of Fe$^{2+}$ ion?
View Solution
Given below are certain cations. Using inorganic qualitative analysis, arrange them in increasing group number from 0 to VI. A. Al$^{3+$ \quad B. Cu$^{2+$ \quad C. Ba$^{2+$ \quad D. Co$^{2+$ \quad E. Mg$^{2+$
View Solution
Consider the following reaction in a sealed vessel at equilibrium with concentrations of \[ \text{N}_2 = 3.0 \times 10^{-3} M, \quad \text{O}_2 = 4.2 \times 10^{-3} M, \quad \text{NO} = 2.8 \times 10^{-3} M. \] 2NO(g) $\rightleftharpoons$ N$_2$(g) + O$_2$(g) If 0.1 mol L$^{-1}$ of NO is taken in a closed vessel, what will be the degree of dissociation ($\alpha$) of NO(g) at equilibrium?
View Solution
Mass in grams of copper deposited by passing 9.6487 A current through a voltmeter containing copper sulphate solution for 100 seconds is (Given : Molar mass of Cu : 63 g mol$^{-1}$, 1 F = 96487 C)
View Solution
The plot of osmotic pressure (\(\Pi\)) vs concentration (mol L$^{-1$) for a solution gives a straight line with slope 25.73 L bar mol$^{-1$. The temperature at which the osmotic pressure measurement is done is (Use \( R = 0.083 \) L bar mol$^{-1$ K$^{-1$)
View Solution
Major products A and B formed in the following reaction sequence, are

View Solution
The rate of a reaction quadruples when temperature changes from \(27^\circ C\) to \(57^\circ C\). Calculate the energy of activation. \[ \text{Given } R = 8.314 \text{ J K}^{-1} \text{ mol}^{-1}, \log 4 = 0.6021 \]
View Solution
A compound X contains 32% of A, 20% of B and remaining percentage of C. Then, the empirical formula of X is: \[ \text{Given atomic masses of A = 64; B = 40; C = 32} \]
View Solution
BOTANY
Section - A
List of endangered species was released by
View Solution
A transcription unit in DNA is defined primarily by the three regions in DNA and these are with respect to upstream and downstream end;
View Solution
Lecithin, a small molecular weight organic compound found in living tissues, is an example of:
View Solution
Which of the following are required for the dark reaction of photosynthesis?
(A) Light
(B) Chlorophyll
(C) CO$_2$
(D) ATP
(E) NADPH
View Solution
Given below are two statements: Statement I: Chromosomes become gradually visible under light microscope during leptotene stage. Statement II: The beginning of diplotene stage is recognized by dissolution of synaptonemal complex.
View Solution
Bulliform cells are responsible for
View Solution
A pink flowered Snapdragon plant was crossed with a red flowered Snapdragon plant. What type of phenotype/s is/are expected in the progeny?
View Solution
Auxin is used by gardeners to prepare weed-free lawns. But no damage is caused to grass as auxin
View Solution
Identify the set of correct statements:
A. The flowers of Vallisneria are colourful and produce nectar.
B. The flowers of water lily are not pollinated by water.
C. In most of water-pollinated species, the pollen grains are protected from wetting.
D. Pollen grains of some hydrophytes are long and ribbon-like.
E. In some hydrophytes, the pollen grains are carried passively inside water.
View Solution
Identify the part of the seed from the given figure which is destined to form root when the seed germinates.

View Solution
Spindle fibers attach to kinetochores of chromosomes during
View Solution
Which of the following is an example of actinomorphic flower?
View Solution
In the given figure, which component has thin outer walls and highly thickened inner walls?

View Solution
Formation of interfascicular cambium from fully developed parenchyma cells is an example for
View Solution
What is the fate of a piece of DNA carrying only gene of interest which is transferred into an alien organism?
A. The piece of DNA would be able to multiply itself independently in the progeny cells of the organism.
B. It may get integrated into the genome of the recipient.
C. It may multiply and be inherited along with the host DNA.
D. The alien piece of DNA is not an integral part of chromosome.
E. It shows ability to replicate.
View Solution
Match List I with List II

View Solution
Hind II always cuts DNA molecules at a particular point called recognition sequence and it consists of:
View Solution
The type of conservation in which the threatened species are taken out from their natural habitat and placed in special settings where they can be protected and given special care is called
View Solution
Given below are two statements: Statement I: Bt toxins are insect group specific and coded by a gene cry IAc. Statement II: Bt toxin exists as inactive protoxin in \textit{B. thuringiensis}. However, after ingestion by the insect, the inactive protoxin gets converted into active form due to acidic pH of the insect gut.
View Solution
Match List I with List II

View Solution
Identify the type of flowers based on the position of calyx, corolla, and androecium with respect to the ovary from the given figures (a) and (b).

View Solution
Which one of the following is not a criterion for classification of fungi?
View Solution
These are regarded as major causes of biodiversity loss:
A. Over exploitation
B. Co-extinction
C. Mutation
D. Habitat loss and fragmentation
E. Migration
View Solution
Match List I with List II

View Solution
In a plant, black seed color (BB/Bb) is dominant over white seed color (bb). In order to find out the genotype of the black seed plant, with which of the following genotype will you cross it?
View Solution
Match List I with List II

View Solution
Inhibition of Succinic dehydrogenase enzyme by malonate is a classical example of:
View Solution
Which one of the following can be explained on the basis of Mendel's Law of Dominance?
A. Out of one pair of factors, one is dominant and the other is recessive.
B. Alleles do not show any expression and both the characters appear as such in \( F_2 \) generation.
C. Factors occur in pairs in normal diploid plants.
D. The discrete unit controlling a particular character is called a factor.
E. The expression of only one of the parental characters is found in a monohybrid cross.
View Solution
Given below are two statements: Statement I: Parenchyma is living but collenchyma is dead tissue.
Statement II: Gymnosperms lack xylem vessels but presence of xylem vessels is the characteristic of angiosperms. In the light of the above statements, choose the correct answer from the options given below:
View Solution
How many molecules of ATP and NADPH are required for every molecule of CO2 fixed in the Calvin cycle?
View Solution
The equation of Verhulst-Pearl logistic growth is: \[ \frac{dN}{dt} = rN \left( \frac{K - N}{K} \right). \] From this equation, \( K \) indicates:
View Solution
Tropical regions show greatest level of species richness because
A. Tropical latitudes have remained relatively undisturbed for millions of years, hence more time was available for species diversification.
B. Tropical environments are more seasonal.
C. More solar energy is available in tropics.
D. Constant environments promote niche specialization.
E. Tropical environments are constant and predictable.
Choose the correct answer from the options given below:
View Solution
The lactose present in the growth medium of bacteria is transported to the cell by the action of:
View Solution
The cofactor of the enzyme carboxypeptidase is:
View Solution
The capacity to generate a whole plant from any cell of the plant is called:
View Solution
Section - B
Match List I with List II

Choose the correct answer from the options given below:
View Solution
Match List I with List II

Choose the correct answer from the options given below:
View Solution
Read the following statements and choose the set of correct statements:
In the members of Phaeophyceae,
A. Asexual reproduction occurs usually by biflagellate zoospores.
B. Sexual reproduction is by oogamous method only.
C. Stored food is in the form of carbohydrates which is either mannitol or laminarin.
D. The major pigments found are chlorophyll a, c and carotenoids and xanthophyll.
E. Vegetative cells have a cellulosic wall, usually covered on the outside by gelatinous coating of algin. Choose the correct answer from the options given below:
View Solution
The DNA present in chloroplast is:
View Solution
Match List I with List II

Choose the correct answer from the options given below:
View Solution
Which of the following statement is correct regarding the process of replication in E. coli?
View Solution
Identify the correct description about the given figure:

View Solution
Which of the following are fused in somatic hybridization involving two varieties of plants?
View Solution
Given below are two statements: Statement I: In C3 plants, some O\textsubscript{2} binds to RuBisCO, hence CO\textsubscript{2} fixation is decreased. Statement II: In C4 plants, mesophyll cells show very little photorespiration while bundle sheath cells do not show photorespiration. Choose the correct answer from the options given below:
View Solution
Match List I with List II

Choose the correct answer from the options given below:
View Solution
In an ecosystem if the Net Primary Productivity (NPP) of first trophic level is \(100x\) \((\text{kcal m}^{-2} \text{yr}^{-1})\), what would be the GPP (Gross Primary Productivity) of the third trophic level of the same ecosystem?
View Solution
Identify the step in tricarboxylic acid cycle, which does not involve oxidation of substrate.
View Solution
Match List-I with List-II

View Solution
Match List I with List II

View Solution
Spraying sugarcane crop with which of the following plant growth regulators increases the length of the stem, thus increasing the yield?
View Solution
ZOOLOGY
Section - A
Given below are two statements: one is labelled as Assertion A and the other as Reason R: Assertion A: FSH acts upon ovarian follicles in females and Leydig cells in males. Reason R: Growing ovarian follicles secrete estrogen in females while interstitial cells secrete androgen in male human beings. In the light of the above statements, choose the correct answer from the options given below:
View Solution
Match List I with List II

View Solution
Following are the stages of the pathway for conduction of an action potential through the heart:
A. AV bundle
B. Purkinje fibres
C. AV node
D. Bundle branches
E. SA node
Choose the correct sequence of the pathway from the options given below:
View Solution
Match List I with List II:

View Solution
Which one of the following factors will not affect the Hardy-Weinberg equilibrium?
View Solution
In both sexes of cockroach, a pair of jointed filamentous structures called anal cerci are present on:
View Solution
Match List I with List II:

View Solution
The flippers of Penguins and Dolphins are an example of:
View Solution
Match List I with List II:

View Solution
Match List I with List II:

View Solution
Given below are two statements: Statement I: The presence or absence of hymen is not a reliable indicator of virginity.
Statement II: The hymen is torn during the first coitus only. In the light of the above statements, choose the correct answer from the options given below:
View Solution
Match List I with List II:

View Solution
Which of the following is not a component of the Fallopian tube?
View Solution
Following are the stages of cell division:
A. Gap 2 phase
B. Cytokinesis
C. Synthesis phase
D. Karyokinesis
E. Gap 1 phase
Choose the correct sequence of stages from the options given below:
View Solution
Match List I with List II:

View Solution
Given below are two statements: Assertion A: Breast-feeding during the initial period of infant growth is recommended by doctors for bringing up a healthy baby.
Reason R: Colostrum contains several antibodies absolutely essential to develop resistance for the newborn baby. In the light of the above statements, choose the most appropriate answer from the options given below:
View Solution
Match List I with List II:

Choose the correct answer from the options given below:
View Solution
Match List I with List II:

Choose the correct answer from the options given below:
View Solution
Which of the following factors are favourable for the formation of oxyhaemoglobin in alveoli?
View Solution
Which of the following is not a natural/traditional contraceptive method?
View Solution
Which of the following are Autoimmune disorders?
A. Myasthenia gravis
B. Rheumatoid arthritis
C. Gout
D. Muscular dystrophy
E. Systemic Lupus Erythematosus (SLE)
Choose the most appropriate answer from the options given below:
View Solution
The “Ti plasmid” of Agrobacterium tumefaciens stands for
View Solution
Which one is the correct product of DNA-dependent RNA polymerase to the given template? \[ \text{3'-TACATGGCAAATATCCATTCA-5'} \]
View Solution
Which of the following statements is incorrect?
View Solution
Match List I with List II

View Solution
Which of the following is not a steroid hormone?
View Solution
Match List I with List II

View Solution
Given below are two statements: Statement I: In the nephron, the descending limb of the loop of Henle is impermeable to water and permeable to electrolytes.
Statement II: The proximal convoluted tubule is lined by simple columnar brush border epithelium and increases the surface area for reabsorption.
View Solution
Given below are some stages of human evolution. Arrange them in correct sequence (Past to Recent).

View Solution
Three types of muscles are given as a, b, and c. Identify the correct matching pair along with their location in the human body:

View Solution
Match List I with List II

View Solution
Match List I with List II

View Solution
Match List I with List II

View Solution
The following diagram shows restriction sites in E. coli cloning vector pBR322. Find the role of ‘X’ and ‘Y’ genes:

View Solution
Consider the following statements:

View Solution
Section - B
Choose the correct statement given below regarding juxta medullary nephron.
View Solution
Given below are two statements: Statement I: Bone marrow is the main lymphoid organ where all blood cells including lymphocytes are produced.
Statement II: Both bone marrow and thymus provide microenvironments for the development and maturation of T-lymphocytes.
View Solution
Match List I with List II related to the digestive system of cockroach.

View Solution
Match List I with List II:

View Solution
As per ABO blood grouping system, the blood group of father is B+, mother is A+, and child is O+. Their respective genotype can be:
View Solution
Match List I with List II:

View Solution
Given below are two statements: Statement I:Mitochondria and chloroplasts are both double-membrane bound organelles.
Statement II: Inner membrane of mitochondria is relatively less permeable compared to chloroplast.
View Solution
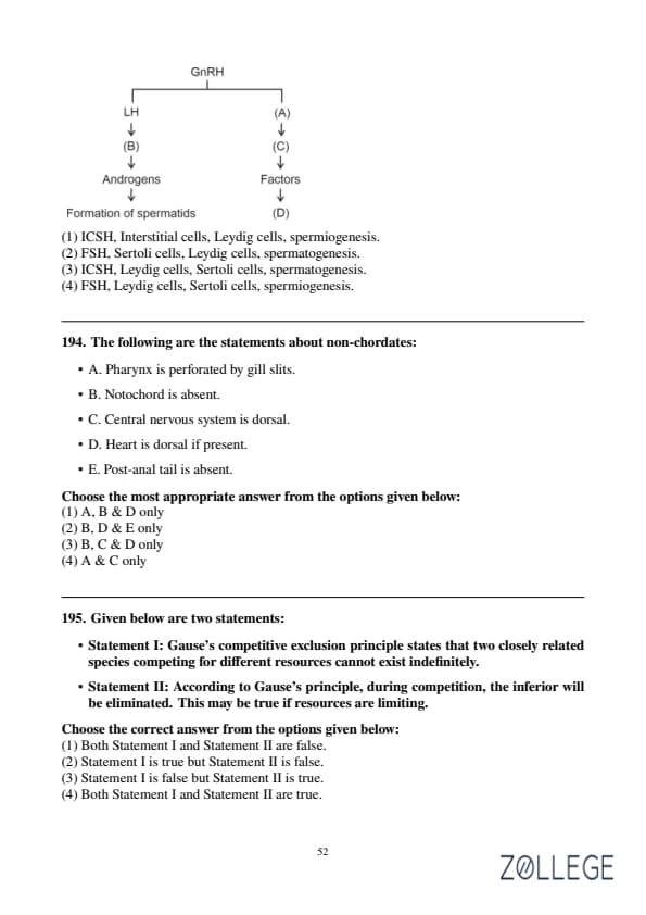
Identify the correct option (A), (B), (C), (D) with respect to spermatogenesis.

View Solution
The following are the statements about non-chordates: A. Pharynx is perforated by gill slits. B. Notochord is absent. C. Central nervous system is dorsal. D. Heart is dorsal if present. E. Post-anal tail is absent. Choose the most appropriate answer from the options given below:
View Solution
Given below are two statements: Statement I: Gause's competitive exclusion principle states that two closely related species competing for different resources cannot exist indefinitely. Statement II: According to Gause's principle, during competition, the inferior will be eliminated. This may be true if resources are limiting. Choose the correct answer from the options given below:
View Solution
Regarding catalytic cycle of an enzyme action, select the correct sequential steps: A. Substrate enzyme complex formation. B. Free enzyme ready to bind with another substrate. C. Release of products. D. Chemical bonds of the substrate broken. E. Substrate binding to active site.
View Solution
Given below are two statements: Statement I: The cerebral hemispheres are connected by nerve tract known as corpus callosum. Statement II: The brain stem consists of the medulla oblongata, pons and cerebrum. Choose the most appropriate answer from the options given below:
View Solution
Match List I with List II:

Choose the correct answer from the options given below:
View Solution
Match List I with List II:

Choose the correct answer from the options given below:
View Solution
Match List I with List II:

Choose the correct answer from the options given below:
View Solution


















Comments