NEET 2024 Question paper with answer key pdf Q3 is available for download. NEET 2024 Q3 question paper has been conducted by the NTA on May 5, 2024, in pen-paper mode. NEET 2024 question paper code Q3 consists of 200 MCQs- 180 to be attempted in 200 minutes. Each of the 4 subjects (Zoology, Botany, Chemistry, Physics) in NEET Q3 question paper 2023 have 50 MCQs (45 to be attempted). You can download NEET 2024 question paper with answer key with solutions PDF for Q3 using the links given below. Check NEET CUTOFF
Related Links:
- Download NEET Previous Year Question Papers PDF with Solutions
- Download NEET 2024 Question Paper for all Shifts
NEET 2024 Question Paper with Answer Key PDF Q3 in English
| NEET 2024 Question Paper with Answer Key (Q3) | Check Solution |

In a vernier callipers, \( (N + 1) \) divisions of the vernier scale coincide with \( N \) divisions of the main scale. If 1 MSD represents 0.1 mm, the vernier constant (in cm) is:
(1) \( \frac{1}{10N} \)
If the monochromatic source in Young’s double slit experiment is replaced by white light, then:
(1) Interference pattern will disappear
A logic circuit provides the output \( Y \) as per the following truth table:

The expression for the output \( Y \) is:
The terminal voltage of the battery, whose emf is 10 V and internal resistance 1 \(\Omega\), when connected through an external resistance of 4 \(\Omega\) as shown in the figure, is:

In a uniform magnetic field of 0.049 T, a magnetic needle performs 20 complete oscillations in 5 seconds as shown. The moment of inertia of the needle is \( 9.8 \times 10^{-6} \, kg \cdot m^2 \). If the magnitude of the magnetic moment of the needle is \( x \times 10^{-5} \, Am^2 \), then the value of \( x \) is:

A wire of length ‘l’ and resistance 100 \( \Omega \) is divided into 10 equal parts. The first 5 parts are connected in series while the next 5 parts are connected in parallel. The two combinations are again connected in series. The resistance of this final combination is:
(1) 26 \( \Omega \)
A horizontal force of 10 N is applied to a block A as shown in the figure. The masses of blocks A and B are 2 kg and 3 kg, respectively. The blocks slide over a frictionless surface. The force exerted by block A on block B is:

(1) Zero
A tightly wound 100 turns coil of radius 10 cm carries a current of 7 A. The magnitude of the magnetic field at the centre of the coil is (Take permeability of free space as \( 4\pi \times 10^{-7} \, \text S.I units \)):
(1) 44 mT
In an ideal transformer, the turns ratio is \( \frac{N_P}{N_S} = \frac{1}{2} \). The ratio \( V_S : V_P \) is equal to (the symbols carry their usual meaning):
(1) 1 : 2
The graph below shows the variation of \( \frac{1}{\lambda{2}} \) and its kinetic energy \( E \), where \( \lambda \) is the de Broglie wavelength of a free particle:

Given below are two statements:
Statement I: Atoms are electrically neutral as they contain equal number of positive and negative charges.
Statement II: Atoms of each element are stable and emit their characteristic spectrum.
In the light of the above statements, choose the most appropriate answer from the options given below:
Choose the most appropriate answer from the options given below:
(1) Both Statement I and Statement II are correct
A bob is whirled in a horizontal plane by means of a string with an initial speed of \( \omega \, rpm \). The tension in the string is \( T \). If the speed becomes \( 2\omega \) while keeping the same radius, the tension in the string becomes:
(1) \( T \)
Consider the following statements A and B and identify the correct answer:
A. For a solar-cell, the I-V characteristics lie in the IV quadrant of the given graph.
B. In a reverse biased pn junction diode, the current measured in (\(\mu A\)) is due to majority charge carriers.

(1) A is correct but B is incorrect
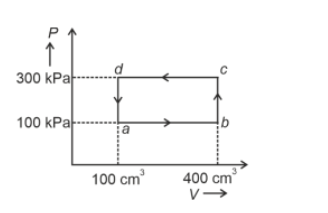
A thermodynamic system is taken through the cycle abcda. The work done by the gas along the path bc is:

(1) Zero
A thin spherical shell is charged by some source. The potential difference between the two points C and P (in V) shown in the figure is:

The moment of inertia of a thin rod about an axis passing through its mid point and perpendicular to the rod is 2400 g cm². The length of the 400 g rod is nearly:
(1) 8.5 cm
A particle moving with uniform speed in a circular path maintains:
(1) Constant velocity
If \( c \) is the velocity of light in free space, the correct statements about photon among the following are:
A. The energy of a photon is \( E = h\nu \).
B. The velocity of a photon is \( c \).
C. The momentum of a photon is \( p = \frac{h}{\nu c} \).
D. In a photon-electron collision, both total energy and total momentum are conserved.
E. Photon possesses positive charge.
Choose the correct answer from the options given below:
(1) A and B only
At any instant of time \( t \), the displacement of any particle is given by \( x = 2t - 1 \) (in SI units) under the influence of a force of 5 N. The value of instantaneous power is (in SI units):
(1) 10
A light ray enters through a right-angled prism at point P with the angle of incidence 30° as shown in figure. It travels through the prism parallel to its base BC and emerges along the face AC. The refractive index of the prism is:

\begin{flushleft
In the following circuit, the equivalent capacitance between terminal A and terminal B is:

(1) \( 2 \, \muF \)
The quantities which have the same dimensions as those of solid angle are:
(1) strain and angle
The maximum elongation of a steel wire of 1 m length if the elastic limit of steel and its Young’s modulus, respectively, are \( 8 \times 10^8 \, N/m^2 \) and \( 2 \times 10^{11} \, N/m^2 \), is:
In the above diagram, a strong bar magnet is moving towards solenoid-2 from solenoid-1. The direction of induced current in solenoid-1 and that in solenoid-2, respectively, are through the directions:

The mass of a planet is \( \frac{1}{10} \)th that of the Earth and its diameter is half that of the Earth. The acceleration due to gravity on that planet is:
(1) 19.6 m/s²
Match List-I with List-II.

An unpolarised light beam strikes a glass surface at Brewster's angle. Then:
(1) The reflected light will be partially polarised.
Two bodies A and B of same mass undergo completely inelastic one-dimensional collision. The body A moves with velocity \( v_1 \) while body B is at rest before the collision. The velocity of the system after the collision is \( v_2 \). The ratio \( v_1 : v_2 \) is:
(1) 1 : 2
![]()
In the nuclear emission stated above, the mass number and atomic number of the product Q respectively, are:
(1) 280, 81
If x = \( 5 \sin (\left( \pi t \right) + \frac{\pi}{3} \) )represents the motion of a particle executing simple harmonic motion, the amplitude and time period of motion, respectively, are:
(1) 5 cm, 2 s
A thin flat circular disc of radius 4.5 cm is placed gently over the surface of water. If surface tension of water is 0.07 N m\(^{-1}\), then the excess force required to take it away from the surface is:
(1) 19.8 mN
The output (Y) of the given logic gate is similar to the output of an/a:

(1) NAND gate
A wheel of a bullock cart is rolling on a level road as shown in the figure below. If its linear speed is \( v \) in the direction shown, which one of the following options is correct (P and Q are any highest and lowest points on the wheel, respectively)?
(1) Point \( P \) moves slower than point \( Q \)
A parallel plate capacitor is charged by connecting it to a battery through a resistor. If \( I \) is the current in the circuit, then in the gap between the plates:
(1) There is no current
The property which is not of an electromagnetic wave travelling in free space is that:
(1) They are transverse in nature
A small telescope has an objective of focal length 140 cm and an eyepiece of focal length 5.0 cm. The magnifying power of the telescope for viewing a distant object is:
(1) 34
Two heaters A and B have power ratings of 1 kW and 2 kW, respectively. These two are first connected in series and then in parallel to a fixed power source. The ratio of power outputs for these two cases is:
(1) 1 : 1
The following graph represents the T-V curves of an ideal gas (where \( T \) is the temperature and \( V \) the volume) at three pressures \( P_1, P_2 \) and \( P_3 \) compared with those of Charles’s law represented as dotted lines.

If the mass of the bob in a simple pendulum is increased to thrice its original mass and its length is made half its original length, then the new time period of oscillation is \( \frac{x}{2} \) times its original time period. Then the value of \( x \) is:
The minimum energy required to launch a satellite of mass \( m \) from the surface of the Earth of mass \( M \) and radius \( R \) in a circular orbit at an altitude of \( 2R \) from the surface of the Earth is:
\begin{flushleft

View Solution
Magnetic sheets interact with magnetic fields, requiring a force to hold them in place. Conducting sheets moving in a magnetic field experience induced forces, which require an external force to move them at constant velocity.A 10 \(\mu\)F capacitor is connected to a 210 V, 50 Hz source as shown in the figure. The peak current in the circuit is nearly (\(\pi = 3.14\)):

A metallic bar of Young’s modulus \( 0.5 \times 10^{11} \, N/m^2 \) and coefficient of linear thermal expansion \( 10^{-5} \, °C^{-1} \), length 1 m and area of cross-section \( 10^{-3} \, m^2 \), is heated from 0°C to 100°C without expansion or bending. The compressive force developed in it is:
(1) \( 5 \times 10^3 \, N \)
An iron bar of length \(L\) has magnetic moment \(M\). It is bent at the middle of its length such that the two arms make an angle of 60° with each other. The magnetic moment of this new magnet is:
(1) \( M \)
If the plates of a parallel plate capacitor connected to a battery are moved close to each other, then:
A. The charge stored in it , increases.
B. The energy stored in it , decreases.
C. Its capacitance increases.
D. The ratio of charge to its potential remains the same.
E. The product of charge and voltage increases.
Choose the most appropriate answer from the options given below:
(1) A, B and E only
(2) A, C and E only
A force defined by \( F = \alpha t^2 + \beta t \) acts on a particle at a given time \( t \). The factor which is dimensionless, if \( \alpha \) and \( \beta \) are constants, is:
\begin{flushleft
Match List I with List II:

Choose the correct answer from the options given below:
(1) A-I, B-IV, C-II, D-III
The following graph represents the T-V curves of an ideal gas at pressures \( P_1 \), \( P_2 \), and \( P_3 \). The correct relation is:
A force defined by \( F = \alpha t^2 + \beta t \) acts on a particle at a given time \( t \). Which factor is dimensionless if \( \alpha \) and \( \beta \) are constants?
Spin only magnetic moment is the same for which of the following ions?
Match List I with List II and choose the correct answer.
List I (Conversion)
A. 1 mol of H\(_2\)O to O\(_2\)
B. 1 mol of MnO\(_4^-\) to Mn\(^{2+}\)
C. 1.5 mol of Ca from molten CaCl\(_2\)
D. 1 mol of FeO to Fe\(_2\)O\(_3\)
List II (Number of Faraday required)
I. 3F
II. 1F
III. 5F
IV. 5F
Fehling’s solution ‘A’ is:
Match List I with List II and choose the correct answer.
Which one of the following alcohols reacts instantaneously with Lucas reagent?
Intramolecular hydrogen bonding is present in:
Match List I with List II and choose the correct answer.
Choose the correct answer from the options given below:
Given below are two statements:
Statement 1: The boiling point of these isomeric pentanes follows the order \( n-pentane > isopentane > neopentane \)
Statement 2: When branching increases, the molecule attains a shape of a sphere. This results in smaller surface area for contact, due to which the intermolecular forces between the spherical molecules are weak, thereby lowering the boiling point.
In the light of the above statements, choose the most appropriate answer from the options given below:
Which of the following processes increases entropy?
1 gram of sodium hydroxide was treated with 25 mL of 0.75 M HCl solution. The mass of sodium hydroxide left unreacted is equal to:
Match List I with List II and choose the correct answer.
List I (Molecule)
A. Benzene
B. Ethene
C. Acetylene
D. Ethane
List II (Number and types of bonds between two carbon atoms)
I. One \(\pi\)-bond and one \(\sigma\)-bond
II. Two \(\pi\)-bonds and one \(\sigma\)-bond
III. One \(\sigma\)-bond
IV. No \(\pi\)-bonds and three \(\sigma\)-bonds
Given below are two statements:
Statement 1: The boiling point of hydrides of Group 16 elements follows the order \[ H_2O > H_2Te > H_2Se > H_2S \]
Statement 2: On the basis of molecular mass, H\(_2\)O is expected to have a lower boiling point than the other members of the group, but due to the presence of extensive H-bonding in H\(_2\)O, it has a higher boiling point.
In the light of the above statements, choose the correct answer from the options given below:
Match List I with List II and choose the correct answer.
Choose the correct answer from the options given below:
The highest number of helium atoms is in:
Identify the correct reagents that would bring about the following transformation.
The most stable carbocation among the following is:
Arrange the following elements in increasing order of electronegativity: N, O, F, C, Si.
Which plot of ln \( k \) vs \( \frac{1}{T} \) is consistent with Arrhenius equation?
Among Group 16 elements, which one does NOT show –2 oxidation state?
Arrange the following elements in increasing order of first ionization enthalpy: Li, B, Be, C, N.
Given below are two statements:
Statement 1: Aniline does not undergo Friedel-Crafts alkylation reaction.
Statement 2: Aniline cannot be prepared through Gabriel synthesis.
In the light of the above statements, choose the correct answer from the options given below:
Given below are two statements:
Statement 1: Both [Co(NH\(_3\))\(_6\)]\(^{3+}\) and [CoF\(_6\)]\(^{3-}\) complexes are octahedral but differ in their magnetic behavior.
Statement 2: [Co(NH\(_3\))\(_6\)]\(^{3+}\) is diamagnetic whereas [CoF\(_6\)]\(^{3-}\) is paramagnetic.
In the light of the above statements, choose the correct answer from the options given below:
The \( E^\circ \) value for the Mn\(^3+\)/Mn\(^2+\) couple is more positive than that of Cr\(^3+\)/Cr\(^2+\) or Fe\(^3+\)/Fe\(^2+\) due to change of:
Match List I with List II and choose the correct answer.
List I (Quantum Number)
A. \( n \)
B. \( l \)
C. \( m \)
D. \( s \)
List II (Information Provided)
I. Shape of orbital
II. Size of orbital
III. Orientation of orbital
IV. Orientation of spin of electron
For the reaction 2A + B - C, K\(_c\) = 4 × 10\(^3\). At a given time, the composition of reaction mixture is: (A) = (B) = (C) = 2 × 10\(^{-3}\).
Then, which of the following is correct?
Match List I with List II and choose the correct answer.
Choose the correct answer from the options given below:
In which of the following equilibria, K\(_p\) and K\(_c\) are NOT equal?
The reagent with which glucose does not react to give the corresponding test/products are:
Name some solid substances change from solid to vapour state without passing through liquid state. The technique used for the purification of such solid substances based on the above principle is known as:
Which reaction is NOT a redox reaction?
The Henry’s law constant (K\(_H\)) values of three gases (A, B, C) in water are 145, 2 × 10\(^-5\) and 35 kbar, respectively. The solubility of these gases in water follow the order:
Activation energy of any chemical reaction can be calculated if one knows the value of:
The energy of an electron in the ground state (n = 1) for H\(^+\) ion is -x J, then for an electron in n = 2 state for Be\(^{3+}\) ion in J is:
The compound that will undergo S\(_N1\) reaction with the fastest rate is:
A compound with a molecular formula of C\(_6\)H\(_{14}\) has two tertiary carbons. Its IUPAC name is:
Given below are certain cations. Using inorganic qualitative analysis, arrange them in increasing group number from 0 to VI.
A. Ag\(^+\)
B. Ba\(^{2+}\)
C. Cu\(^{2+}\)
D. Ca\(^{2+}\)
Choose the correct answer from the options given below:
The products A and B obtained in the following reactions, respectively, are:
\[ 3ROH + PCl_3 \rightarrow 3RCl + A \] \[ ROH + PCl_5 \rightarrow RCl + HCl + B \]
During the preparation of Mohr’s salt solution (Ferrous ammonium sulfate), which of the following acids is added to prevent hydrolysis of Fe\(^{2+}\) ion?
The plot of osmotic pressure (\(\Pi\)) vs concentration (mol L\(^{-1}\)) for a solution gives a straight line with slope 25.73 L bar mol\(^{-1}\). The temperature at which the osmotic pressure measurement is done is:
The work done during reversible isothermal expansion of one mole of hydrogen gas at 25°C from pressure of 20 atmosphere to 10 atmosphere is:
(Given R = 2.0 cal mol\(^{-1}\) K\(^{-1}\))
The pair of lanthanide ions which are diamagnetic is:
Identify the correct answer.
Mass in grams of copper deposited by passing 9.6487 A current through a voltmeter containing copper sulphate solution for 100 seconds is (Given: Molar mass of Cu = 63 g mol\(^{-1}\), 1 F = 96487 C)
Identify the major product E formed in the following reaction sequence:
\[ CH_3-CH_2-CH_3 \xrightarrow{NBS, h\nu} A \xrightarrow{NaCN, DMSO} B \xrightarrow{H_3O^+} C \xrightarrow{SOCl_2} D \xrightarrow{NH_3} E \]
Consider the following reaction in a sealed vessel at equilibrium with concentrations of \[ N_2 = 3.0 \times 10^{-3} M, O_2 = 4.2 \times 10^{-3} M, NO = 2.8 \times 10^{-3} M \] \[ N_2O_4 \rightleftharpoons 2NO_2 \]
If 0.1 mol L\(^{-1}\) of NO\(_2\) is taken in a closed vessel, what will be the degree of dissociation (\(\alpha\)) of NO\(_2\) at equilibrium?
Major products A and B formed in the following reaction sequence, are:
The rate of a reaction quadruples when temperature changes from 27°C to 57°C. Calculate the energy of activation.
Given \( R = 8.314 \) J K\(^{-1}\) mol\(^{-1}\), \(\log 4 = 0.6021\)
Given below are two statements:
Statement 1: \([Co(NH_3)_6]^{3+}\) is a homoleptic complex whereas \([Co(NH_3)_4Cl_2]^+\) is a heteroleptic complex.
Statement 2: Complex \([Co(NH_3)_6]^{3+}\) has only one kind of ligand but \([Co(NH_3)_4Cl_2]^+\) has more than one kind of ligands.
In the light of the above statements, choose the correct answer from the options given below.
For the given reaction:
\[ C = CH - CHO \xrightarrow{MCPBA} P (major product) \]
View Solution
A compound X contains 32 percent of A, 20 percent of B and remaining percentage of C. Then, the empirical formula of X is:
(Given atomic masses of A = 64, B = 40, C = 32 u)
Hind II always cuts DNA molecules at a particular point called recognition sequence and it consists of:
Given below are two statements:
Statement I: Parenchyma is living but collenchyma is dead tissue.
Statement II: Gymnosperms lack xylem vessels but presence of xylem vessels is the characteristic of angiosperms.
In the light of the above statements, choose the correct answer from the options given below.
Given below are two statements:
Statement I: Bt toxins are insect group specific and coded by a gene cry IAc.
Statement II: Bt toxin exists as inactive protoxin in \textit{B. thuringiensis. However, after ingestion by the insect, the inactive protoxin gets converted into active form due to acidic pH of the insect gut.
In the light of the above statements, choose the correct answer from the options given below.
Which one of the following can be explained on the basis of Mendel's Law of Dominance?
A. Out of one pair of factors one is dominant and the other is recessive.
B. Alleles do not show any expression and both the characters appear as such in F\(_2\) generation.
C. Factors occur in pairs in normal diploid plants.
D. The discrete unit controlling a particular character is called factor.
E. The expression of only one of the parental characters is found in a monohybrid cross.
Choose the correct answer from the options given below.
In the given figure, which component has thin outer walls and highly thickened inner walls?
List of endangered species was released by
The lactose present in the growth medium of bacteria is transported to the cell by the action of
Which one of the following is not a criterion for classification of fungi?
Inhibition of Succinic dehydrogenase enzyme by malonate is a classical example of:
Match List I with List II:
A. Nucleolus & I. Site of formation of glycolipid
B. Centriole & II. Organization like the cartwheel
C. Leucoplasts & III. Site for active ribosomal RNA synthesis
D. Golgi apparatus & IV. For storing nutrients
Choose the correct answer from the options given below:
These are regarded as major causes of biodiversity loss:
A. Over-exploitation
B. Co-extinction
C. Mutation
D. Habitat loss and fragmentation
E. Migration
Choose the correct option:
Given below are two statements:
Statement I: Chromosomes become gradually visible under a light microscope during the leptotene stage.
Statement II: The beginning of the diplotene stage is recognized by the dissolution of the synaptonemal complex.
In the light of the above statements, choose the correct answer from the options given below:
Formation of interfascicular cambium from fully developed parenchyma cells is an example for:
Tropical regions show greatest level of species richness because:
A. Tropical latitudes have remained relatively undisturbed for millions of years, hence more time was available for species diversification.
B. Tropical environments are more seasonal.
C. More solar energy is available in tropics.
D. Constant environments promote niche specialization.
E. Tropical environments are constant and predictable.
Choose the correct answer from the options given below:
Spindle fibers attach to kinetochores of chromosomes during:
Match List I with List II:
List-I & List-II
A. Two or more alternative forms of a gene & I. Back cross
B. Cross of F1 progeny with homozygous recessive parent & II. Ploidy
C. Cross of F1 progeny with any of the parents & III. Allele
D. Number of chromosome sets in plant & IV. Test cross
Choose the correct answer from the options given below:
Lecithin, a small molecular weight organic compound found in living tissues, is an example of:
The equation of Verhulst-Pearl logistic growth is:
\[ \frac{dN}{dt} = rN \left( \frac{K - N}{K} \right) \]
From this equation, \( K \) indicates:
Match List I with List II:
List-I & List-II
A. Clostridium butylicum & I. Ethanol
B. Saccharomyces cerevisiae & II. Streptokinase
C. Trichoderma polysporum & III. Butyric acid
D. Streptococcus sp. & IV. Cyclosporin-A
Choose the correct answer from the options given below:
The capacity to generate a whole plant from any cell of the plant is called:
Identify the set of correct statements:
A. The flowers of Vallisneria are colourful and produce nectar.
B. The flowers of water lily are not pollinated by water.
C. In most of water-pollinated species, the pollen grains are protected from wetting.
D. Pollen grains of some hydrophytes are long and ribbon-like.
E. In some hydrophytes, the pollen grains are carried passively inside water.
Choose the correct answer from the options given below:
How many molecules of ATP and NADPH are required for every molecule of CO\(_2\) fixed in the Calvin cycle?
The cofactor of the enzyme carboxypeptidase is:
The type of conservation in which the threatened species are taken out from their natural habitat and placed in special settings where they can be protected and given special care is called:
A transcription unit in DNA is defined primarily by the three regions in DNA and these are with respect to upstream and downstream ends:
What is the fate of a piece of DNA carrying only the gene of interest which is transferred into an alien organism?
A. The piece of DNA would be able to multiply itself independently in the progeny cells of the organism.
B. It may get integrated into the genome of the recipient.
C. It may multiply and be inherited along with the host DNA.
D. The alien piece of DNA is not an integral part of the chromosome.
E. It shows the ability to replicate.
Choose the correct answer from the options given below:
Identify the part of the seed from the given figure which is destined to form a root when the seed germinates.
Which of the following is an example of an actinomorphic flower?
Auxin is used by gardeners to prepare weed-free lawns. But no damage is caused to grass as auxin:
Match List I with List II:
A. Rhizopus & I. Mushroom
B. Ustilago & II. Smut fungus
C. Puccinia & III. Bread mould
D. Agaricus & IV. Rust fungus
Choose the correct answer from the options given below:
A pink flowered Snapdragon plant was crossed with a red flowered Snapdragon plant. What type of phenotype(s) is/are expected in the progeny?
Identify the type of flowers based on the position of calyx, corolla, and androecium with respect to the ovary from the given figures (a) and (b).
Which of the following are required for the dark reaction of photosynthesis?
A. Light
B. Chlorophyll
C. CO\(_2\)
D. ATP
E. NADPH
Choose the correct answer from the options given below:
In a plant, black seed color (BB/Bb) is dominant over white seed color (bb). In order to find out the genotype of the black seed plant, with which of the following genotype will you cross it?
Bulliform cells are responsible for:
Given below are two statements:
Statement I: In C\(_3\) plants, some O\(_2\) binds to RuBisCO, hence CO\(_2\) fixation is decreased.
Statement II: In C\(_4\) plants, mesophyll cells show very little photorespiration while bundle sheath cells do not show photorespiration.
In the light of the above statements, choose the correct answer from the options given below:
Identify the correct description about the given figure:
Match List I with List II:
List-I & List-II
A. Rose & II. Perigynous flower
B. Pea & IV. Marginal placentation
C. Cotton & I. Twisted aestivation
D. Mango & III. Drupe
Choose the correct answer from the options given below:
The DNA present in chloroplast is:
Which of the following statement is correct regarding the process of replication in E.coli?
Which of the following are fused in somatic hybridization involving two varieties of plants?
Identify the step in tricarboxylic acid cycle, which does not involve oxidation of substrate.
Match List I with List II:
List-I & List-II
A. GLUT-4 & IV. Enables glucose transport into cells
B. Insulin & I. Hormone
C. Trypsin & II. Enzyme
D. Collagen & III. Intercellular ground substance
Choose the correct answer from the options given below:
Spraying sugarcane crop with which of the following plant growth regulators increases the length of stem, thus increasing the yield?
Match List I with List II:
List-I & List-II
A. Frederick Griffith & III. Transformation
B. Francois Jacob & IV. Lac operon
C. Har Gobind Khorana & I. Genetic code
D. Meselson & II. Semi-conservative mode of DNA replication
Choose the correct answer from the options given below:
Match List I with List II:
List-I & List-II
A. Robert May & III. Global species diversity at about 7 million
B. Alexander von Humboldt & I. Species-Area relationship
C. Paul Ehrlich & IV. Rivet popper hypothesis
D. David Tilman & II. Long term ecosystem experiment using outdoor plots
Choose the correct answer from the options given below:
Read the following statements and choose the set of correct statements:
In the members of Phaeophyceae:
A. Asexual reproduction occurs usually by biflagellate zoospores.
B. Sexual reproduction is by oogamous method only.
C. Stored food is in the form of carbohydrates which is either mannitol or laminarin.
D. The major pigments found are chlorophyll a, c and carotenoids and xanthophyll.
E. Vegetative cells have a cellulosic wall, usually covered on the outside by gelatinous coating of algin.
Choose the correct answer from the options given below:
Match List I with List II:
List-I & List-II
A. Citric acid cycle & II. Mitochondrial matrix
B. Glycolysis & I. Cytoplasm
C. Electron transport system & IV. Inner mitochondrial membrane
D. Proton gradient & III. Intermembrane space of mitochondria
Choose the correct answer from the options given below:
In an ecosystem, if the Net Primary Productivity (NPP) of the first trophic level is 100\(x\) (kcal m\(^{-2}\) yr\(^{-1}\)), what would be the GPP (Gross Primary Productivity) of the third trophic level of the same ecosystem?
Match List I with List II:
List-I (Types of Stamens) & List-II (Example)
A. Monoadelphous & IV. China-rose
B. Diadelphous & II. Pea
C. Polyadelphous & I. Citrus
D. Epiphyllous & III. Lily
Choose the correct answer from the options given below:
Match List I with List II:
List-I (Types of Joints) & List-II (Example)
A. Fibrous joints & III. Skull, don’t allow any movement
B. Cartilaginous joints & I. Adjacent vertebrae, limited movement
C. Hinge joints & IV. Knee, help in locomotion
D. Ball and socket joints & II. Humerus and Pectoral girdle, rotational movement
Choose the correct answer from the options given below:
Match List I with List II:
List-I & List-II
A. Common cold & III. Rhinoviruses
B. Haemozoin & I. Plasmodium
C. Widal test & II. Typhoid
D. Allergy & IV. Dust mites
Choose the correct answer from the options given below:
Match List I with List II:
List-I (Syndromes) & List-II (Chromosome)
A. Down’s syndrome & III. 21st chromosome
B. α-Thalassemia & IV. 16th chromosome
C. β-Thalassemia & I. 11th chromosome
D. Klinefelter’s syndrome & II. X chromosome
Choose the correct answer from the options given below:
Given below are two statements:
Assertion (A): FSH acts upon ovarian follicles in females and Leydig cells in males.
Reason (R): Growing ovarian follicles secrete estrogen in females while interstitial cells secrete androgen in males.
In the light of the above statements, choose the correct answer from the options given below:
The “Ti plasmid” of Agrobacterium tumefaciens stands for:
Given below are two statements:
Statement I: In the nephron, the descending limb of loop of Henle is impermeable to water and permeable to electrolytes.
Statement II: The proximal convoluted tubule is lined by simple columnar brush border epithelium and increases the surface area for reabsorption.
In the light of the above statements, choose the correct answer from the option given below:
Match List I with List II:
List-I (Sub Phases of Prophase I) & List-II (Specific Characters)
A. Diakinesis & II. Completion of terminalisation of chiasmata
B. Pachytene & IV. Appearance of recombination nodules
C. Zygotene & I. Synaptonemal complex formation
D. Leptotene & III. Chromosomes look like thin threads
Choose the correct answer from the options given below:
Match List I with List II:
List-I & List-II
A. Non-medicated IUD & III. Lippes loop
B. Copper releasing IUD & I. Multiload 375
C. Hormone releasing IUD & IV. LNG-20
D. Implants & II. Progestogens
Choose the correct answer from the option given below:
Which of the following is not a steroid hormone?
Given below are some stages of human evolution. Arrange them in correct sequence (Past to Recent):
A. Homo habilis & 1st
B. Homo sapiens & 4th
C. Homo neanderthalensis & 3rd
D. Homo erectus & 2nd
Choose the correct sequence of human evolution from the options given below:
Match List I with List II:
Choose the correct answer from the options given below:
Given below are two statements:
Statement I: The presence or absence of hymen is not a reliable indicator of virginity.
Statement II: The hymen is torn during the first coitus only.
In the light of the above statements, choose the correct answer from the options given below:
Match List I with List II:
Choose the correct answer from the options given below:
Three types of muscles are given as a, b, and c. Identify the correct matching pair along with their location in the human body:
Match List I with List II:
List-I (Disease) & List-II (Causative Agent)
A. Typhoid & IV. Bacteria
B. Leishmaniasis & III. Protozoa
C. Ringworm & I. Fungus
D. Filariasis & II. Nematode
Choose the correct answer from the options given below:
Match List I with List II:
A. Axoneme & II. Cilia and flagella
B. Cartwheel pattern & I. Centriole
C. Crista & IV. Mitochondria
D. Satellite & III. Chromosome
Choose the correct answer from the options given below:
In both sexes of cockroach, a pair of jointed filamentous structures called anal cerci are present on:
Match List I with List II:
Choose the correct answer from the options given below:
Following are the stages of the pathway for conduction of an action potential through the heart:
Choose the correct sequence of the pathway from the options given below:
The flippers of the Penguins and Dolphins are the example of:
Which one is the correct product of DNA dependent RNA polymerase to the given template?
DNA Template: 3’TACATGGCAAATATCCATTCA5’
Given below are two statements: One is labelled as Assertion A and the other is labelled as Reason R:
Assertion A: Breast-feeding during the initial period of infant growth is recommended by doctors for bringing up a healthy baby.
Reason R: Colostrum contains several antibodies absolutely essential to develop resistance for the newborn baby.
In the light of the above statements, choose the most appropriate answer from the options given below:
Which of the following factors are favourable for the formation of oxyhaemoglobin in alveoli?
Consider the following statements:
A. Annelids are true coelomates.
B. Poriferans are pseudocoelomates.
C. Aschelminthes are acoelomates.
D. Platyhelminthes are pseudocoelomates.
Choose the correct answer from the options given below:
Following are the stages of cell division:
A. Gap 2 phase
B. Cytokinesis
C. Synthesis phase
D. Karyokinesis
E. Gap 1 phase
Choose the correct sequence of stages from the options given below:
Which of the following statements is incorrect?
Match List I with List II:
Choose the correct answer from the options given below:
Which of the following is not a natural/traditional contraceptive method?
Which one of the following factors will not affect the Hardy-Weinberg equilibrium?
Match List I with List II:
Choose the correct answer from the options given below:
Which of the following is not a component of the Fallopian tube?
Match List I with List II:
Choose the correct answer from the options given below:
The following diagram showing restriction sites in E. coli cloning vector pBR322. Find the role of ‘X’ and ‘Y’ genes:
Which of the following are Autoimmune disorders?
Match List I with List II:
\begin{table[h!]
\centering
\begin{tabular{|c|c|
\hline
List I & List II
\hline
A. Expiratory capacity & II. Tidal volume + Expiratory reserve volume
\hline
B. Functional residual capacity & IV. Expiratory reserve volume + Residual volume
\hline
C. Vital capacity & I. Expiratory reserve volume + Tidal volume + Inspiratory reserve volume
\hline
D. Inspiratory capacity & III. Tidal volume + Inspiratory reserve volume
\hline
\end{tabular
\end{table
Choose the correct answer from the options given below:
Match List I with List II:
\begin{table[h!]
\centering
\begin{tabular{|c|c|
\hline
List I & List II
\hline
A. P wave & III. Depolarisation of atria
\hline
B. QRS complex & II. Depolarisation of ventricles
\hline
C. T wave & IV. Repolarisation of ventricles
\hline
D. T-P gap & I. Heart muscles are electrically silent
\hline
\end{tabular
\end{table
Choose the correct answer from the options given below:
Given below are two statements:
Statement I: The cerebral hemispheres are connected by a nerve tract known as corpus callosum.
Statement II: The brain stem consists of the medulla oblongata, pons, and cerebrum.
In the light of the above statements, choose the most appropriate answer from the options given below:
Given below are two statements:
Statement I: Mitochondria and chloroplasts are both double membrane-bound organelles.
Statement II: The inner membrane of mitochondria is relatively less permeable compared to chloroplast.
In the light of the above statements, choose the most appropriate answer from the options given below:
Identify the correct option (A), (B), (C), (D) with respect to spermatogenesis:
Given below are two statements:
Statement I: Bone marrow is the main lymphoid organ where all blood cells, including lymphocytes, are produced.
Statement II: Both bone marrow and thymus provide microenvironments for the development and maturation of T-lymphocytes.
In the light of the above statements, choose the most appropriate answer from the options given below:
As per ABO blood grouping system, the blood group of father is \( B^+ \), mother is \( A^+ \), and the child is \( O^+ \). Their respective genotype can be:
Given below are two statements:
Statement I: Gause's competitive exclusion principle states that two closely related species competing for different resources cannot exist indefinitely.
Statement II: According to Gause's principle, during competition, the inferior will be eliminated. This may be true if resources are limiting.
In the light of the above statements, choose the correct answer from the options given below:
Match List I with List II:

Choose the correct answer from the options given below:
Match List I with List II:

Choose the correct answer from the options given below:
Regarding the catalytic cycle of an enzyme action, select the correct sequential steps:
A. Substrate enzyme complex formation.
B. Free enzyme ready to bind with another substrate.
C. Release of products.
D. Chemical bonds of the substrate broken.
E. Substrate binding to active site.
Choose the correct answer from the options given below:
Match List I with List II:

Choose the correct answer from the options given below:
Match List I with List II:

Choose the correct answer from the options given below:
Choose the correct statement regarding juxta medullary nephron:
Match List I with List II related to the digestive system of cockroach:

Choose the correct answer from the options given below:
The following are the statements about non-chordates:
A. Pharynx is perforated by gill slits.
B. Notochord is absent.
C. Central nervous system is dorsal.
D. Heart is dorsal if present.
E. Post-anal tail is absent.
Choose the most appropriate answer from the options given below:
NEET 2024 Question Papers with Answer Keys for Other Codes
| NEET 2024 Question Paper PDF Q4 in English |
| NEET 2024 Question Paper PDF R1 in English |
| NEET 2024 Question Paper PDF R3 in English |
| NEET 2024 Question Paper PDF T3 in English |
NEET Previous Year Question Papers with Answer Keys
| NEET 2023 Question Papers | NEET 2022 Question Papers | NEET 2021 Question Papers |
| NEET 2020 Question Papers | NEET 2019 Question Papers | NEET 2018 Question Papers |







Comments